阿摩線上測驗
登入
首頁
>
技檢◆工業電子-丙級
> 112年 - 02800 工業電子 丙級 工作項目 06:電子儀表使用知識 #18975
112年 - 02800 工業電子 丙級 工作項目 06:電子儀表使用知識 #18975
科目:
技檢◆工業電子-丙級 |
年份:
112年 |
選擇題數:
44 |
申論題數:
0
試卷資訊
所屬科目:
技檢◆工業電子-丙級
選擇題 (44)
1. 三用電表靈敏度定義為(A)滿刻度偏轉電流(B)歐姆/伏特(C)伏特/歐姆(D)滿刻度電壓值。
2. 三用電表之直流電壓檔若有 3V,12V,30V,120V,則那一檔之輸入阻抗最高(A)3V(B)12V(C)30V(D)120V。
3. 以三用電表歐姆檔測量電容器時,若電容量愈大則電表指針在測試棒接觸瞬間的偏轉量(A)愈小(B)愈大(C)不動(D) 固定。
4. 電表上如註明“CLASS 1.5",係指該電表(A)於 1.5 Sec 內可指出滿刻度(B)準確度為滿刻度之±1.5%(C)精密度為 1. 5 刻度內(D)壽命為 1.5 年。
5. 3 1/2 位數(DIGITS)的數位電表,可顯示出的最大讀值為(A)1000(B)3000(C)1999(D)3999。
6. 某三用電表 DCV 的靈敏度為 20KΩ/V,其範圍選擇開關置於 DCV1000V 位置,則電表的總內阻為(A)1KΩ(B)20K Ω(C)20MΩ(D)21MΩ。
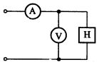
7. 測定電熱器(H)之消耗電力時,電壓表( V )及電流表( A )之正確接線為:
(A)
(B)
(C)
(D)
8. 三用電表內部電池沒電時,不可以測量(A)電阻值(B)電壓值(C)電流值(D)dB 值。
9. 儀器使用時若電壓衰減 20dB 代表衰減(A)10 倍(B)20 倍(C)40 倍(D)100 倍。
10. 示波器“TRIG. Level"控制鈕是控制其(A)頻率(B)焦距(C)振幅(D)觸發準位。
11. 示波器之靈敏度由那一電路決定?(A)同步(B)水平放大(C)垂直放大(D)觸發 電路。
12. 以示波器之 X-Y mode 來觀察兩訊號的相位差,所得圖形為圓形,則兩訊號之相位差為:(A)30°(B)60°(C)90°(D)180°。
13. 在示波器中,若垂直偏向板加正弦波訊號,水平偏向板不加訊號,則螢光幕出現之圖形應為(A)一水平線(B)一點 (C)正弦波(D)垂直線。
14. 函數波產生器之 VCF 輸入,可以控制輸出成為(A)AM(B)FM(C)脈波(D)三角波 波形。
15. 頻率計數器之時基(Time Base)若採用 10mS,則量測外加信號之頻率得到最高解析度為(A)10Hz(B)100Hz(C)1KHz(D)1 0KHz。
16. 若在示波器上,垂直偏向加正弦波,水平偏向加鋸齒波,且鋸齒波的頻率為正弦波的兩倍時,可顯示(A)半週的 正弦波(B)單週的正弦波(C)雙週的正弦波(D)雙週的鋸齒波。
17. 將示波器用 10:1 測試棒接示波器之校準信號,顯示下圖波形時則表示(A)過度補償(B)補償不足(C)正確的補償(D) 無補償。
18. 函數波產生器之輸出阻抗為 50Ω,若其輸出衰減網路選擇衰減 20dB,則其衰減後之輸出阻抗為(A)5Ω(B)50Ω(C)5 00Ω(D)1000Ω。
19. 若示波器測棒為 1:1,電壓檔撥在 1V/DIV 位置,其信號之峰對峰共 4 DIV,則其 Vpp 值為(A)1V(B)4V(C)10V(D)4 0V。
20. 儀表連續使用一段時間後產生很小之偏移,則此儀表(A)靈敏度高(B)準確度高(C)解析度高(D)穩定度高。
21. 有一穩壓直流電源供應器,其輸出電壓為 0~30V(可調),輸出電流為 0~3A(可調),並具有 C.C.(限電流), C.V.(定電壓)之功能。另有一電路需使用 15V 電源,工作電流約為 150mA。若以此電源供應器供給該電路電 源,則其 C.C.(限電流)應設定為多少較為理想(A)160mA(B)1A(C)1.6A(D)3A。
22. 數位電表中,以下列何種方法製造之 A/D 轉換器具有精確度高、在額定電壓範圍內很平穩、不受元件特性漂移 影響、可自動消除電源雜訊等優點?(A)電壓/頻率法(B)單斜波法(C)連續漸近法(D)雙斜率法。
23. 若將同步示波器之觸發耦合開關(trigger coupling)撥至 HF REJ 之位置其作用是(A)只讓高頻通過(B)只讓低頻通過(C) 只讓直流信號通過(D)只讓交流信號通過。
24. 示波器選擇單掃描(single sweep)位置時,不具有那項功能(A)可避免波形重疊顯示出來(B)一次只產生一個鋸齒波 (C)可顯示波形任意點之部份波形(D)適用於不規則波形之量測。
25. 示波器使用外部同步信號來進行同步控制時 SYNC 開關應置於(A)EXT(B)+(C)-(D)LINE 之位置。
26. 4 1/2 位數值式電壓表 20V 測試範圍之解析度為多少(A)1mV(B)100μV(C)10μV(D)1μV。
27. Q 表可來測量元件之(A)電路的漏電量(B)電晶體之 hfe(C)電感量及線圈 Q 值(D)電容器之容量。
28. 一般音頻信號產生器內之振盪器,通常為(A)哈特萊振盪器(B)韋恩電橋振盪器(C)RC 相移振盪器(D)考畢子振盪器。
29. 下列何種儀表較合適用來測量銅線之電阻(A)惠斯登電橋(B)柯勞許電橋(C)凱爾文電橋(D)高阻計。
30. 以示波器量測 60Hz 以下之輸入信號,輸入模式宜採用(A)AC 耦合(B)DC 耦合(C)LF-REJ(D)HF-REJ。
31. 指針式三用電表測量直流電壓或電流時,若指針往左偏,應該 (A)提高測量檔位 (B)降低測量檔位 (C)互換兩測試棒的測試點 (D)更換電池 。
32. 指針式三用電表未測量時指針無法歸零,應該進行 (A)零歐姆調整 (B)機械歸零調整 (C)電池更換 (D)保險絲更換 。
33. 若欲在函數波產生器的輸出信號加入直流準位,應控制哪個旋鈕或開關 (A) DC Offset (B)Amplitude (C)Function (D)Range 。
34. 使用示波器測量函數波產生器的輸出波形,若振幅不正確時,應調整 (A)示波器的水平位置 (B)示波器的 VOLT/DIV 鈕 (C)函數波產生器的振幅控制 (D)示波器的垂直位置。
35. 使用三用電表測量未知範圍的電壓或電流時,檔位應置於 (A)最高檔 (B)中間檔 (C)最低檔 (D)任意檔
36. 以示波器測量方波信號,TIME/DIV 鈕置於 0.1ms,顯示方波一週佔水平 5 格,則方波的頻率為 (A)20Hz (B)200Hz (C)2kHz (D)20kHz 。
37. 指針式三用電表在歐姆 X10K 檔,無法完成零歐姆調整,應更換內部 (A)3V 電池 (B)9V 電池 (C)所有電池 (D)保險絲 。
38. 以示波器測量正弦波信號,VOLT/D IV 鈕置於 2V,顯示正弦波峰對峰佔垂直 5 格,則正弦波的振幅為 (A)0.4Vrms (B)0.4Vp-p (C)10Vrms (D)10Vp-p 。
39. 指針式三用電錶中,那一項是非等分刻度 (A)交流電壓 (B)直流電壓 (C)電流 (D)電阻 。
40. 指針式三用電錶量測電阻時,若待測電阻愈大,則指針偏轉角越 (A)大 (B)小 (C)一樣 (D)無法確定
41. 用三用電錶量測機器腳踏車電瓶充電電壓應選擇 (A)Rx10 (B)AC50V (C)DC50V (D)DC3V 。
42. 下列何者為觀察振盪訊號之儀器 (A)訊號產生器 (B)示波器 (C)振盪器 (D)三用電表 。
43. 數位 IC 測試器無法測試下列何種 IC? (A)74LS32 (B)7447 (C)NE555 (D)4017 。
44. 檢測數位邏輯電路最簡易的工具為? (A)示波器 (B)邏輯分析儀 (C)三用電錶 (D)邏輯探棒
申論題 (0)
相關試卷
114年 - 02800 工業電子 丙級 工作項目 10:數位系統 1-65(2025/10/16 更新)#132274
114年 · #132274
114年 - 02800 工業電子 丙級 工作項目 09:電子學 101-147(2025/10/16 更新)#132273
114年 · #132273
114年 - 02800 工業電子 丙級 工作項目 09:電子學 51-100(2025/10/16 更新)#132272
114年 · #132272
114年 - 02800 工業電子 丙級 工作項目 09:電子學 1-50(2025/10/16 更新)#132271
114年 · #132271
114年 - 02800 工業電子 丙級 工作項目 08:電工學 101-128(2025/10/16 更新)#132270
114年 · #132270
114年 - 02800 工業電子 丙級 工作項目 08:電工學 51-100(2025/10/16 更新)#132269
114年 · #132269
114年 - 02800 工業電子 丙級 工作項目 08:電工學 1-50(2025/10/16 更新)#132268
114年 · #132268
114年 - 02800 工業電子 丙級 工作項目 07:測試知識 1-48(2025/10/16 更新)#132267
114年 · #132267
114年 - 02800 工業電子 丙級 工作項目 06:電子儀表使用知識 1-44(2025/10/16 更新)#132266
114年 · #132266
114年 - 02800 工業電子 丙級 工作項目 05:裝配知識 1-55(2025/10/16 更新)#132265
114年 · #132265