所屬科目:一二三等大管輪◆電機電子與自動控制
2. 試求圖1之等效電阻R。(A)R=10歐姆 (B)R=11歐姆 (C)R=12歐姆 (D)R=13歐姆
3. 求圖5中,分路電流I1 。(A)I1=4mA (B)I1=6mA(C)I1=4A(D)I1=6A
4. 求圖5中,總電流I之值。(A)I=10A (B)I=2A (C)I=10mA (D)I=2mA
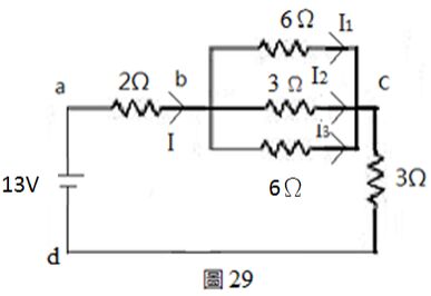
5.如圖29,試求總電阻RT 。 (A)5歐姆 (B)5.5歐姆 (C)6歐姆 (D)6.5歐姆
6. 如圖36試求Rcd 。(A)2歐姆 (B)3歐姆 (C)5歐姆 (D)0歐姆
15. 圖3中,若有IT=40mA流入,且RA=10KΩ,RB=30KΩ,則流過RB電阻的電流等於多少?(A)30 mA (B)10mA (C)12mA (D)28mA
17. △-Y的接線方式適用於何種場合? (A)發電機的昇壓變壓器 (B)配電降壓變壓器 (C)電力阻隔 (D)阻抗匹配
21. 如右圖之電路,若R1=R3=R4=4Ω,R2=12Ω,其總電阻為 :(A)4Ω (B)5Ω (C)16/3Ω (D)20/3Ω
25. 若單相交流電壓100伏特,電流10安培,電阻4Ω ,此電路的功率因數為: (A)0.2 (B)0.4 (C)0.6 (D)0.8
29. 如圖之單相電動機電路,其屬於:(A)裂相式 (B)電容式 (C)蔽極式 (D)推斥式
42. 三相感應電動機經常使用Y-△起動不會造成那一個現象? (A)降低起動電流 (B)磁場變大 (C)由慢速慢慢加速起動 (D)降低起動轉矩