所屬科目:技檢◆工業電子-丙級
1. 事業單位之勞工代表如何產生? (A)由產業工會推派之 (B)由勞資雙方協議推派之 (C)由企業工會推派之 (D)由勞工輪流擔任之。
2. 下列的能源效率分級標示,哪一項較省電? (A)1 (B)4 (C)3 (D)2。
3. 相移振盪器的 RC 相移網路至少需要幾節 (A)7 節 (B)2 節 (C)5 節 (D)3 節。
4. 下圖符號為?
(A)電阻 (B)電磁線圈 (C)電容 (D)電感。
5. 下列何者不是光敏電阻的特性? (A)光敏電阻上的皺褶圖案為其受光面 (B)光敏電阻的誤差範圍和再現性使其不適合作為精密光學量測之用 (C)光敏電阻上的皺褶越長,其原生的電阻值就會越低 (D)入射受光面的光源越強,其電阻值就越大。
6. 把板手當榔頭使用是 (A)絕不可以 (B)看板手的好壞 (C)方便又安全 (D)看情形可使用。
7. 在將電源插頭插入插座之前,應先確定 (A)開關放在 ON 之位置 (B)開關放在 OFF 位置 (C)可不管開關位置隨意均可 (D)依狀況再決定位置。
8. 脈波寬度 400μs,頻率 1kHz,峰值 10V 之脈波其工作週期為 (A)66% (B)33% (C)50% (D)40%。
9. 洗碗、洗菜用何種方式可以達到清洗又省水的效果? (A)把碗盤、菜等浸在水盆裡,再開水龍頭拼命沖水 (B)將適量的水放在盆槽內洗濯,以減少用水 (C)用熱水及冷水大量交叉沖洗達到最佳清洗效果 (D)對著水龍頭直接沖洗,且要盡量將水龍頭開大才能確保洗的乾淨。
10. 金屬機殼進行定位鑽孔加工,不需使用到下列器具 (A)鋼尺 (B)圖規板 (C)護目鏡 (D)中心沖。
11. 下列何種儀表較合適用來測量銅線之電阻 (A)凱爾文電橋 (B)柯勞許電橋 (C)高阻計 (D)惠斯登電橋。
12. 尖嘴鉗夾上元件接腳而後焊接之主要目的為 (A)防止燒傷相鄰元件 (B)防止高溫損壞元件 (C)防止手燙傷 (D)方便。
13. 指針式三用電表若切在電壓檔下,無法量測最可能的原因為 (A)電池沒電 (B)錶頭需校正 (C)測試棒顏色不對 (D)保險絲燒毀。
14. 以示波器測量正弦波信號,VOLT/DIV 鈕置於 2V,顯示正弦波峰對峰佔垂直 5 格,則正弦波的振幅為 (A)0.4Vrms(B)10Vp-p (C)10Vrms (D)0.4Vp-p。
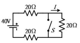
15. 我國國家標準 CNS 規定工業用圖紙,以下何種為公制? (A)A4 (B)LETTER (C)LEGAL (D)B。
16. 下圖所示,在開關 S 接通之瞬間線路電流 I 為
(A)1A (B)2A (C)5A (D)4A。
17. 下列何者為非必要使用線材工具 (A)鑷子 (B)尖嘴鉗 (C)剝線鉗 (D)斜口鉗。
18. 電子的帶電量為多少庫侖? (A)1.6×10- 1 9 (B)9.11×10- 3 1 (C)-1.67×10-2 7 (D)-1.6×10- 1 9。
19. 指針式三用電錶中,那一項是非等分刻度 (A)交流電壓 (B)電阻 (C)電流 (D)直流電壓。
20. 常見鍺二極體導通偏壓電壓為何 (A)2.0V (B)0.2V (C)1.0V (D)0.7V。
21. 下圖符號為
(A)電力配電盤 (B)電話端子盤 (C)電燈分電盤 (D)電力分電盤。
22. 下列何種顏色導線使用於較高的電壓 (A)灰色 (B)紅色 (C)紫色 (D)白色。
23. 1GB 的記憶體至少需幾條位址線來定址? (A)16 條 (B)32 條 (C)8 條 (D)24 條。
24. 一個 4 位元環形計數器(Ring Counter),其輸出 Q3 Q2 Q1 Q0 之初值設為 1000,在正常運作之下,計數器的輸出不會產生下列何種狀態? (A)0001 (B)0100 (C)1001 (D)0010。
25. 下列那一種方法不能使已經導通的 SCR 截止 (A)陽極電流降至維持電流以下 (B)使 SCR 的陽極陰極電壓反相 (C)切斷陽極電流 (D)切斷閘極電流。
26. 企業內部之營業秘密,可以概分為「商業性營業秘密」及「技術性營業秘密」二大類型,請問下列何者屬於「技術性營業秘密」? (A)經銷據點 (B)產品配方 (C)客戶名單 (D)人事管理。
27. 同材質導線之安全電流: (A)不關線徑大小,其值均相同 (B)線經愈細,其值愈大 (C)線徑愈大,其值較大 (D)長度愈長,其值愈大。
28. 導線線材規格中 AWG 尺寸下列何者不是標準尺寸 (A)22 (B)24 (C)0 (D)60。
29. 在鋁板上需鑽孔的地方應先用 (A)中心沖 (B)劃線針 (C)鐵釘 (D)鋼釘 在鑽孔中心打點,以方便鑽孔。
30. 原事業單位如有違反職業安全衛生法或有關安全衛生規定,致承攬人所僱勞工發生職業災害時,有關承攬管理責任,下列敘述何者正確? (A)承攬廠商應自負職業災害之賠償責任 (B)原事業單位應與承攬人負連帶賠償責任 (C)原事業單位不需負連帶補償責任 (D)勞工投保單位即為職業災害之賠償單位。
31. 放大器的偏壓選擇不當,將引起 (A)波幅失真 (B)輸入信號短路 (C)相位失真 (D)頻率失真。
32. 營業秘密可分為「技術機密」與「商業機密」,下列何者屬於「商業機密」? (A)生產製程 (B)設計圖 (C)商業策略 (D)程式。
33. 使用各種手工具前應有 (A)排放規則 (B)保管規則 (C)借用規則 (D)防止傷害措施 才能防止意外事故發生。
34. 電度的單位為 (A)伏特 (B)瓦特 (C)瓩時 (D)安培。
35. 數位電路中,常在每個 IC 的電源附近並接一個電容器作為抗濾波干擾之用,其數值約 (A)10pF (B)1000μF (C)1pF(D)0.1μF。
36. 下列何者對飲用瓶裝水之形容是正確的:A.飲用後之寶特瓶容器為地球增加了一個廢棄物;B.運送瓶裝水時卡車會排放空氣污染物;C.瓶裝水一定比經煮沸之自來水安全衛生? (A)BC (B)ABC (C)AC (D)AB。
37. 一般而言,水中溶氧量隨水溫之上升而呈下列哪一種趨勢? (A)減少 (B)增加 (C)不變 (D)不一定。
38. 下圖所示,Vd c 為
(A)48V (B)36V (C)-48V (D)-32V。
39. milli 安培是 (A)千分之一安培 (B)百分之一安培 (C)萬分之一安培 (D)十分之一安培。
40. 有關公司訂定誠信經營守則時,下列何者錯誤? (A)避免與涉有不誠信行為者進行交易 (B)防範侵害營業秘密、商標權、專利權、著作權及其他智慧財產權 (C)防範檢舉 (D)建立有效之會計制度及內部控制制度。
41. 下列何種熱水器所需能源費用最少? (A)電熱水器 (B)熱泵熱水器 (C)柴油鍋爐熱水器 (D)天然瓦斯熱水器。
42. 三角波的波形是 (A)(B)(C)(D) 。
43. 設 v(t)=100sin(377t+60°)V、i(t)=−10sin(377t+60°)A,則 v 與 i 的相位關係為? (A)v 超前 i120° (B)v、i 同相 (C)i 超前 v90°(D)i 超前 v180。
44. 修理或檢修電路時 (A)先訓練 (B)要熟練 (C)在絕緣體上 (D)先切斷電源 就不會有危險。
45. 下列何者非常見的連接線及接頭規格 (A)單芯線 (B)杜邦 (C)莫仕 (D)I2C。
46. 絕緣測量應使用何種儀器為佳 (A)數字式三用電表 (B)絕緣電表 (C)三用電表 (D)Q 表。
47. 下列何者非通風換氣之目的? (A)稀釋空氣中有害物 (B)補充新鮮空氣 (C)防止火災爆炸 (D)防止游離輻射。
48. 射級隨耦器屬於 (A)電壓串聯回授 (B)電流並聯回授 (C)電流串聯回授 (D)電壓並聯回授。
49. 下圖符號為
(A)光耦合器 (B)發光二極體 (C)光電晶體 (D)橋式整流器。
50. 理想電壓源其內阻為 (A)隨負載電阻而定 (B)無限大 (C)隨頻率而定 (D)0。
51. 下列何者不是應用於電子電機方面的繪圖軟體 (A)ORCAD (B)PROTEL (C)WORD (D)PCAD。
52. 效率最高的放大器是 (A)乙類 (B)丙類 (C)甲類 (D)甲乙類 放大器。
53. 下圖所示,A、B 間總電阻為
(A)6Ω (B)8Ω (C)4Ω (D)5Ω。
54. 一個理想的電壓放大器,其輸入阻抗與輸出阻抗 應分別為 (A)∞,0 (B)0,0 (C)0,∞ (D)∞,∞。
55. 如圖所示電路,當開關 S 閉合後,電流應為多少?
(A)8 (B)0 (C)10 (D)5。
56. 醫院、飯店或宿舍之熱水系統耗能大,要設置熱水系統時,應優先選用何種熱水系統較節能? (A)瓦斯熱水系統 (B)熱泵熱水系統 (C)電能熱水系統 (D)重油熱水系統。
57. 臺灣地狹人稠,垃圾處理一直是不易解決的問題,下列何種是較佳的因應對策? (A)運至國外處理 (B)垃圾分類資源回收(C)蓋焚化廠 (D)向海爭地掩埋。
58. 下列何者不是發生電氣火災的主要原因? (A)電氣火花 (B)電纜線置於地上 (C)漏電 (D)電器接點短路。
59. 示波器被動式電壓探棒上的「10X」標示代表該探棒的 (A)使用年限 (B)放大率 (C)頻寬 (D)衰減率 當示波器使用該探棒時,示波器對應通道的設定也必須等量,才能在示波器顯示幕上呈現量測結果的原貌。
60. 下列何者不為常用無線通訊協定? (A)IrDA (B)FTP (C)GPRS (D)IEEE802.11b。
61. 下圖符號為何種邏輯?
(A)NOR (B)AND (C)OR (D)NAND。
62. 下列何者不是達靈頓電路之特點 (A)高電壓增益 (B)高電流增益 (C)高輸入阻抗 (D)低輸出阻抗。
63. 剝除電工導線之 PVC 外皮時應使用 (A)榔頭敲 (B)士林刀 (C)打火機燒 (D)牙齒剝除。
64. 一般音頻信號產生器內之振盪器,通常為 (A)考畢子振盪器 (B)RC 相移振盪器 (C)哈特萊振盪器 (D)韋恩電橋振盪器。
65. 有一電流 i(t)=10sin ωt 通過 5Ω 電阻,則其消耗功率為 (A)500W (B)250W (C)625W (D)375W。
66. 下列敘述何者正確? (A)在矽半導體當溫度上升時,其電阻下降 (B)當溫度升高時,一般金屬導體電阻下降 (C)在 N 型半導體裡,電子的濃度將隨溫度的昇高而減少 (D)在 P 型半導體裡,導電的載子主要是電子。
67. 變壓器鐵芯使用疊成薄矽鋼片,其目的在於減少 (A)銅損失 (B)機械損失 (C)渦流損失 (D)磁滯損失。
68. 兩電感串聯考慮互感時總電量為 (A)(B)(C)(D) 。
69. 下列何者最有可能為 UJT 的本質內分比(η)之值? (A)1.9 (B)5.0 (C)0.6 (D)0.1。
70. 再生能源一般是指可永續利用之能源,主要包括哪些:A.化石燃料 B.風力 C.太陽能 D.水力? (A)ABCD (B)ACD (C)BCD(D)ABD。
71. 公司的車子,假日又沒人使用,你是鑰匙保管者,請問假日可以開出去嗎? (A)不可以,因為是公司的,並非私人擁有(B)不可以,應該是讓公司想要使用的員工,輪流使用才可 (C)可以,反正假日不影響公務 (D)可以,只要付費加油即可。
72. 二個 BCD 碼相加時,和超過______時,必須加 6 來補償。 (A)19 (B)6 (C)10 (D)9
73. 使用指針式三用電表量測下圖 A-B 間電壓時,黑棒應置於
(A)B 點 (B)任意點 (C)C 點 (D)A 點。
74. 雙極性接面電晶體(BJT)是屬於下列何者控制的元件? (A)電壓 (B)電流 (C)光藕合 (D)電磁。
75. 正反器為 (A)單穩態電路 (B)非穩態電路 (C)史密特觸發電路 (D)雙穩態電路。
76. 繼電器有兩個輸出接點 N.C.與 N.O.各代表 (A)常閉與常閉 (B)常開與常開 (C)常閉與常開 (D)常開與常閉 接點。
77. 如圖所示電路,若電流表 A 指示值變大,下列何種現象是正確原因?
(A)R2 被短路 (B)R2 斷路 (C)R1 斷路 (D)電源電壓 E變小。
78. 有一放大器將 1mV 信號放大至 10V,其電壓增益為 (A)60dB (B)20dB (C)40dB (D)80dB。
79. 下列何種電路屬於組合邏輯電路 (A)多工器 (B)計數器 (C)除頻器 (D)移位暫存器。
80. 音響裝置之音量控制用可變電阻器一般採用 (A)A 型 (B)B 型 (C)D 型 (D)C 型。