所屬科目:電路分析
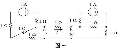
一、如圖一所示電路,計算 ab 支路的電流 I。 (25 分)
(一)如果 A 為一固定之有限值下,試求出輸出信號 vOUT與輸入信號vIN 之關係。(15 分)
(二)如果 A 趨近無限大時,試求出輸出信號 vOUT與輸入信號vIN之關係。(10 分)
三、如圖三所示電路,輸入訊號為 iS(t) = 8t u(t)A,其中 u(t)代表單位步階函數(Unit Step Function),而 i(0) = 2 A。計算 t > 0 時流經電感 L 的電流i(t)。(25 分)
四、請求出圖四所示電路之 Y 參數矩陣。(25 分)