所屬科目:電路分析
二、如圖二,電容之起始電壓為 v2(0-)= 2 V,電感之起始電流為 i1(0-)= 1 A。 以拉普拉斯轉換法求 i1(t)。(20 分)
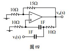
四、求圖四電路的傳輸函數(transfer function)T(s)= vo(s)/ vi(s)。(12 分)此 電路之共振角頻率(resonance angular frequency)及品質因數 Q(quality factor)之值為何?(8 分)