阿摩線上測驗
登入
首頁
>
電路分析
>
107年 - 107 高等考試_二級_電子工程:電路分析#72461
> 申論題
題組內容
五、
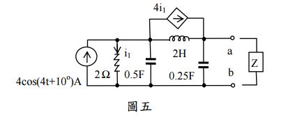
⑵將阻抗 Z 接於 a 與 b 端點,若要把最大功率傳送至阻抗 Z,請問阻抗 值 Z 應設計為多少?(4 分) (皆以極座標表示答案)
相關申論題
⑴試求電壓 v2(t)之微分方程式。(6 分)
#294993
⑵試求 v2(t)的電壓時域解。(14 分)
#294994
二、如圖二,電容之起始電壓為 v2(0-)= 2 V,電感之起始電流為 i1(0-)= 1 A。 以拉普拉斯轉換法求 i1(t)。(20 分)
#294995
⑴請問供應這兩個負載所需的複功率(complex power)是多少?(10 分)
#294996
⑵若此電路工作在60 Hz,若我們希望將這個電路的功率因數修改為0.95 的領先功率因數(lagging power factor),所以將此兩個負載另外並聯 一個電容。請計算此並聯的電容值。(以小數表示答案)(10 分)
#294997
四、求圖四電路的傳輸函數(transfer function)T(s)= vo(s)/ vi(s)。(12 分)此 電路之共振角頻率(resonance angular frequency)及品質因數 Q(quality factor)之值為何?(8 分)
#294998
⑴請畫出圖五 a 與 b 端點間之諾頓等效電路。(16 分)
#294999
四、請求出圖四所示電路之 Y 參數矩陣。(25 分)
#554104
三、如圖三所示電路,輸入訊號為 iS(t) = 8t u(t)A,其中 u(t)代表單位步階函數(Unit Step Function),而 i(0) = 2 A。計算 t > 0 時流經電感 L 的電流i(t)。(25 分)
#554103
(二)如果 A 趨近無限大時,試求出輸出信號 vOUT與輸入信號vIN之關係。(10 分)
#554102
相關試卷
114年 - 114 高等考試_二級_電子工程:電路分析#131585
114年 · #131585
113年 - 113 高等考試_二級_電子工程:電路分析#123077
113年 · #123077
112年 - 112 高等考試_二級_電子工程:電路分析#116739
112年 · #116739
111年 - 111 高等考試_二級_電子工程:電路分析#111029
111年 · #111029
110年 - 110 高等考試_二級_電子工程:電路分析#101936
110年 · #101936
109年 - 109 高等考試_二級_電子工程:電路分析#91508
109年 · #91508
107年 - 107 高等考試_二級_電子工程:電路分析#72461
107年 · #72461
103年 - 103 高等考試_二級_電子工程:電路分析#43107
103年 · #43107
102年 - 102 高等考試_二級_電子工程:電路分析#44000
102年 · #44000
99年 - 99 高等考試_二級_電子工程:電路分析#46290
99年 · #46290