阿摩線上測驗
登入
首頁
>
技檢◆電力電子-甲級
> 114年 - 11600 電力電子 甲級 工作項目 05:電子學 51-96(2025/12/08 更新)#134453
114年 - 11600 電力電子 甲級 工作項目 05:電子學 51-96(2025/12/08 更新)#134453
科目:
技檢◆電力電子-甲級 |
年份:
114年 |
選擇題數:
46 |
申論題數:
0
試卷資訊
所屬科目:
技檢◆電力電子-甲級
選擇題 (46)
51. 如下圖之 MOSFET 電路,若gm=10mA/V,λ =0,則電壓增益
為何?
(A)3.3 (B)7.3 (C)11.3 (D)14.3 。
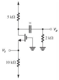
52. 如下圖之放大器,其中 JFET 之g
m
=5MA/V ,若忽略歐萊效應(Earlyeffect)對 JFET 的影響,電容也皆視為理想元件,則此放大器之小信號電壓增益A
v
為何?
(A)3/4 (B)5/6 (C)6/7 (D)7/8 。
53. 如下圖之放大器,若忽略歐萊效應(Early effect)對 FET 的影響,假設FET 之g
m
=10mA/V ,試求此 FET 放大器的電壓增益A
V
為何?
(A)-200 (B)-100 (C)-20 (D)-10 。
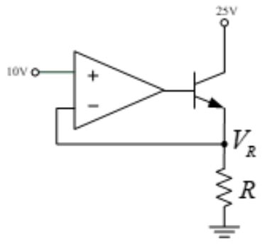
54. 如下圖之電路,其中運算放大器之輸出電流為 2 mA,BJT 之β=99 ,試求電路中的V
R
及R分別為何值?
(A)V
R
=8V,R=2.5Ω (B)V
R
=8V,R=10Ω(C)VR=10V,R=20Ω (D) V
R
=10V,R=50Ω。
55. 如下圖之史密特觸發器(Schmitt trigger),其上臨界電壓 V
p
,及其遲滯電壓 V
H
各為何?
(A)Vp= 0.9 V,V
H
= 1.8 V (B)V
p
= 1 V,V
H
= 2 V (C)V
p
=1.8 V,V
H
= 2.4 V (D)V
p
= 9 V,V
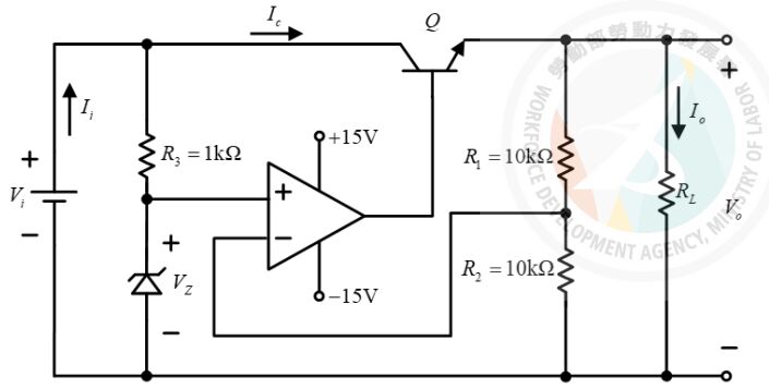
H
= 18 V 。
複選題
56. 單相全波二極體橋式整流濾波電路,下列敘述何者正確? (A)二極體最大反向偏壓為交流電壓的峰值 (B)所有二極體可同時導通 (C)壓抑通電後第一週期電容充電之瞬間大電流,常串聯熱敏電阻 (D)冷開機時,第一週期之瞬間大電流乃由於濾波電容電壓初值幾乎為零 。
複選題
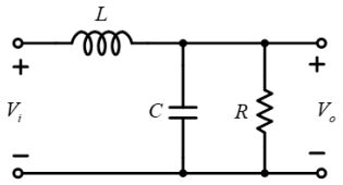
57. 下圖所示電路,下列敘述何者正確?
(A)電感及電容組合功能為高通濾波(B)電感及電容組合功能為低通濾波 (C)電感及電容組合功能為帶通濾波 (D)波德圖(Bode plot)之轉角頻率(corner frequency)為
Hz 。
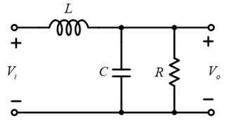
複選題
58. 下圖所示電路,若 L = 12mH,C = 3mF,下列敘述何者正確?
(A)為一階濾波電路 (B)波德圖(Bode plot)之轉角頻率(corner frequency)為 839Hz(C)以漸近線看,波德圖之增益超過轉角頻率後斜率為-40dB/decade (D)以漸近線看,波德圖之增益低於轉角頻率之斜率為-20dB/decade 。
複選題
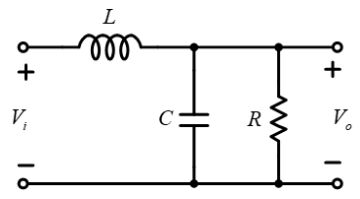
59. 下圖所示電路,若 L = 12mH,C = 3mF,負載 R=10Ω, V
i
=4sin(125.6t)V,下列敘述何者正確?
(A)輸出電壓V
O
峰值約為 4V (B)V
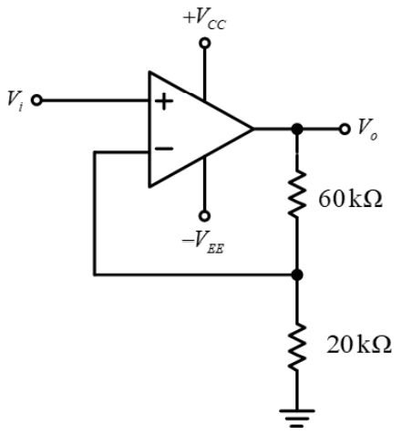
i
與V
O
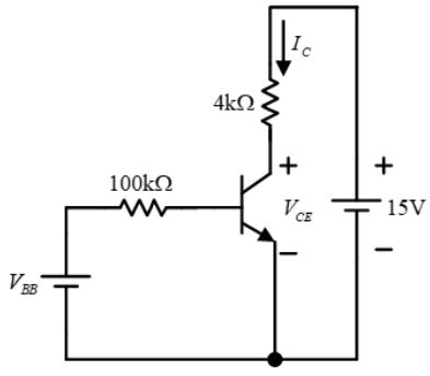
相位相差 180° (C)輸出電壓V
O
峰值約為 2V (D) V
i
與V
O
同相位 。
複選題
60. 下圖所示電路,若 L = 25.4mH,C = 100mF,負載 R=10Ω,v
i
=10sin(62800t)V,下列敘述何者正確?
(A)輸出電壓V
o
峰值約為 1mV (B)V
i
與V
O
相位差約 180° (C)波德圖(Bode plot)之轉角頻率(cornerfrequency)為 100Hz (D)V
i
與V
O
同相位 。
複選題
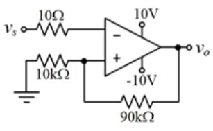
61. 下圖所示電路,若輸入電壓V
i
=1V ,R
1
=10kΩ,R
2
=10kΩ下列何者正確?
(A)V
o
=-10V (B) V
o
/V
i
=-10(C)V
o
/V
i
=11 (D)V
o
=11V 。
複選題
62. 下圖所示穩壓電路,V
i
=100V ,R
I
=200V,V
Z
=20V,R
L
=100Ω若電路欲正常工作,下列敘述何者正確?
(A)齊納二極體功率至少 2W (B)齊納二極體功率至少 4W (C) I
Z
= 200mA (D) I
Z
= 400mA 。
複選題
63. BJT 電晶體當開關使用時,下列敘述何者正確? (A)導通(ON)所需時間主要是對基極與射極間電容充電 (B)截止(OFF)所需時間主要是將基極載子帶出 (C)在基極電阻上並聯電容可以加快速度 (D)截止(OFF)時間約在 0.5秒至 1 秒間 。
複選題
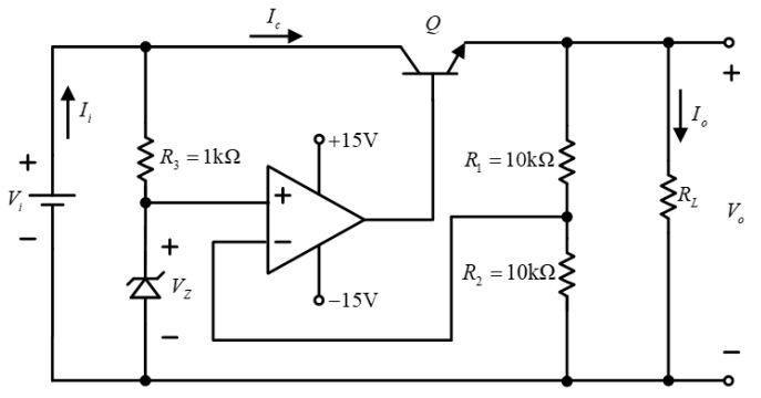
64. 下圖所示穩壓電路,若V
Z
=6V、V
i
=18V、R
L
=12Ω ,下列敘述何者正確?
(A)V
o
≌6V (B)V
o
≌12V(C)電晶體消耗約 6W (D)電晶體消耗約 12W 。
複選題
65. 如下圖所示穩壓電路,下列敘述何者正確?
(A)電晶體為開關功能 (B)可以升壓 (C)電晶體如同可變電阻 (D)輸出電壓與輸入電壓差值愈大效率愈差 。
複選題
66. 有關發光二極體,下列敘述何者正確? (A)PN 接面為負溫度係數,溫度上升電流愈大 (B)不宜直接用電壓源驅動 (C)光通量與電流大小全域範圍均為線性比例 (D)同一型號發光二極體能障電位相同 。
複選題
67. 如下圖所示電阻電路,若每一電阻皆為 1Ω,下列敘述何者正確?
(A)R
AC
=0.615Ω (B)R
AC
=0.83Ω (C)R
AB
=0.583Ω (D)R
AB
=0.785Ω 。
複選題
68. 有關場效應電晶體(FET),下列敘述何者正確? (A)P 通道的電流是由電子流所產生 (B)為電壓控制元件 (C)具有正電阻溫度係數 (D)常用於製作大型積體電路 。
複選題
69. 有關金氧半場效應電晶體(MOSFET),下列敘述何者正確? (A)閘極與源極間的直流電阻接近無窮大 (B)增強型 P 通道與空乏型 N 通道特性完全相同 (C)閘極與通道間一般是隔一層二氧化矽 (D)與增強型比較空乏型在製造上多了離子佈層手續 。
複選題
70. 下圖所示電路,若R=100kΩ,C=10μF、V
i
=2sin(t)V下列敘述何者正確?
(A)微分電路 (B)積分電路 (C)穩態時Vo=-2cos(t)V (D)穩態時Vo=2cos(t)V。
複選題
71. 有關加負回授之放大器,下列敘述何者正確? (A)能提高放大器的頻寬 (B)可提高電路穩定度 (C)可以改變輸入阻抗及輸出阻抗 (D)能增加放大器的電壓增益 。
複選題
72. 下列哪些元素為 N 型半導體常用的摻雜元素? (A)鎵(Ga) (B)磷(P) (C)砷(As) (D)硼( B ) 。
複選題
73. 下列有關矽元素之敘述,何者正確? (A)矽的原子序是 14,其原子核有14 個質子 (B)其能階層 1(最內層)有 4 個電子 (C)其能階層 2(第二層)有 8個電子 (D)在室溫下,純矽晶體是絕緣體 。
複選題
74. 有關單相半波整流器串聯純電阻性負載時,下列敘述何者正確? (A)輸出電壓的漣波頻率即為電源頻率 (B)二極體的峰值反向電壓即為電源的峰值電壓 (C)其輸出電壓平均值約為電源峰值電壓的 0.318 倍 (D)其輸出電壓的漣波因數約為 48.3% 。
複選題
75. 下圖所示電路, V
S
=V
m
sin(ωt)V,則下列敘述何者正確?
(A)V
13
=V
m
(B)V
24
=V
m
(C)V
26
=V
m
(D)V
15
=V
m
。
複選題
76. 下列有關互阻放大器的敘述,何者正確? (A)輸入訊號為電流源 (B)輸出訊號為電壓源 (C)低的輸入阻抗 (D)高的輸出阻抗 。
複選題
77. 下圖所示電路,若二極體的順向壓降為 0.7V,則下列敘述何者正確?
(A)V
ab
=10V(B) V
ab
=-0.7V(C)I
ab
=0mA (D) I
ab
=-0.43mA。
複選題
78. 下列有關 NPN 雙極性接面電晶體(BJT)的敘述,何者正確? (A)其有三個端點,即射極(E)、基極( B )、源極(S) (B)於主動區時,其基射接面是順向偏壓 (C)其為電流控制元件 (D)其於飽和區時可被當作開關來使用 。
複選題
79. 下列有關 N 通道 MOSFET 之敘述,何者正確?
(A)其簡化的電路符號如下圖所示 (B)其工作於飽和區時閘極對源極電壓為正 (C)其為電壓控制元件(D)其工作於飽和區時汲極對源極電壓為負 。
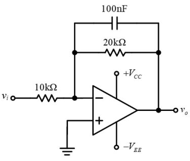
複選題
80. 下圖所示電路中,運算放大器為理想特性,下列敘述何者正確?
(A)直流增益為 0.5 (B)直流增益為-2 (C)-3dB 頻率為 500 rad/s (D)-3dB 頻率為 1000rad/s 。
複選題
81. 下圖所示電路,且運算放大器及二極體為理想元件,下列敘述何者正確?
(A)當 V
i
= 2V 時, V
o
= -5V (B)當V
i
= 4V 時, V
o
= 0V (C)當V
i
= -2V時,V
o
= 0V (D)當 V
i
= -4V 時, V
o
= -10V 。
複選題
82. 下圖所示之運算放大器,其輸入電壓 V
1
=1.2mv,V
2
=1.0mv,其共模互斥比 CMRR =100dB,差動電壓增益A
d
等於輸出電壓增益A
o
為 2×10
5
,下列敘述何者正確?
(A)其差動電壓V
d
=0.2mv (B)其共模電壓V
c
=1.1mv(C)其共模增益A
c
=±4 (D)其輸出電壓Vo=40± 0.022V。
複選題
83. 下圖所示之 BJT 電路,其直流電流增益 β
f
=100,導通之 V
BE
= 0.7V,飽和之 V
CE
= 0.2V,則下列敘述何者正確?
(A)當 V
BB
= 4V 時,電流 I
C
=3.3mA (B)當 V
BB
= 4V 時,電壓 V
CE
= 1.8V (C)當 V
BB
= 6V 時,電流 I
C
=5.3mA (D)當 V
BB
= 6V 時,電壓 V
CE
= 0.2V 。
複選題
84. 某 NPN 電晶體 25°C 時最大的功率消耗 P
D(max)
= 1.2W,其衰減因數是8mW/°C,則下列敘述何者正確? (A)當溫度 75°C 時最大的功率消耗P
D(max)
= 0.8W (B)當溫度 75°C 時最大的功率消耗 P
D(max)
= 1.6W (C)當溫度 55°C,V
CE
= 6V 時,其最大集極電流 I
C
= 160mA (D)當溫度 45°C,V
CE
= 5V 時,其最大集極電流 I
C
= 272mA 。
複選題
85. 有一負回授閉路放大器之開路增益為
,其回授衰減因素β= 0.9,則下列敘述何者正確? (A)其開路低頻增益為 400 (B)其閉路低頻增益約為-1.25 (C)其閉路低頻增益約為 1.108 (D)其閉路頻寬為43.32kHz 。
複選題
86. 下圖所示之運算放大器,其規格表中 Z
in
= 1.8MΩ,Z
out
= 100Ω,開路增益 A
oi
= 20000,則下列敘述何者正確?
(A)其輸入阻抗約為 9GΩ (B)其輸出阻抗約為 0.02Ω (C)其閉路增益為 4 (D)其回授衰減因素β約為0.33 。
複選題
87. 下列關於設計 BJT 放大器時所加之適當偏壓電路,其作用何者正確? (A)阻擋直流成份 (B)輸入信號之附加直流準位 (C)為求適當之工作點 (D)防止信號被整流 。
複選題
88. 在 BJT 放大器的 CB、CE 和 CC 組態中,CC 組態具下列那些特性? (A)最低電流增益 A
i
(B)最高輸出電阻 R
o
(C)最低電壓增益 A
v
(D)最高輸入電阻Ri。
複選題
89. 下列關於 BJT 與 MOSFET 的敘述,何者為正確? (A)BJT 之轉導(transconductance,gm)隨偏流增加而線性上升 (B)MOSFET 之轉導 gm隨偏流增加而上升 (C)BJT 之轉導 g
m
隨 VBE增加而呈指數上升 (D)MOSFET 之轉導 g
m
隨 V
GS
增加而直線上升 。
複選題
90. 下列關於史密特觸發器(Schmitt trigger)的敘述何者正確? (A)屬於一種比較器 (B)可消除雜訊干擾 (C)利用負回授技術 (D)具有 2 個臨界值 。
複選題
91. 有關場效電晶體(FET)之敘述,何者有誤? (A)場效電晶體(FET)只有多數載子移動 (B)輸入阻抗極低 (C)場效電晶體(FET)適合用在積體電路設計 (D)場效電晶體(FET)屬於電流控制元件 。
複選題
92. 如下圖電路中,若運算放大器為理想特性,下列敘述何者正確?
(A)此電路為非穩態多諧振盪器 (B) V
o
波形為三角波 (C) V
o
的頻率可由電阻或電容調整 (D)此電路包含比較器與積分器 。
複選題
93. 以電阻 R、電容 C 及運算放大器組成一個雙穩態多諧振盪器,下列敘述何者正確? (A)運算放大器之輸出電壓為方波 (B)電容 C 上的電壓近似三角波 (C)輸出電壓有 2 種位準 (D)輸出電壓與輸入訊號振幅有關 。
複選題
94. 某運算放大器之輸出電壓在 1 s 內最快變動了 1 V,下列何者正確? (A)轉動率(slew rate)的單位是 V/s (B)轉動率(slew rate)是用來表示輸出電壓響應速率的參數 (C)此運算放大器之轉動率(slew rate)1 V/s (D)在 SR=1V/s 的運算放大器,能夠輸出 1 V
p -p
(峰值對峰值電壓的單位伏特)的信號頻率為 318.4 kHz 。
複選題
95. 共集極(common collector)電路又稱為射極隨耦器,下列敘述何者正確?(A)V
E
隨基極信號電壓變化 (B)I
E
隨 I
C
變化 (C)V
E
隨集極信號電壓變化 (D)輸出信號隨輸入基極信號電壓變化 。
複選題
96. 欲提高 BJT 差動放大器的 CMRR,則下列方法何者正確? (A)加大差動對的共用電阻 R
E
(B)將一 BJT 作為恆流源,加於差動對的 E 極,以獲得高阻值 (C)提高輸入信號 (D)降低差動對的共用電阻 R
E
。
申論題 (0)
相關試卷
114年 - 11600 電力電子 甲級 工作項目 09:裝備測試與檢修 1-17(2025/12/08 更新)#134461
114年 · #134461
114年 - 11600 電力電子 甲級 工作項目 08:電力電子系統與應用 201-224(2025/12/08 更新)#134460
114年 · #134460
114年 - 11600 電力電子 甲級 工作項目 08:電力電子系統與應用 151-200(2025/12/08 更新)#134459
114年 · #134459
114年 - 11600 電力電子 甲級 工作項目 08:電力電子系統與應用 101-150(2025/12/08 更新)#134458
114年 · #134458
114年 - 11600 電力電子 甲級 工作項目 08:電力電子系統與應用 51-100(2025/12/08 更新)#134457
114年 · #134457
114年 - 11600 電力電子 甲級 工作項目 08:電力電子系統與應用 1-50(2025/12/08 更新)#134456
114年 · #134456
114年 - 11600 電力電子 甲級 工作項目 07:程式設計與微電腦應用 1-33(2025/12/08 更新)#134455
114年 · #134455
114年 - 11600 電力電子 甲級 工作項目 06:邏輯與數位系統 1-37(2025/12/08 更新)#134454
114年 · #134454
114年 - 11600 電力電子 甲級 工作項目 05:電子學 1-50(2025/12/08 更新)#134452
114年 · #134452
114年 - 11600 電力電子 甲級 工作項目 04:電工學 101-135(2025/12/08 更新)#134451
114年 · #134451