阿摩線上測驗
登入
首頁
>
技檢◆電力電子-甲級
> 114年 - 11600 電力電子 甲級 工作項目 08:電力電子系統與應用 101-150(2025/12/08 更新)#134458
114年 - 11600 電力電子 甲級 工作項目 08:電力電子系統與應用 101-150(2025/12/08 更新)#134458
科目:
技檢◆電力電子-甲級 |
年份:
114年 |
選擇題數:
50 |
申論題數:
0
試卷資訊
所屬科目:
技檢◆電力電子-甲級
選擇題 (50)
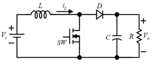
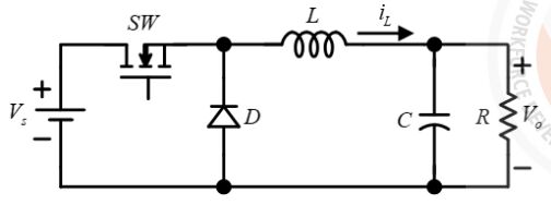
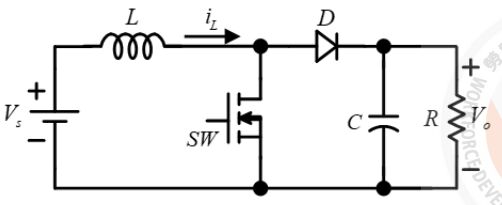
101. 一直流升壓式轉換器之電路如下圖所示,設電路由理想元件組成,並操作於穩定狀態。若開關切換頻率為 100kHz,V
s
=10V,V
o
=20V,R=4Ω,則平均電感電流為多少 A?
(A)20 (B)10 (C)5 (D)1.25 。
102. 一直流升壓式轉換器之電路如下圖所示,設電路由理想元件組成,並操作於穩定狀態。若開關切換頻率為 100kHz,V
s
=10V,V
o
=20V,R=4Ω,L=20μH,若i
L
為連續,則i
L
之最小值為多少 A?
(A)5 (B)6.25 (C)7(D)8.75 。
103. 一直流升壓式轉換器之電路如下圖所示,設電路由理想元件組成,並操作於穩定狀態。若開關切換頻率為 100kHz,V
s
=10V,V
o
=20V,R=4Ω,則使i
L
為連續之最小電感為多少μH?
(A)5 (B)2.5 (C)1.25 (D)1 。
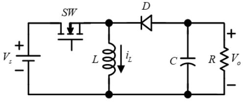
104. 一直流降壓式轉換器之電路如下圖所示,設電路由理想元件組成,並操作於穩定狀態。若開關切換頻率為 100kHz,V
s
=10V,V
o
=20V,R=4Ω,L=100μH,C=25μF,則輸出電壓之峰對峰值漣波ΔV
o
為多少V?
(A)1 (B)2 (C)3 (D)4 。
105. 一直流降壓式轉換器之電路如下圖所示,設電路由理想元件組成。若開關切換頻率為 100kHz,責任週期 d 為 0.5,V
s
= 40V,R=10Ω,L=20μH,V
o
為多少 V?
(A)18.5 (B)20 (C)21.5 (D)30 。
106. 一直流升降壓式轉換器之電路如下圖所示,設電路由理想元件組成,並操作於穩定狀態。若電感電流為連續,開關切換頻率為 100kHz,
,則電壓漣波
為多少%?
(A)1.5 (B)1.0 (C)0.80 (D)0.5 。
107. 一直流升降壓式轉換器之電路如下圖所示,設電路由理想元件組成,並操作於穩定狀態。開關切換頻率為 100kHz,
,則使i
L
為連續之最小電感為多少μH?
(A)2 (B)4 (C)6 (D)8 。
108. 如下圖所示,此功率轉換器為
(A)flyback converter (B)forword converter(C)push-pull converter (D)half-bridge converter 。
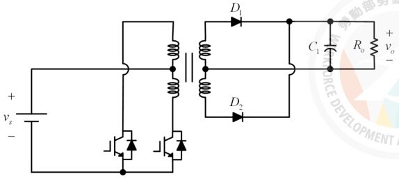
109. 如下圖所示,此功率轉換器為
(A)fyback converter (B)forword converter (C)full bridge converter (D)half-bridge converter 。
110. 如下圖所示,此功率轉換器的主要功能為何?
(A)直流-直流功率轉換 (B)交流-交流功率轉換 (C)直流-交流功率轉換 (D)交流-直流功率轉換 。
111. 如下圖所示,此功率轉換器為
(A)half-bridge converter (B)push-pullconverter (C)forward converter (D)flyback converter 。
112. 如下圖所示,此功率轉換器的主要功能為
(A)交流-交流功率轉換用 (B)三相變頻器用 (C)交流-直流功率轉換用 (D)直流-直流功率轉換用 。
113. 如下圖所示,此功率轉換器為
(A)full-bridge converter (B)half-bridgeconverter (C)flyback converter (D)push-pull converter 。
114. 如下圖所示,其電感 L
1
及電容 C
1
的功能敘述何者正確?
(A)作為變頻器使用 (B)作為整流器用 (C)作為低通濾波器用 (D)作為電流調節器用 。
115. 如下圖所示,此功率轉換器為
(A)forward converter (B)full-bridgeconverter (C)half-bridge converter (D)push-pull converter 。
116. 如下圖所示,下列敘述何者正確?
(A)可將直流電源轉換為三相電源使用(B)此功率轉換器為電流源變頻器 (C)此為交流-交流功率轉換用 (D)此為直流-直流功率轉換器用 。
117. 變頻器之弦式脈波寬度調變(sinusoidal pulse-width modulation)在線性調變之輸出電壓與調變指數的關係為何? (A)輸出電壓與調變指數成反比 (B)輸出電壓與調變指數成正比 (C)輸出電壓與調變指數成平方反比 (D)輸出電壓與調變指數成平方正比 。
118. 如下圖所示,此功能為何?
(A)具有功因校正及昇壓的功能 (B)具有雙向功率轉換器的功能 (C)具有交流-交流功率轉換器的功能 (D)具有單相變頻輸出的功能 。
119. 如下圖所示之升壓型轉換器(boost converter)操作於連續導通模式(continuous conduction mode, CCM),輸入電壓為 10 V,輸出電壓為20V,切換頻率為 100 kHz,且輸出電流為 1 A。試求所需電感值為何?
(A)25 μH (B)15 μH (C)10 μH (D)5 μH 。
120. 如下圖所示之降壓型轉換器(buck converter)操作於連續導通模式(continuous conduction mode, CCM),輸入電壓為 20 V,輸出電壓為 10V,切換頻率為 100 kHz,且電感值為 125 H。若要求輸出電壓漣波率為1%,試求所需輸出電容 C 值為何?
(A)25 μF (B)50 μF (C)10 μF (D)5 μF 。
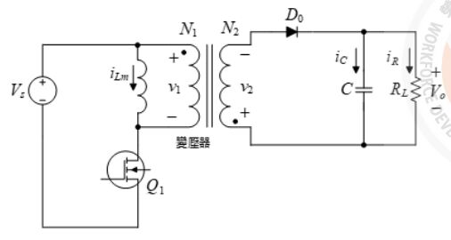
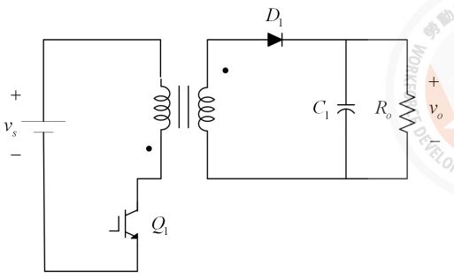
121. 如下圖所示之返馳式轉換器(flyback converter)電路參數為輸入電壓 V
d
=24 V,變壓器匝數比 N
1
/ N
2
= 3.0,變壓器激磁電感值 Lm=500 μH,輸出負載電阻 R = 20Ω ,輸出端電容值 C = 200 μF,切換頻率 fs= 40kHz,輸出電壓 V
o
= 5 V。下列敘述何者正確?
(A)此時責任週期為 0.385(B)此轉換器操作於不連續導通模式(discontinuous conduction mode,DCM) (C)電感器之電流最小值為 95mA (D)此轉換器若要操作於連續導通模式(continuous conduction mode, CCM),則變壓器激磁電感值需滿足L
m
大於 450 μH 。
122. 如下圖所示之功率級電路架構為何者?
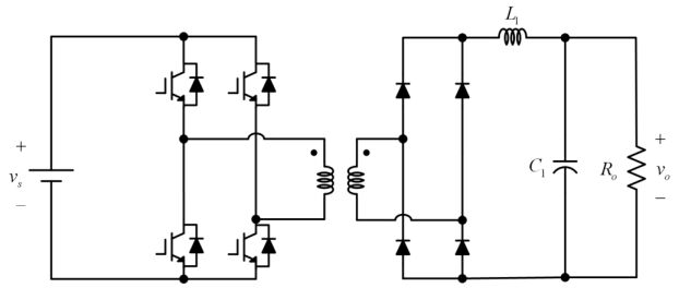
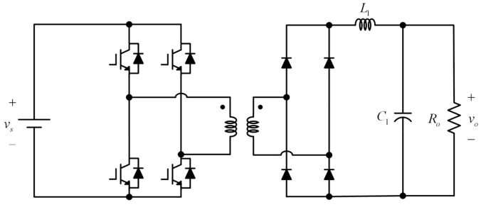
(A)邱克轉換器(Ćuk converter) (B)Zeta 轉換器(Zeta converter) (C)SEPIC(single-ended primary inductanceconverter) (D)Alpha 轉換器(Alpha converter) 。
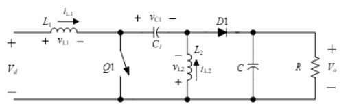
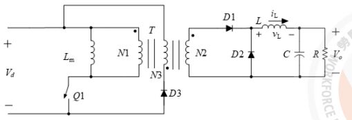
123. 某順向式轉換器(forward converter)之輸入電壓 V
d
= 48 V,輸出負載電阻 R = 10Ω ,電感 L = 0.4 mH,激磁電感 L
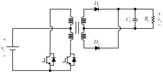
m
= 5 mH,輸出端電容 C =100 μF,切換頻率 f
s
= 35 kHz,匝數比 N1 / N2 = 1.5 且 N1 / N3 = 1,責任週期 d = 0.4,如下圖所示。下列敘述何者正確?
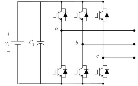
(A)輸出電壓為 14.8V (B)Q1 開關截止後,激磁電感 L
m
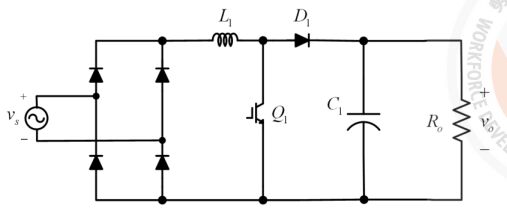
電流歸零之時間為 14 μs (C)此轉換器操作於不連續導通模式(discontinuous conduction mode) (D)電感 L 之電流平均值為 1.28 A 。
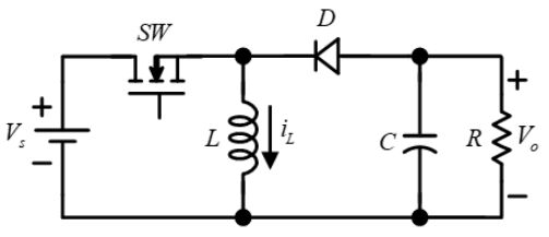
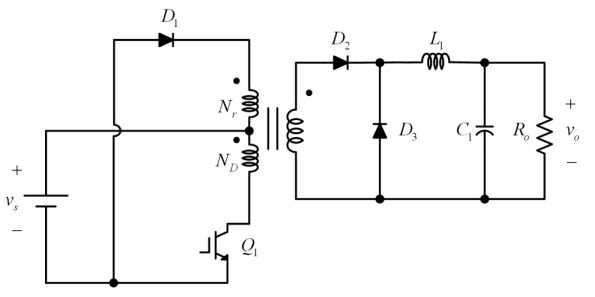
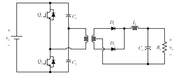
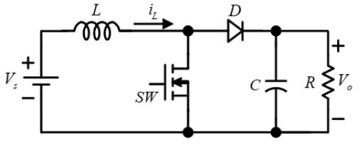
124. 某順向式轉換器(forward converter)如下圖所示,其中輸入電壓 V
d
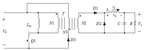
= 12V,輸出負載電阻 R = 8Ω ,電感 L = 4 mH,激磁電感 L
m
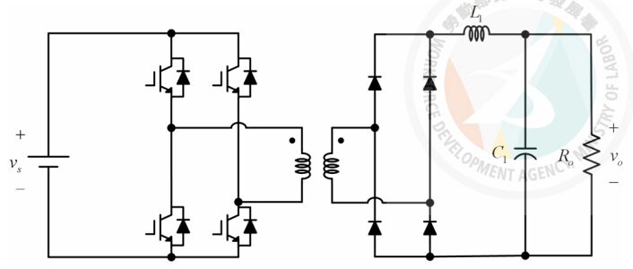
=6 mH,輸出端電容 C = 200 μF,切換頻率 f
s
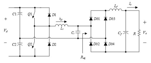
=80 kHz,匝數比 N1 / N2 = 3 且 N1 /N3 = 1,責任週期 d = 0.55。下列敘述何者正確?
(A)此轉換器操作於連續導通模式(continuous conduction mode) (B)此轉換器無法正常工作 (C)輸出電壓為 16.8 V (D)電感 L 之電流平均值為 4 A 。
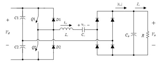
125. 某諧振式轉換器(resonant converter)如下圖所示,其中輸入電壓 V
d
= 12V,電容值 C
r
= 0.1 μF,電感值 L
r
= 10 μH,流經負載電阻 R 之輸出電流 I
o
= 1 A,且切換頻率 f
s
= 100 kHz。下列敘述何者正確?
(A)此轉換器可實現開關 Q1 之零電壓切換(zero voltage switching) (B)輸出電壓約為7.69 V (C)為實現開關之柔性切換(soft switching)功能,應採用調變切換頻率控制方式,切換頻率最高可調至 164 kHz (D)諧振電感電流最大值達4.2 A 。
126. 某諧振式轉換器(resonant converter)如下圖所示,下列敘述何者正確?
(A)為實現開關之柔性切換(soft switching)功能,應調變切換頻率 (B)此轉換器可實現開關 Q1 之零電流切換(zero current switching) (C)開關 D1 僅可實現零電壓切換(zero voltage switching),不可實現零電流切換(zerocurrent switching) (D)開關 D
r
僅可實現零電壓切換(zero voltageswitching),不可實現零電流切換(zero current switching) 。
127. 某諧振式轉換器(resonant converter)如下圖所示,其中輸入電壓 V
d
=20V,電容值 C
r
=0.047 μF,電感值 L
r
=1 μH,流經負載電阻 R 之輸出電流 I
o
=5 A。下列敘述何者正確?
(A)當輸出電壓為 10 V 時,切換頻率需調節為 263 kHz (B)當輸出電壓為 10 V 時,切換頻率需調節為 363 kHz (C)當輸出電壓為 10 V 時,切換頻率需調節為 463 kHz (D)當輸出電壓為 10V 時,切換頻率需調節為 163 kHz 。
128. 某諧振式轉換器(resonant converter)如下圖所示,其中輸入電壓 V
d
=400V,電容值 C
r
=0.64 μF,電感值 L
r
=4 μH,負載電阻 R=7Ω ,切換頻率為 120 kHz。下列敘述何者正確?
(A)此時轉換器可實現開關 Q1 與 Q2之零電流切換(zero current switching) (B)此時開關 D1 與 D2 皆不具柔性切換(soft switching) (C)特性阻抗為 25 (D)諧振角頻率(resonant angularfrequency)等於 625 krad/s 。
129. 某諧振式轉換器(resonant converter)如下圖所示,其中輸入電壓 V
d
= 100V,電容值 C
r
= 0.32 μF,電感值 L
r
= 8 μH,負載電阻 R= 10Ω ,切換頻率為 120 kHz。下列敘述何者正確?
(A)此時轉換器可實現開關 Q1 與Q2 之零電流切換(zero current switching) (B)諧振電感 Lr之感抗約為 0.5(C)輸出電壓約為 60.7 V (D)諧振角頻率(resonant angular frequency)等於62.5 krad/s 。
130. 某諧振式轉換器(resonant converter)如下圖所示,其中輸入電壓 V
d
=100V,電容值 C
r
=0.08 μF,電感值 L
r
=30 μH,負載電阻 R=10Ω,切換頻率為 120 kHz。下列敘述何者正確?
(A)R
eq
為 8.11 (B)輸出電壓為 50.1V (C)此時諧振槽(resonant tank)呈現電容性阻抗 (D)諧振頻率(resonantfrequency)為 120.7 kHz 。
131. 變流器(inverter)之功能,下列何者正確? (A)將交流電轉換為直流電 (B)將直流電轉換為直流電 (C)將直流電轉換為交流電 (D)將交流電轉換為交流電 。
132. 某 MOSFET 功率開關,最大操作接面溫度 T
J max
為 150℃,導通時內部電阻 R
on
為 20 mΩ,耐壓 V
DS
為 40 V,連續的工作電流 I
D
為 10 A,接面到周圍環境(包括散熱器)的熱阻 R
thJA
為 50 K/W,若環境溫度為 25℃,則功率開關的接面溫度,下列何者正確? (A)50℃ (B)100℃ (C)125℃(D)150℃ 。
133. 三相二極體橋式整流器由三相自耦變壓器供電,橋式整流器的線間輸入電壓可以從 0 V 開始變化至 230 V。整流器的輸出連接到直流電動機的分激場繞組,該繞組的電阻為 158Ω。若調整自耦變壓器來產生 1.75 A的激磁電流,則自耦變壓器的輸出電壓有效值(rms)約為何? (A)205 V (B)230 V (C)276.5 V (D)398 V 。
134. 三相全波橋式 SCR 相位控制整流器,三相電源為 50 Hz、220 V,整流器的輸出連接到直流電動機的分激場繞組,該繞組的電阻為 210 Ω。若場電流為 1.1 A,則其激發延遲角α
d
約為何? (A)11° (B)21° (C)39° (D)69° 。
135. 總輸出功率 40 kW 的升壓轉換器,由兩台 20 kW 升壓轉換器交錯構成,輸入電壓為 200 V,要產生 500 V 的輸出直流電壓,開關頻率為 10kHz,若升壓轉換器之電感器 L
1
= L
2
= L = 428.6μH,則此兩相交錯式轉換器輸入電流的峰對峰值漣波電流,下列何者正確? (A)2.69 A (B)9.33A (C)28 A (D)200 A 。
136. 某 180 W 順向式轉換器(forward converter)工作於連續導通模式(CCM)下,輸入電壓為 200 V,輸出電壓為 12 V,開關頻率為 100kHz,磁化電感為 2 mH,若責任週期比(duty ratio)為 0.5,則轉換器之變壓器二次側與一次側的匝數比(N
2
/N
1
),下列何者正確? (A)0.06 (B)0.12 (C)0.5 (D)2 。
137. 如下圖所示之返馳式轉換器(flyback converter)工作於連續導通模式(CCM)下,若責任週期比(duty ratio)為 D,則其輸出電壓(V
o
)與輸入電壓(V
s
)之轉換比(
),下列何者正確?
(A)
(B)
(C)
(D)
。
138. 如下圖所示之三相橋式全波整流電路,三相電源線間電壓為 380 V,若負載電阻為 30Ω,則三相電源之視在功率 S 大小約為何?
(A)2400 VA (B)4813 VA (C)9215 VA (D)11400 VA 。
139. 如下圖所示之三相全波橋式 SCR 相位控制整流器,純電阻性負載,三相電源線間電壓為 220 V、60 Hz,若觸發延遲角為零度,則電源側之功率因數 PF 約為何?
(A)0.5 (B)0.866 (C)0.956 (D)1 。
140. 電力電子轉換器利用高速的功率開關來實現硬切換所產生之效應,下列敘述何者錯誤? (A)功率開關產生高的電壓變化率(dv/dt)和高的共模電壓 (B)會產生接地洩漏電流、軸電壓和軸承電流 (C)會產生傳導性或輻射性電磁干擾 (D)該變換器驅動電動機時對電機的絕緣性能沒有影響 。
複選題
141. 電力電子可控制元件(controlled devices),下列哪些選項正確? (A)功率二極體(diode) (B)雙極性接面電晶體(BJT) (C)金氧半場效電晶體(MOSFET)(D)絕緣閘雙極性電晶體(IGBT) 。
複選題
142. 電力電子電壓驅動元件(voltage drivedevices),下列哪些選項正確? (A)可關斷閘流體(GTO) (B)雙極性接面電晶體(BJT) (C)金氧半場效電晶體(MOSFET) (D)絕緣閘雙極性電晶體(IGBT) 。
複選題
143. 使已經導通 (on) 之 SCR 關閉(turn off)的一般方法敘述,下列哪些選項正確? (A)令陽極與陰極之電壓反向 (B)使陽極電流降至維持電流以下 (C)迫使電流反向流經陽極電路 (D)關掉(off)閘極(gate)之觸發信號源 。
複選題
144. 下圖電路中 SCR 之觸發電壓(trigger voltage)
=0.75V、觸發電流(trigger current)
=7mA 及保持電流(holding current)
=6mA,下列哪些選項正確?
(A)SCR 切斷(off)時之輸出電壓
(B)能觸發SCR 之輸入電壓
大於 7.75V (C)
小於 0.6V 時,SCR 切斷 (D)陽極電流小於 6mA 時,SCR 仍可保持導通 。
複選題
145. 理想的電感器與電容器,在無直流成分穩態週期的電壓與電流操作時,下列哪些選項正確? (A)電感器平均電壓為零 (B)電感器有效電壓為零 (C)電容器平均電流為零 (D)電容器有效電流為零 。
複選題
146. 有一非線性負載,其電流為 i(t)=5+10sin(2π 60t-10°)+2sin(2π180t+5°)A,下列哪些選項正確? (A)電流基本波有效值為 10A (B)總電流有效值為 17A (C)電流平均值為 5A (D)電流總諧波失真(THD
i
)約為 0.735 。
複選題
147. 有一負載之端電壓及電流分別為 v(t)=5+10sin(ω
1
t)+6sin(ω
2
t)V,i(t)=3+5sin(ω
1
t-30°)+4sin(ω
2
t-45°)A,下列哪些選項正確? (A)平均功率約為P
av
=45.14 W (B)電壓總諧波失真約為 THD
v
=0.928 (C)端電流有效值為12A (D)功率因數約為 PF=0.86 。
複選題
148. 有一電力電子負載,其負載端電壓及電流分別為 v(t)=110cos(377t)V,i(t)=8+10cos(377t+30°)+5cos(2×377t+50°)+2cos(3×377t+75°)A,下列哪些選項正確? (A)電流基本波有效值為 10A (B)負載電流之失真因數約為DF=0.657 (C)位移功率因數為 DPF=0.5 (D)負載之功率因數約為 PF=0.57 。
複選題
149. 下圖所示單相半波整流電路具有純電阻負載,
V,下列哪些選項正確
(A)漣波因數約為 1.21 (B)波形因數約為 0.707 (C)二極體 D峰值逆向電壓為 2V
m
(D)輸入功率因數約為 0.707 。
複選題
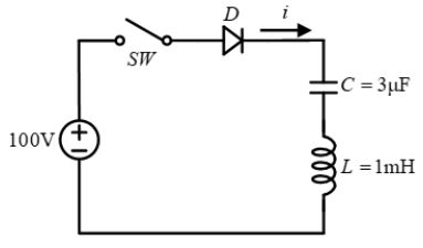
150. 下圖所示之電路,如果圖中的 C 和 L 在開關 SW 閉合之前沒有能量儲存,在 SW 閉合後,下列哪些選項正確?
(A)理想二極體 D 導通時間約為0.285ms (B)電容器在二極體 D 截止以後所充的電壓為 200V (C)電流 ί 的瞬時最大值約為 5.48A (D)電路不停的持續振盪 。
申論題 (0)
相關試卷
114年 - 11600 電力電子 甲級 工作項目 09:裝備測試與檢修 1-17(2025/12/08 更新)#134461
114年 · #134461
114年 - 11600 電力電子 甲級 工作項目 08:電力電子系統與應用 201-224(2025/12/08 更新)#134460
114年 · #134460
114年 - 11600 電力電子 甲級 工作項目 08:電力電子系統與應用 151-200(2025/12/08 更新)#134459
114年 · #134459
114年 - 11600 電力電子 甲級 工作項目 08:電力電子系統與應用 51-100(2025/12/08 更新)#134457
114年 · #134457
114年 - 11600 電力電子 甲級 工作項目 08:電力電子系統與應用 1-50(2025/12/08 更新)#134456
114年 · #134456
114年 - 11600 電力電子 甲級 工作項目 07:程式設計與微電腦應用 1-33(2025/12/08 更新)#134455
114年 · #134455
114年 - 11600 電力電子 甲級 工作項目 06:邏輯與數位系統 1-37(2025/12/08 更新)#134454
114年 · #134454
114年 - 11600 電力電子 甲級 工作項目 05:電子學 51-96(2025/12/08 更新)#134453
114年 · #134453
114年 - 11600 電力電子 甲級 工作項目 05:電子學 1-50(2025/12/08 更新)#134452
114年 · #134452
114年 - 11600 電力電子 甲級 工作項目 04:電工學 101-135(2025/12/08 更新)#134451
114年 · #134451