所屬科目:技檢◆電力電子-甲級
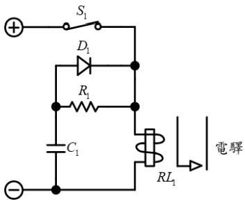
(A) 為用來旁路任何低頻的差模電流 (B) 與 可用來旁路往大地的共模電流 (C) 與 可用來抑制共模電流 (D)此濾波器乃用來消除共模和差模干擾電流 。
(A)瞬間導通 (B)延遲導通 (C)截止導通 (D)間歇導通 。
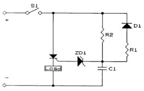
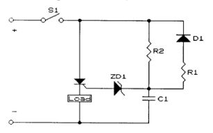
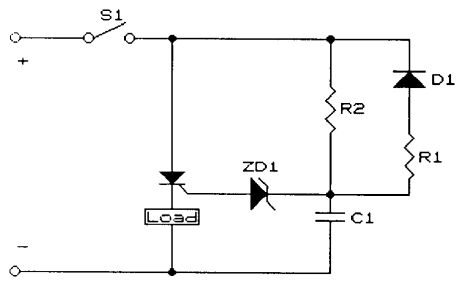
(A)檢知電容 C1 之電位 (B)做閘極限壓之保護 (C)做觸發電路之穩壓保護 (D)吸收湧浪電壓 。
(A)防止逆流衝擊 SCR 閘極 (B)在 SCR導通時提供電容放電 (C)吸收電源之湧浪電壓 (D)抑制閘流體之雜訊 。
(A)限制電容 C1 之放電電流的大小 (B)SCR 導通角之控制 (C)抑制閘流體之雜訊 (D)吸收電源之湧浪電壓 。
(A)只與 C1 之電容量有關(B)只須配合 SCR 之閘極電流 Ig (C)與 R1 之阻值有關 (D)與 C1 電容量及SCR 之閘極電流 Ig 都有關 。
(A)SCR1 為主控開關,SCR2 為輔助觸發開關 (B)並聯電路 (C)SCR2 對 SCR1 之強制換流電路 (D)觸發延遲電路 。
(A)SCR1>SCR2 (B)SCR1<SCR2 (C)SCR1=SCR2 (D)無特定之規則 。
(A)SCR1>SCR2(B)SCR1<SCR2 (C)SCR1=SCR2 (D)無特定之規則 。
(A)以 SCR1 為準(B)以 SCR2 為準 (C)SCR1+SCR2 (D)SCR1-SCR2 。
(A)保護 SCR1 之閘極 (B)保護SCR2 之閘極 (C)限制負載電流 (D)吸收湧浪電壓 。
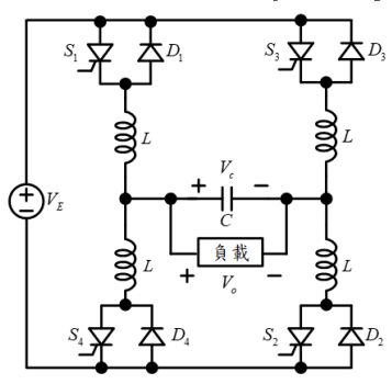
(A)LC 組成諧振電路形成 S1、S2、S3 及 S4 自然換向,不須換向電路 (B)S1 與 S2 一組,S3與 S4 一組,同時觸發導通 (C)導通順序為(S1、S2)(D1、D2)(S3、S4)(D3、D4) (D)輸出電壓 VO峰值為 VE。
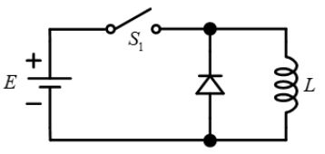
(A)立刻去磁 (B)延遲去磁 (C)立刻激磁 (D)延遲激磁 。
(A)立刻激磁 (B)延遲激磁 (C)立刻去磁 (D)延遲去磁 。
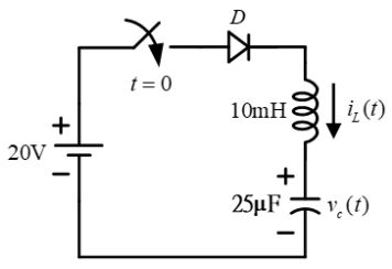
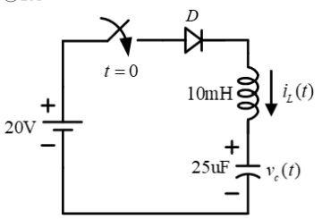
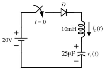
(A)10W (B)15W (C)20W (D)25W 。
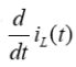
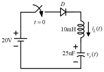
(A)3.14ms (B)6.28ms (C)10ms (D)20ms 。
(A)10A (B)8A (C)6A (D)5A 。
(A)10 (B)20 (C)40(D)80 V。
(A)0.2A (B)0.5A (C)1A(D)2A 。
(A)50 (B)100 (C)1000 (D)2000
(A)0.785 (B)1.57 (C)3.14(D)6.28 。
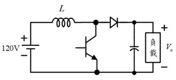
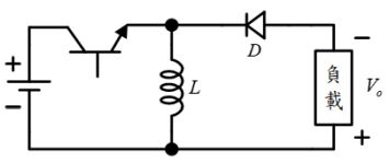
(A)昇壓截波器 (B)降壓截波器 (C)昇壓-降壓截波器 (D)變頻器 。
(A)過大電流變化率 (B)過大電壓變化率 (C)過電流 (D)過電壓 。
(A)120V (B)160V (C)180V (D)200V 。
(A)提升功率電晶體之耐壓 (B)漏電流之旁路 (C)之迴路 (D)之旁路 。
(A)電感性 (B)電容性 (C)電阻性 (D)主動性 。
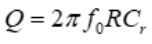
(A)自然頻率(NaturalFrequency)為 (B)特徵阻抗(Characteristic Impedance)(C)品質因數(Quality Factor) (D)當輸入頻率等於自然頻率時,等效阻抗 =R 。