阿摩線上測驗
登入
首頁
>
技檢◆電力電子-甲級
> 114年 - 11600 電力電子 甲級 工作項目 06:邏輯與數位系統 1-37(2025/12/08 更新)#134454
114年 - 11600 電力電子 甲級 工作項目 06:邏輯與數位系統 1-37(2025/12/08 更新)#134454
科目:
技檢◆電力電子-甲級 |
年份:
114年 |
選擇題數:
37 |
申論題數:
0
試卷資訊
所屬科目:
技檢◆電力電子-甲級
選擇題 (37)
1. 1K×8 之 EPROM 有幾條位址線?幾條資料線? (A)8,10 (B)10,8 (C)10,3(D)3,10 。
2. 16 位元 A/D 轉換器的解析度為多少? (A)1/65536 (B)1/65535 (C)1/256 (D)1/255 。
3. 布林函數若
化為最簡式,且以和之積(POS)表示時應為何? (A)
(B)
(C)
(D)
。
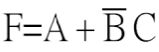
4. 下圖所示之電路,方框中應為何種邏輯閘?
(A)AND (B)OR (C)NOR (D)NAND 。
5. 以二補數的有號數表示法,則 16 個位元所能表示的範圍為何? (A)+65535至-65536 (B)+65536 至-65535 (C)+32768 至-32767 (D)+32767 至-32768 。
6. 要做為可讀寫的記憶體,又想在無電源供應時能繼續保存資料內容,此時應採用下列何者記憶體元件? (A)SRAM (B)DRAM (C)EPROM (D)EEPROM 。
7. 在數位系統中,通常使用下列何種元件與匯流排連接? (A)多工器 (B)正反器 (C)AOI 閘 (D)三態緩衝器 。
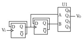
8. 下圖所示之電路,U1 為 2 對 4 解碼器,若 Vi 加入 40kHz 方波信號時,則 V
O
輸出信號之頻率為多少?
(A)20kHz (B)10kHz (C)5kHz (D)2.5kHz 。
9. 二十步計數器至少需要多少個正反器才能組成? (A)2 個 (B)4 個 (C)5 個 (D)20 個 。
10. JK 正反器輸出之下一狀態 Q(t+1)等於 (A)JK (B)
(C)
(D)
。
11. JK 正反器之輸入端若令 K=J,則功能相當於哪一型正反器? (A)RS 型 (B)T 型 (C)D 型 (D)RS 栓鎖器 。
12. 某全加器之被加數為 A,加數為 B,前級進位為 C,則此全加器的進位輸出為 (A)
(B)A⊕B⊕C (C)A⊙B⊙C (D)AB+AC+BC 。
13. 布林函數 F(A,B,C)=Σ(0,2,3,7)可化簡為 (A)
(B)
(C)
(D)
。
14. 布林代數
可簡化為 (A)ABD (B)
(C)BD (D)
。
15. 下列之布林代數運算何者錯誤? (A)
(B)
(C)
(D)
。
16. 布林代數
等於 (A)A⊕B (B)A⊙B (C)
(D)
。
17. 下列十六進位數值何者不屬於偶同位(even parity)? (A)3F (B)E7 (C)41 (D)67 。
18. 十進位數(-34)以二的補數表示時,下列何者正確? (A)10100010 (B)10101110 (C)11011101 (D)11011110 。
19. 下列數位積體電路中,何者之消耗功率最少? (A)TTL (B)CMOS (C)DTL (D)ECL 。
20. 下圖所示電路之輸出 Y 為 1 時,輸入 A、B、C 的組合有幾種?
(A)3 (B)4(C)5 (D)6 。
21. 下圖所示電路之輸出 Y 為
(A)
(B)
(C)
(D)
。
22. 以積體電路(IC)製作差動放大器電路,其射極電阻常以下列何者取代? (A)定電壓源 (B)定電流源 (C)電容 (D)電感 。
23. 下圖所示之 D 型正反器電路,下列輸入及輸出波形何者正確?
(A)
(B)
(C)
(D)
。
24. 下圖所示之電路等效於下列哪一種邏輯閘功能?
(A)
(B)
(C)
(D)
。
25. 不具符號位元的十六進制減法,(A98D)-(80C1)=? (A)29CC (B)28BC (C)28CC (D)29CB 。
26. 下圖所示為一同位元產生器,若
=0,則輸出 P 是屬於
(A)奇同位 (B)偶同位 (C)零同位 (D)複同位 。
27. 下列哪一種邏輯閘的組合可以實現一個半加器? (A)兩個 AND 閘 (B)一個XOR 和一個 AND (C)一個 OR 和一個 AND (D)一個 AND 和一個 NOT 。
複選題
28. 有一布林代數式
,可分別以全及項(minterm)與全或項(maxterm)表示為 (A)
(B)
(C)
(D)
。
複選題
29. 下列哪些為可用來設計數位電路的硬體描述語言? (A)VHDL (B)Verilog (C)C# (D)Python 。
複選題
30. 複雜可程式規劃邏輯元件(CPLD)具有下列哪些特性? (A)特別適合用於實現組合邏輯電路(combinational logic) (B)特別適合用於實現循序邏輯電路(sequential logic) (C)程式儲存於 E2 PROM 或 Flash 記憶體 (D)程式儲存於SRAM 記憶體 。
複選題
31. 正反器(Flip-Flop)的觸發方式有下列哪幾種方式? (A)正緣觸發 (B)負緣觸發 (C)位準觸發 (D)清除觸發 。
複選題
32. 有關 IEEE 754 單精準度浮點數(single-precision floating-point)表示法的敘述,下列何者正確? (A)數值資料長度為 32 位元 (B)指數(exponent)資料長度為 8 位元 (C)指數偏移值(exponent bias)為 128 (D)分數(fraction)資料長度為 23 位元 。
複選題
33. 二進制的數值(10100)
2
轉換不同進制,下列何者正確? (A)(24)
8
(B)(14)
16
(C)(20)
10
(D)(14)
10
。
複選題
34. 八進制的數值(56)
8
,轉換不同進制表示,下列何者正確? (A)(101110)
2
(B)(110101)
2
(C)(2E)
16
(D)(2F)
16
。
複選題
35. 布林(Boolean)函數 F=A+B+C,1 表示高電位,0 表示低電位;下列何者正確? (A)若 A=1,B=1,C=1,則 F=0 (B)若 A=0,B=0,C=0,則F=0 (C)若 A=1,B=0,C=0,則 F=1 (D)若 A=1,B=0,C=0,則 F=0 。
複選題
36. 布林(Boolean)函數 F=A.B.C,1 表示高電位,0 表示低電位;下列何者正確? (A)若 A=0,B=0,C=0,則 F=1 (B)若 A=1,B=1,C=1,則 F=1 (C)若 A=1,B=1,C=0,則 F=0 (D)若 A=0,B=0,C=0,則F=0 。
複選題
37. 有關計數器的設計,下列敘述何者正確? (A)計數器的模數為 6,需 3 個正反器 (B)計數器的模數為 7,需 3 個正反器 (C)計數器的模數為 5,需 2 個正反器 (D)計數器的模數為 6,需 6 個正反器 。
申論題 (0)
相關試卷
114年 - 11600 電力電子 甲級 工作項目 09:裝備測試與檢修 1-17(2025/12/08 更新)#134461
114年 · #134461
114年 - 11600 電力電子 甲級 工作項目 08:電力電子系統與應用 201-224(2025/12/08 更新)#134460
114年 · #134460
114年 - 11600 電力電子 甲級 工作項目 08:電力電子系統與應用 151-200(2025/12/08 更新)#134459
114年 · #134459
114年 - 11600 電力電子 甲級 工作項目 08:電力電子系統與應用 101-150(2025/12/08 更新)#134458
114年 · #134458
114年 - 11600 電力電子 甲級 工作項目 08:電力電子系統與應用 51-100(2025/12/08 更新)#134457
114年 · #134457
114年 - 11600 電力電子 甲級 工作項目 08:電力電子系統與應用 1-50(2025/12/08 更新)#134456
114年 · #134456
114年 - 11600 電力電子 甲級 工作項目 07:程式設計與微電腦應用 1-33(2025/12/08 更新)#134455
114年 · #134455
114年 - 11600 電力電子 甲級 工作項目 05:電子學 51-96(2025/12/08 更新)#134453
114年 · #134453
114年 - 11600 電力電子 甲級 工作項目 05:電子學 1-50(2025/12/08 更新)#134452
114年 · #134452
114年 - 11600 電力電子 甲級 工作項目 04:電工學 101-135(2025/12/08 更新)#134451
114年 · #134451