所屬科目:專科學力鑑定◆專(一、二):電子學
1. 關於共汲極組態,下列敘述何者正確? (A) 低輸入阻抗、高輸出阻抗、高電壓增益 (B) 低輸入阻抗、高輸出阻抗、電壓增益趨近於一 (C) 高輸入阻抗、低輸出阻抗、高電壓增益 (D) 高輸入阻抗、低輸出阻抗、電壓增益趨近於一
2. 關於P型半導體內流動之電流,下列敘述何者正確? (A) 大部分是由自由電子之移動 (B) 大部分是由電洞之移動 (C) 僅有電子之移動 (D) 僅有電洞之移動
3. 如圖(一)所示,若= 6 sinωtV, = 1 V,二極體可視為理想元件,則輸出電壓之 最低值為何?
(A) 1V (B) 2V (C) 3V (D) 4V
4. 使用運算放大器(Operational Amplifier)接出積分電路,至少需要下列哪樣元件? (A) 二極體 (B) 電感 (C) 電阻 (D) 電容
5. BJT(Bipolar Junction Transistor)操作在何種工作區,其C極與E極之電流會相當接近? (A) 飽和區 (B) 作用區 (C) 反向區 (D) 截止區
6. PNP型BJT(Bipolar Junction Transistor)之端點電壓:=4.9V、 =4.2V、 =4.7V, 則BJT操作在何種模式? (A) 作用區 (B) 截止區 (C) 飽和區 (D) 反向截止區
7. 關於稽納二極體(Zener Diode ),下列敘述何者正確? (A) 可當作放大器 (B) 主要是操作於順向偏壓下 (C) 用於穩壓時,必須操作在逆向偏壓下 (D) 不可用於整流
8. 金氧半場效電晶體(MOSFET)可操作於飽和區與三極管區,下列敘述何者正確? (A) 飽和區可當電流源使用;三極管區可當電阻使用 (B) 飽和區可當電阻使用;三極管區可當電阻使用 (C) 飽和區可當電阻使用;三極管區可當電流源使用 (D) 飽和區可當電流源使用;三極管區可當電流源使用
9. 一理想運算放大器(Operational Amplifier),須具備哪些特性? (A) 輸入阻抗無窮大,輸出阻抗無窮大,增益無窮大 (B) 輸入阻抗無窮大,輸出阻抗無窮小,增益無窮大 (C) 輸入阻抗無窮小,輸出阻抗無窮大,增益無窮大 (D) 輸入阻抗無窮小,輸出阻抗無窮小,增益無窮大
10. 無額外參雜的本質矽半導體,在室溫下是否有自由電子與電洞? (A) 有自由電子;有自由電洞 (B) 有自由電子;無自由電洞 (C) 無自由電子;有自由電洞 (D) 無自由電子;無自由電洞
11. 基板效應是哪一種電晶體的特性? (A) 二極體 (B) 雙載子接面電晶體 (C) 金氧半場效電晶體 (D) 閘流體
12. 下列哪一原因是造成金氧半場效電晶體 ( MOSFET )操作在飽和區時,汲極電流會隨著 VDS增加而增加? (A) 通道長度調變 (B) 基板效應 (C) 穿隧效應 (D) 虛短路
13. 下列哪一效應造成雙載子接面電晶體(BJT)操作在主動區時,集極電流會隨著VCE增加 而增加? (A) 歐力效應(Early Effect) (B) 基板效應 (C) 通道調變效應 (D) 集極電流不會變化
14. 下列何種二極體有較小的順向壓降? (A) 發光二極體 (B) 稽納二極體 (C) 蕭特基二極體 (D) 二極體壓降皆相同
15. 如圖(二)所示,此電路的邏輯功能為何?
(A) SR Latch (B) D Latch (C) D Flip -Flop (D) JK Latch
16. 形一方波經過積分器後,會輸出何種波形? (A) 正弦波 (B) 三角波 (C) 方波 (D) 直流
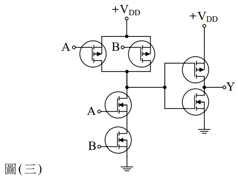
17. 圖(三)的電路邏輯為何?
(A) Y= A+ B (B) (C) Y= AB (D)
18. 關於金氧半場效電晶體(MOSFET),下列敘述何者正確? (A) 當>0時,Drain端有電流導通 (B) 當且<0時,Drain端有電流導通 (C) 當且=0時,Drain端有電流導通 (D) 當且>0時,Drain端沒有電流導通
19. 如圖(四)所示電路,其輸出電壓vo將與何種信號成正比?
(A) v 1 (B) v2 (C) v2+v1 (D) v 2 – v1
20. 如圖(五)所示電路,若v1=4mV,v2=3mV,則為何值?
(A) 60mV (B) 30mV (C) – 30mV (D) – 60mV
21. 關於負回授系統特性,下列敘述何者 錯誤 ? (A) 頻寬增加 (B) 雜訊減少 (C) 失真減少 (D) 增益增加
22. 關於MOSFET的共汲極組態,下列特性何者正確? (A) 輸入阻抗無限大,且輸出阻抗非常小 (B) 可以當作電流緩衝器使用 (C) 可以當作增益放大器使用 (D) 輸入阻抗無限小,且輸出阻抗非常大
23. 如圖(六)所示電路,若BJT之=0.7V,β=100,則約為何值?
(A) 50mA (B) 5mA (C) 0.5mA (D) 0.05mA
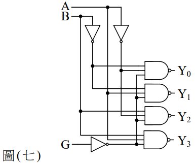
24. 如圖(七)所示電路,當G=0,且A=1,B=0時,則其輸出Y3Y2Y1Y0應為何?
(A) 1101 (B) 1100 (C) 1011 (D) 1010
25. 某一放大器之電壓增益為 100,頻寬為 10 kHz,若利用負回授將頻寬增加為 50 kHz,則 此放大器之電壓增益變為何? (A) 200 (B) 100 (C) 20 (D) 10
26. 關於正回授電路的特性,下列何者正確? (A) 增加系統穩定度 (B) 增加系統頻寬 (C) 產生週期性信號 (D) 降低雜訊干擾
27. 利用運算放大器及RC相移電路來設計振盪器,下列敘述何者 錯誤 ? (A) 產生交流輸出 (B) 回授網路之相移恰為180 ° (C) RC相移形成負回授 (D) 電壓增益 βA=1
28. 如圖(八)所示之放大器,試設計R1及R2值,使電壓增益為–20,且輸入電阻為100kΩ。 完成設計後的R1及R2值應為何?
(A) R1=200 kΩ,R2=2MΩ (B) R1=100 kΩ,R2=4MΩ (C) R1=200 kΩ,R2=1MΩ (D) R1=100 kΩ,R2=2MΩ
29. 關於運算放大器之迴轉率(Slew Rate ),下列敘述何者正確? (A) 迴轉率越小,表示運算放大器反應速度越快 (B) 當運算放大器輸入信號變化時,輸出信號之最小變化率為迴轉率 (C) 迴轉率與輸入電壓振幅成反比 (D) 迴轉率與輸入信號頻率無關
30. 下列何種電路 無法 使用二極體完成? (A) 邏輯電路 (B) 倍壓電路 (C) 波峰波谷偵測電路 (D) 加法電路
31. 關於MOSFET的共閘極組態,下列特性何者正確? (A) 輸入阻抗非常小,且輸出阻抗非常小 (B) 可以當作電流緩衝電路 (C) 可以當作電壓緩衝電路 (D) 輸入阻抗非常大,且輸出阻抗非常小
32. 關於一運算放大器,下列組態排序何者正確? (A) 第一級為共閘極,第二級為共汲極 (B) 第一級為共源極,第二級為共汲極 (C) 第一級為共汲極,第二級為共源極 (D) 第一級為共汲極,第二級為共閘極
33. 關於共閘極,下列敘述何者正確? (A) 高輸入阻抗、高輸出阻抗、可當電流緩衝器使用 (B) 高輸入阻抗、高輸出阻抗、可當電壓緩衝器使用 (C) 低輸入阻抗、高輸出阻抗、可當電流緩衝器使用 (D) 低輸入阻抗、高輸出阻抗、可當電壓緩衝器使用
34. 關於共源極組態,下列敘述何者正確? (A) 高輸入阻抗、高輸出阻抗、低電壓增益 (B) 高輸入阻抗、高輸出阻抗、高電壓增益 (C) 高輸入阻抗、低輸出阻抗、高電壓增益 (D) 高輸入阻抗、低輸出阻抗、低電壓增益
35. 有一BJT之B-E接面為順偏,B-C接面為逆偏,已知 =19mA及=20mA,下列何者 錯誤 ? (A)=1mA (B) β=19 (C) 操作於作用區 (D) α=0.99
36. 共源極組態是因何者原因,而達到電壓增益放大? (A) 較大的輸入阻抗與較小的輸出阻抗 (B) 較小的輸入阻抗與較大的輸出阻抗 (C) 較小的輸入阻抗與較小的輸出阻抗 (D) 較大的輸入阻抗與較大的輸出阻抗
37. 不論史密特觸發器(Schmitt Trigger)之輸入信號為何種波形,其輸出波形皆為: (A) 脈波 (B) 鋸齒波 (C) 正弦波 (D) 三角波
38. 已知雙載子接面電晶體(Bipolar Junction Transistor, BJT)有主動區與飽和區,關於主動區與 飽和區之特性,下列敘述何者正確? (A) 主動區:電阻特性;飽和區:電流源特性 (B) 主動區:電流源特性;飽和區:電阻特性 (C) 主動區:電流源特性;飽和區:電流源特性 (D) 主動區:電阻特性;飽和區:電阻特性
39. 以電阻R、電容C及運算放大器組成一個無穩態多諧振盪器,下列敘述何者 錯誤 ? (A) 運算放大器之輸出電壓為脈波 (B) 電容C上的電壓近似三角波 (C) 輸出電壓有2種位準 (D) 輸出電壓與輸入電壓振幅有關
40. 關於MOSFET的共源極組態,下列特性何者完全正確? (A) 輸入阻抗無限大,且輸出阻抗非常小 (B) 可以當作電壓緩衝器使用 (C) 可以當作電流緩衝器使用 (D) 輸入阻抗無限,且輸出阻抗非常大
41. 關於共集極(Common Collector)組態相較於CB、CE組態之特性,下列敘述何者正確? (A) 輸入電阻Ri最高 (B) 輸出電阻Ro最高 (C) 電壓增益AV最高 (D) 電流增益AI最低
42. 如圖(九)電路架構,若 PMOS 在偏壓下的飽和電流小於 NMOS 在偏壓下的飽和電流,則PMOS 與NMOS 最後會操作在哪一區?
(A) PMOS操作在三級管區; NMOS操作在飽和區 (B) PMOS操作在飽和區; NMOS操作在三級管區 (C) PMOS操作在飽和區; NMOS操作在飽和區 (D) PMOS操作在三級管區; NMOS操作在三級管區
43. 若有一MOSFET,當Source與Body共接時,會產生何種元件在Drain端與Source端之間? (A) 金氧半場效電晶體 (B) 二極體 (C) 雙載子接面電晶體 (D) 閘流體
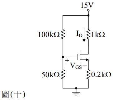
44. 如圖(十)所示電路中,=10mA,則=?
45. 如圖(十一)所示之運算放大器為理想特性,下列敘述何者 錯誤 ?
(A) 之波形為三角波 (B) 此電路可產生週期性信號 (C) 0.1μF電容之電壓波近似三角波 (D) 之頻率可由電阻或電容決定
46. 有一差動放大器之兩端輸入訊號分別為v1=4V、v2=–4V時,其輸出為40V;若輸入改為 v1=3V、v2=1V時,其輸出為10.01V,則此差動放大器之共模拒斥比(CMRR)為何? (A) 30 dB (B) 40 dB (C) 50 dB (D) 60 dB
47. 如圖(十二)所示放大器,其中JFET之 =5mA/V,若忽略歐力效應(Early Effect)對 JFET的影響,電容也皆視為理想元件,則此放大器之小信號電壓增益為何?
(A) 3 / 4 (B) 5 / 6 (C) 6 / 7 (D) 7 / 8
48. 關於史密特觸發器(Schmitt Trigger),下列何者 錯誤 ? (A) 屬於一種比較器 (B) 利用負回授技術 (C) 可消除雜訊干擾 (D) 具有2個臨界值
49. 關於多諧振盪器,下列敘述何者 錯誤 ? (A) 以BJT組成無穩態多諧振盪器,BJT會操作在飽和區與截止區 (B) 單穩態多諧振盪器被觸發時,會產生一個固定寬度的脈波 (C) 無穩態多諧振盪器需另加觸發信號才可工作 (D) 雙穩態多諧振盪器的功能類似正反器
50. 一般差動放大器的差動輸入端是何種組態? (A) 共源極 (B) 共汲極 (C) 共閘極 (D) 無組態