阿摩線上測驗
登入
首頁
>
統測◆(一)電子學、基本電學
> 94年 - 94 二技統測_電機類、電子類_專業科目(一):電子學與電路學#19068
94年 - 94 二技統測_電機類、電子類_專業科目(一):電子學與電路學#19068
科目:
統測◆(一)電子學、基本電學 |
年份:
94年 |
選擇題數:
40 |
申論題數:
0
試卷資訊
所屬科目:
統測◆(一)電子學、基本電學
選擇題 (40)
1. 在矽本質半導體中摻雜磷雜質,則所得材料之多數載子為: (A) 電子 (B) 光子 (C) 質子 (D) 電洞
2. 有一矽半導體在溫度 T = 300
o
K 下,本質載子濃度 ni為 5 × 10
12
cm
-3
,若掺雜五價的雜質, 且雜質濃度為 10
16
cm
-3
,此時電洞濃度為 p,電子濃度為 n,則 p+n 約為: (A) 10
16
cm
-3
(B) 10
8
cm
-3
(C) 5 × 10
12
cm
-3
(D) 5 × 10
4
cm
-3
3. 下列有關稽納 ( Zener ) 二極體之描述,何者正確? (A) 稽納二極體之順向偏壓特性曲線與一般二極體不同 (B) 稽納二極體之逆向偏壓達到崩潰電壓 ( breakdown voltage ) 時即已燒掉燬壞 (C) 稽納二極體是由二個 PN 二極體背對背組合而成 (D) 稽納二極體大都用於穩壓或限流電路
4. 如圖(一)所示電路,二極體之順向導通壓降均為 0.7 V,則 Vo 為:
(A) 2 V (B) -2 V (C) -3 V (D) 3 V
5. N通道增強型MOSFET其臨界電壓 ( threshold voltage ) 為Vth,當V
GS
> Vth且V
DS
≥ V
GS
- V
th
的條件下,其操作範圍為下列何區? (A) 截止區 (B) 飽和區 (C) 歐姆區 (D) 三極管區 ( triode region )
6. 若 N 通道 MOSFET 之參數為 Vth = 1V,W / L = 40,且
,欲得到 飽和區 1mA 之汲極電流 ( drain current ),則元件之轉導值 ( transconductance ) 約為多 少毫安培 / 伏特 (mA/V )? (A) 0.6 (B) 1.0 (C) 1.4 (D) 1.8
7. 如 圖 (二 )所示電路,電晶體參數均為臨界電壓
, 若V1= 5 V 且V2= 2 V,則電晶體M1、M2 與M3 的寬長比(W/L)M1:(W/L)M2:( W / L )M3為:
(A) 2:5:10 (B) 10:5:1 (C) 1:4:16 (D) 1:2:4
8. 如圖(三)所示電路,V
EB
= 0.7 V,熱電壓 V
T
= 26 mV,則小訊號分析之輸入阻抗 Zi 最接 近下列何值?
(A) 15.5 Ω (B) 25.5 Ω (C) 35.5 Ω (D) 45.5 Ω
9. 如圖(四)所示電路,電晶體參數臨界電壓 Vth 均為 1 V,而
,且不 考慮通道長度調變效應 ( channel length modulation effect ),若電晶體 M1 與 M2 均操作在 飽和區,分析小訊號時,電容 C 阻抗視為零,則增益 vo / vi約為:
(A) -2.83 (B) -5.83 (C) -8.53 (D) -28.3
10. 如圖(五)所示的放大器,若電晶體 M1 與 M2 均操作在飽和區且轉導 g
m1
= g
m2
= 100µ A/V, 通道長度調變效應參數λ
1
= λ
2
= 0.01 V
-1
,I
1
= 200 µ A ,I
2
= 100 µ A,則放大器的小 訊號增益 |vo / vi| 約為:
(A) 10 (B) 100 (C) 1000 (D) 10000
11. 下列關於 CMOS 數位電路之敘述,何者錯誤? (A) 將數位電路的操作頻率提高,電路的功率消耗會越大 (B) 將數位電路線路上的雜散電容降低,電路的功率消耗會越小 (C) 將數位電路的操作電壓降低,電路的功率消耗會越大 (D) 降低數位電路的動態功率消耗可提高效率
12. 如圖(六)所示電路,A 與 B 為輸入,vo 為輸出,則此電路可執行何種邏輯函數?
(A) OR (B) AND (C) NOR (D) NAND
13. 有一放大器僅含兩個極點且無零點,高頻極點 fp2 為低頻極點 fp1 的 100 倍,此放大器於 頻率 fp2 的增益大小為 1,則此放大器的相位邊限 ( phase margin ) 約為: (A) 90 度 (B) 60 度 (C) 45 度 (D) 0 度
14. 若有一個放大器的極點與零點,均在 s 平面的左半平面,且在使用時,不將輸出端的訊號 回授到輸入端,試問下列敘述何者正確? (A) 放大器不用加頻率補償電路,就會穩定 (B) 放大器的極點與零點均在 s 平面的左半平面,一定不穩定 (C) 必須將放大器的極點與零點移到 s 平面的右半平面,才會穩定 (D) 不論有無加頻率補償電路,放大器都不會穩定
15. 如圖(七)所示為短路電流增益之等效電路圖,若電晶體參數為 r
π
= 2.6 kΩ,C
π
= 2 pF 及 C
μ
= 0.1 pF,則電路之 3 dB 頻率約為多少赫茲 (Hz )?
(A) 19 MHz (B) 29 MHz (C) 39 MHz (D) 49 MHz
16. 在串聯 -串聯 ( series-series ) 或稱電流取樣 -串聯混合 ( current-sampling,series-mixing ) 組態之負回授電路,若與其未加上回授時比較,則此回授電路之輸入阻抗及輸出阻抗會有 何變化趨勢? (A) 輸入阻抗增加,輸出阻抗增加 (B) 輸入阻抗增加,輸出阻抗減少 (C) 輸入阻抗減少,輸出阻抗增加 (D) 輸入阻抗減少,輸出阻抗減少
17. 如圖(八)所示電路,若運算放大器為理想,則 vo 為:
(A) 3 vi (B) 5 vi (C) 7 vi (D) 9 vi
18. 如圖(九)所示之數位/類比轉換器,若運算放大器為理想,開關 S1 與 S2 切換至端點 1, S3 與 S4 切換至端點 2,則輸出電壓 Vo 為:
19. 如圖(十)所示電路,計算此振盪器的振盪頻率最接近下列何值?
(A) 502 Hz (B) 1052 Hz (C) 1592 Hz (D)2052 Hz
20. 如圖(十一)所示為振盪器之等效電路,其振盪頻率 ω為多少弳 / 秒?
21. 設經過兩端點元件之電流為
,則在此段時間內之電荷 轉移量 ( charge transferred ) 約為多少庫侖 ( C )? (A) 50.8 C (B) 38.1 C (C) 25.4 C (D) 12.7 C
22. 下列有關電感器的描述,何者正確? (A) 將能量儲存於磁場的儲能元件 (B) 電感量為電流除以磁通鏈 (C) 將能量儲存於電場的儲能元件 (D) 電感量為電荷量除以電壓
23. 如圖(十二)所示電路,則 a 與 b 兩端的開路電壓大小為:
(A) 12 V (B) 6 V (C) 3 V (D) 0 V
24. 如圖(十三)所示電路,電流i 為:
(A) 2 A (B) 3 A (C) 4 A (D) 6 A
25. 如圖(十四)所示電路,試求 ab 兩端看入之諾頓 ( Norton ) 等效電路的電流 I
SC
與電阻 R
TH
為:
(A) I
SC
= 12 A、R
TH
= 1 Ω (B) I
SC
= 18 A、R
TH
= 6 Ω (C) I
SC
= 20 A、R
TH
= 3 Ω (D) I
SC
= 24A、R
TH
= 9 Ω
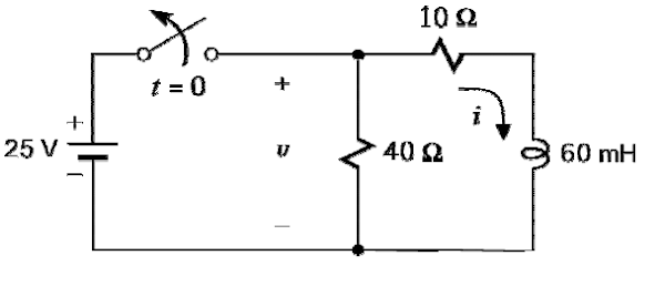
26. 如圖(十五)所示之 RL 電路已達直流穩定狀態,當 t = 0 時開關打開 ( open ),則此電路之 時間常數為多少毫秒 (ms)?
(A) 6 (B) 3 (C) 1.5 (D) 1.2
27. 如圖(十六)所示之 RC 電路已達直流穩定狀態,當 t = 0 時開關閉合 ( close ),令時間 t 的單 位為秒,試求電容器電壓 v (t) 為多少伏特 (V)?
(A) 8 − 9.6 exp(-t /40) (B) 8 − 8.4 exp(-t /40) (C) 8 − 7.2 exp(-t /40) (D) 8 − 0.8 exp(-t /40)
28. 如圖(十七)所示電路,若電容電壓的初值為零,輸入脈衝電流 i(t) =10δ (t) A,試求電容 電壓 v (t) 的脈衝響應為多少伏特 (V)?
(A) v (t) = -20exp(-t) (B) v (t) = 10exp(-t) (C) v (t) = 10 - exp(-t) (D) v (t) = 10( 1 - exp(-t))
29. 變壓器一、二次側之自感均為 1 H,互感為 1 H,在時間 t 為零時,開關閉合,若 i
1
( 0
-
) = i2 ( 0
-
) = 0 A,試求圖(十八)所示電路之轉換式
為:
30. 如圖(十九)所示電路,試求穩態電壓v 的大小約為:
(A) 4.25 V (B) 12.65 V (C) 20.5 V (D) 25 V
31. 如圖(二十)所示電路,若電流源 i(t)= cos( 377t) A,當電路產生最大功率轉移時,負載 Z 的最大功率為:
(A) 0.125 W (B) 0.5 W (C) 1 W (D) 5 W
32. 如圖(二十一)所示電路,電源使用最大值相量表示法,當 ω = 1 弳 / 秒時,試求電阻之電 壓 v 的有效值為多少伏特 (V)?
33. 已知某負載電流 i(t)= 10 + 10sin2t + 10sin6t A,負載兩端電壓 v (t) = 10sin2t V,則負載之 平均功率為: (A) 150 W (B) 100 W (C) 50 W (D) 10 W
34. 兩雙埠網路 N1及 N2的傳輸參數分別為
6 ,若該兩雙埠網 路串接 ( cascade ) 後形成新的雙埠網路,其傳輸參數
,則 A, B, C, D 分別為: (A) A = 20,B = 9,C = 7,D = 11 (B) A = 16,B = 3,C = 5,D = 7 (C) A = 36,B = 18,C = 6,D = 18 (D) A = 54,B = 39,C = 30,D = 24
35. 如圖(二十二)所示之雙埠網路,試求 Z 參數中之
為:
36. 如圖(二十三)所示電路,若 R = 1Ω及 L = 2 H,則其轉移函數 I(s)/V(s) 為:
37. 有一 LC 並聯電路,其電感值為 L,電容值為 C,將此電路操作在
Hz 的頻率 下,試求其阻抗值為:
38. 濾波器轉移函數
,則此電路為何種濾波器? (A) 低通 ( low pass) (B) 高通 ( high pass) (C) 帶通 ( band pass) (D) 拒斥 ( notch)
39. 通訊用窄頻濾波器轉移函數
,則此濾波器之品質因素 ( quality factor ) 為何? (A) 20 (B) 30 (C) 40 (D) 50
40. 如圖(二十四)所示為正回授振盪器之等效電路,當振盪發生時其頻率 ω 為多少弳 / 秒?
申論題 (0)
相關試卷
114年 - 114 四技二專統測_電機與電子群電機類 電機與電子群資電類_專業科目(一):基本電學、基本電學實習、 電子學、電子學實習#126877
114年 · #126877
113年 - 113 四技二專統測_電機與電子群電機、電資類_專業科目(一):基本電學、基本電學實習、 電子學、電子學實習#119627
113年 · #119627
112年 - 112 四技二專統測_電機與電子群電機、電資類_專業科目(一):基本電學(實習)、電子學(實習)#114333
112年 · #114333
111年 - 111 身心障礙學生升學大專校院甄試試題_四技二專組_電機與電子群電機、資電類_專業科目(一):基本電學、基本電學實習、電子學、電子學實習#118902
111年 · #118902
111年 - 111 四技二專統測_電機與電子群電機、電資類_專業科目(一):電子學(含實習)、基本電學(含實習)#107683
111年 · #107683
110年 - 110 四技二專統測_電機與電子群電機類、電機與電子群電資類_專業科目(一):電子學、基本電學#98522
110年 · #98522
109年 - 109 四技二專統測_電機與電子群電機類、電機與電子群資電類_專業科目(一):電子學、基本電學#85155
109年 · #85155
108年 - 108 四技二專統測_電機與電子群電機類、電機與電子群資電類_專業科目(一):電子學、基本電學#79927
108年 · #79927
107年 - 107 四技二專統測_電機與電子群電機類、電機與電子群資電類_專業科目(一):電子學、基本電學#68917
107年 · #68917
106年 - 106 四技二專統測_電機與電子群電機類、電機與電子群資電類_專業科目(一):電子學、基本電學#61702
106年 · #61702