阿摩線上測驗
登入
首頁
>
技師◆結構設計
> 96年 - 96年第二次司法人員檢察事務官營繕工程組#38208
96年 - 96年第二次司法人員檢察事務官營繕工程組#38208
科目:
技師◆結構設計 |
年份:
96年 |
選擇題數:
0 |
申論題數:
6
試卷資訊
所屬科目:
技師◆結構設計
選擇題 (0)
申論題 (6)
【已刪除】一、試繪圖示之鋼筋混凝土柱斷面之軸力-彎矩交互作用曲線(不考慮強度折減因子)。 標示曲線上純軸力、平衡破壞、純彎矩等三點之值。ㄧ根#9 鋼筋截面積為 6.45 cm
2
, 混凝土 f′
c
=280 kgf/cm
2
,鋼筋 f
y
=4200 kgf/cm
2
,鋼筋 E
s
=2.04×10
6
kgf/cm
2
。(25 分)
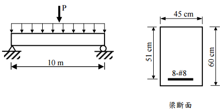
【已刪除】二、圖示為一跨距 10 m 之簡支梁。此梁將承載含自重之靜載重 1.0 tf/m 與活載重 P=10 tf。 試計算梁跨距中點因活載重作用時之瞬時撓度。ㄧ根#8 鋼筋截面積為 5.07 cm
2
,混 凝土 f′
c
=245 kgf/cm
2
,鋼筋 f
y
=4200 kgf/cm
2
,鋼筋 E
s
=2.04×10
6
kgf/cm2 。(25 分)
⑴說明鋼板之層狀撕裂現象與其發生之原因。(8 分)
⑵何謂衝擊韌性?試說明衝擊韌性於鋼材耐震性能之影響。(8 分)
⑶何謂降伏比?試說明降伏比值大小於鋼材耐震性能之影響。(9 分)
【已刪除】四、圖示為一有足夠剪力釘之完全合成梁斷面。試依合成斷面之塑性應力分布,計算此 合成梁之標稱正彎矩強度Mn。鋼梁為 H600×200×11×17( d × b
f
× t
w
× t
f
,mm)之 型鋼,鋼材之 F
y
= 2.5 tf/cm
2
,F
u
= 4.1 tf/cm
2
。混凝土 f′
c
=210 kgf/cm
2
。(25 分)
相關試卷
114年 - 114 專技高考_土木工程技師:結構設計(包括鋼筋混凝土設計與鋼結構設計)#133709
114年 · #133709
114年 - 114 司法特種考試_三等_檢察事務官營繕工程組:結構設計(包括鋼筋混凝土設計與鋼結構設計)#129579
114年 · #129579
113年 - 113 專技高考_土木工程技師:結構設計(包括鋼筋混凝土設計與鋼結構設計)#123949
113年 · #123949
113年 - 113 司法特種考試_三等_檢察事務官營繕工程組:結構設計(包括鋼筋混凝土設計與鋼結構設計)#122119
113年 · #122119
112年 - 112 專技高考_土木工程技師:結構設計(包括鋼筋混凝土設計與鋼結構設計)#117675
112年 · #117675
112年 - 112 司法特種考試_三等_檢察事務官營繕工程組:結構設計(包括鋼筋混凝土設計與鋼結構設計)#116212
112年 · #116212
111年 - 111 專技高考_土木工程技師:結構設計(包括鋼筋混凝土設計與鋼結構設計)#111976
111年 · #111976
111年 - 111 司法特種考試_三等_檢察事務官營繕工程組:結構設計(包括鋼筋混凝土設計與鋼結構設計)#110324
111年 · #110324
110年 - 110 專技高考_土木工程技師:結構設計(包括鋼筋混凝土設計與鋼結構設計)#104169
110年 · #104169
110年 - 110 司法特種考試_三等_檢察事務官營繕工程組:結構設計(包括鋼筋混凝土設計與鋼結構設計)#103219
110年 · #103219