所屬科目:台電◆機械原理
1.依第三角法,請補右側視圖。 (A)(B)(C)(D)
2.依第三角法,已知物體的正投影視圖,試選出其正確的立體圖。 (A)(B)(C)(D)
3. 第三角法又稱第三象限法,其正投影於下列敘述中,何者正確? (A)觀察者、投影面、工件 (B)觀察者、工件、投影面 (C)投影面、觀察者、工件 (D)工件、觀察者、投影面
4.依第三角法,已知前視圖、俯視圖,請選擇正確之右側視圖。 (A)(B)(C)(D)
5. 以平面切割正圓錐,若平面與錐軸垂直,則所切割之面為: (A)圓 (B)橢圓 (C)拋物線 (D)三角形
6. 密閉容器內之流體,加壓於一處,則同時間內可傳達相同大小的壓力於流體的各處,這是根據: (A)虎克定律 (B)巴斯噶原理 (C)波義耳定義 (D)能量不滅定律
7. 有一 100 mm 直徑的管子,已知管內流速為 cm/s,試決定管內體積流量為多少cm³/s? (A) 100 (B) 200 (C) 400 (D) 800
8. 下列哪一種機構不能作間歇運動? (A)日內瓦機構 (B)萬向接頭 (C)凸輪機構 (D)擒縱器
9. 由一連續運動機件直接使另一機件作間歇迴轉運動之機構為: (A)日內瓦機構 (B)比例運動機構 (C)連桿機構 (D)棘輪機構
10. 在四連桿組中,能做360°迴轉之桿稱為: (A)曲柄 (B)滑塊 (C)浮動桿 (D)搖桿
11.如【圖1】Q2A逆時針方向旋轉,轉速為30 rpm, 則A點之速度為多少cm/s? (A) 80 π (B)60 π (C) 40 π (D) 30 π
12. 如【圖2】所示之機構,其機械利益為: (A) 14 (B) 15 (C) 16 (D) 18
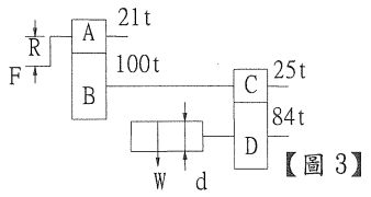
13.如【圖3】所示之起重機輪系,曲柄長R=30 cm, 捲筒直徑d=30cm,今欲吊起重量W=640 kgw之 重物時,曲柄上施力F為多少kgw? (A) 10 (B) 20 (C) 30 (D) 40
14. 一般用於冷卻器,熱交換器等需傳熱部份之管材料為: (A)銅 (B)鋼 (C)鑄鐵 (D)鉛
15. 一般鍋爐用管,其公稱直徑以下列何者表示? (A)內徑 (B)內徑與外徑的平均值 (C)外徑 (D)與真實尺寸無關
16. 凸輪與從動件接觸點之公法線,與從動件運動方向所夾之角稱為: (A)升角 (B)降角 (C)作用角 (D)壓力角
17.如【圖4】所示之速度圖為: (A)等速運動 (B)等加減速運動 (C)簡諧運動 (D)正弦運動
18.如【圖5】之單塊制動器若轉軸之扭矩T=1500 kgw-cm, 輪鼓直徑30cm,摩擦係數µ=0.25,若輪鼓作順時針旋轉則制動作用力F為多少kgw? (A) 104 (B) 94 (C) 86 (D) 76
19. 帶狀制動器之高張力為F₁,低張力為F₂,鼓輪半徑為r,則制動扭力矩為: (A) (F₁+F₂)・r (B) (F₁-F₂)・r (C) F₁F₂r (D) F₂r
20. 兩嚙合外齒輪之齒數分別為30與60,模數為3,則兩齒輪之中心距離為多少mm? (A) 15 (B) 30 (C) 135 (D) 270
21. 一齒輪模數為4,齒數25齒,壓力角20°,則基圓直徑為多少mm? (A) 100 sin20° (B) 25 cos20° (C) 100 cos20° (D) 25 sin20°
22. 兩外接(外切)圓錐形摩擦輪之軸成正交,主動輪之半頂角等於30°,若主動輪旋轉一圈, 則被動輪旋轉多少圈? (A) 0.500 (B) 1.732 (C) 2.000 (D) 0.577
23.如【圖6】周轉輪系,各齒輪齒數分別為 =45,=20,=15,=90, 若=0而=-10 rpm,則為: (A) -55 rpm (B) +55 rpm (C) -10 rpm (D) +10 rpm
24.如【圖7】所示,軸A轉速為10rpm, 則從動件B之轉速為多少rpm? (A) 60 (B) 160 (C) 260 (D) 360
25. 用來減速的輪系,其輪系值之絕對值為: (A)大於1 (B)小於1 (C)等於1 (D)不一定
26. 一對外接圓錐摩擦輪之兩軸交角為75°,若NB=1500 rpm,NA=2121 rpm,則A圓錐摩擦輪 的半頂角為: (A) 45° (B) 30° (C) 15° (D) 60°
27. 腳踏車鏈輪,前齒輪60齒,後齒輪13齒,當前齒輪轉速130 rpm時,後齒輪轉速為多少 rpm? (A) 600 (B) 100 (C) 130 (D) 390
28. 有一動力鏈條之緊邊張力為1500 kgw,平均速度每分鐘15公尺,則所傳遞之馬力為若干PS? (1 PS=75 kgw-m/s) (A) 5 (B) 6 (C) 7 (D) 8
29.如【圖8】,A為主動輪,直徑為300 mm,轉速為3000 rpm c. c. w,B的直徑為900 mm,則B之轉速為: (A) 1000 rpm c. c. w (B) 1000 rpm c. w (C) 2000 rpm c. c. w (D) 2000 rpm c. w
30.一對三階相等塔輪,如【圖9】所示,若主動軸之轉速為 N=200 rpm,從動軸之最低轉速n5=100 rpm,則從動軸其他二階n1與n3之轉速分別為多少rpm? (A) 400,200 (B) 200,400 (C) 200,600 (D) 600,200
31. 圓盤離合器是依靠何種原理來傳達動力? (A)棘爪 (B)熱漲冷縮 (C)摩擦力 (D)地心引力
32. 萬向接頭是利用何種原理產生? (A)螺旋 (B)斜面 (C)槓桿 (D)球體
33. 下列機件何者可以用來儲存能量? (A)凸輪 (B)鍵 (C)齒輪 (D)彈簧
34. 兩螺旋拉伸彈簧之彈簧常數分別為20 N/cm及30 N/cm,將它們串聯後,總彈簧常數應為多 少N/cm? (A) (B)(C) 12 (D) 50
35. 平鍵16×12×50,規格中之「12」是表示平鍵的: (A)高度 (B)寬度 (C)長度 (D)材質
36. 可將輪轂連結在軸上,俾使輪與軸結合成一體,而不使其發生相對迴轉運動者稱為: (A)凸輪 (B)墊圈 (C)軸承 (D)鍵
37. 一螺栓標註 M15×1.5×30,其中1.5代表: (A)螺栓長度1.5 mm (B)螺距1.5 mm (C)螺栓公稱直徑1.5 mm (D)螺紋長度1.5 mm
38. 下列何者通常不是應用於傳達運動之機件? (A)軸 (B)凸輪 (C)齒輪 (D)螺釘
39. 如【圖10】所示之斜面與水平夾角為30°,今欲施加一力P將 置於斜面上重20 kgw之方塊往斜面上方推,若斜面與方塊間 之摩擦係數為0.1,則所需之力P至少為多少kgw? (A) 11.732 (B) 8.268 (C) 18.32 (D) 16.32
40. 下列何者為高對? (A) (B)(C)(D)
41. 一實心軸同時承受彎矩M=8 kgw-m和扭矩 T=6 kgw-m作用,則其等效彎矩應為多少kgw-m? (A) 16 (B) 14 (C) 11 (D) 9
42. 受扭轉之圓軸,剪應力在何處最大? (A)圓心 (B)半徑處 (C)半徑處 (D)圓表面
43. 一懸臂樑在自由端受一集中負荷P,如【圖11】所示, 則此樑之彎矩圖為: (A)(B)(C)(D)
44. 一軸受彎曲力矩產生彎曲狀態,則其中性面上所承受之應力為: (A)零 (B)拉應力 (C)壓應力 (D)剪應力
45. 樑在承受純彎矩(pure bending)狀態下,下列為面積相等,但幾何形狀不同之橫斷面,何者是最佳選擇? (A)(B)(C)(D)
46. 一圓直徑40 cm,則圓面積對以直徑為軸之迴轉半徑為多少cm? (A) 40 (B) 30 (C) 20 (D) 10
47. 質量相等之物體A及B,A之速度為10 m/s,B之速度為15 m/s,則B之動能為A之幾倍? (A) 1.5 (B) 1.75 (C) 2.25 (D) 2.75
48. 有一重量4.9 kgw之物體懸掛於一彈簧下端作簡諧運動,若重物每震動10次要3.14秒,則 靜止時彈簧伸長多少cm? (A) 2.45 (B) 3.27 (C) 4.15 (D) 4.90
49. 如【圖12】所示,兩物體質量分別為M、m,且M>m,繩與滑 輪間的摩擦略而不計,g為重力加速度,則繩之張力T為: (A)(B) (C) (D)
50. 設物體沿半徑為R的圓周運動時,對圓心之角速度為ω,角加速度為a,則該物體之向心加 速度為: (A) Rω (B) Rω² (C) Ra (D) Ra²