阿摩線上測驗
登入
首頁
>
流體力學
> 96年 - 96 高等考試_三級_環境工程:流體力學#34503
96年 - 96 高等考試_三級_環境工程:流體力學#34503
科目:
流體力學 |
年份:
96年 |
選擇題數:
0 |
申論題數:
7
試卷資訊
所屬科目:
流體力學
選擇題 (0)
申論題 (7)
一、有一黏度計係由兩個半徑相差極小的同心圓筒所構成,其內筒可旋轉,兩圓筒之間 隙極小以確保速度分佈為線性。若已知此黏度計之內筒半徑為 7.6 ㎝,高 15.0 ㎝, 間隙 2 ㎜,以 200 轉/分(rpm)旋轉,所需的力矩為 0.021 N‧m,試問此間隙流體 之黏度。(20 分)
【已刪除】二、下圖所示為一靜止之水桶,在水平等加速度 a
x
=2.45 m/s
2
作用下,試求 B 點所受之 水壓?(20 分)
⑴原設計水頭是多少?(10 分)
⑵當水頭不變時,其實際輸水量是多少?(5 分)
⑶若欲輸水量仍為 800 公升/秒,所需之水頭是多少?(5 分)
四、一矩形斷面的渠道中發生水躍,水躍的上、下游水深分別為 y
1
、y
2
,渠道的流量為 Q,渠道寬度為 b,水的密度為 ρ,動力黏滯係數為 µ 及重力加速度 g。試找出此問 題中的無因次参數?(20 分)
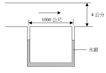
【已刪除】五、無限長水平平板間有一高黏滯性流體受壓緩慢水平流動中,若將水平距離 1000 公尺 處打孔接上連通管並灌入水銀如圖,問兩側水銀柱高差為何?流體比重為 12.6,水 銀比重為 13.6,流體運動黏滯係數為 1 公尺
2
/秒,最大流速為 0.1 公尺/秒。(20 分)
相關試卷
115年 - 115 身心障礙特種考試_三等_水利工程:流體力學#138962
115年 · #138962
114年 - 114 地方政府公務特種考試_三等_水利工程:流體力學#134777
114年 · #134777
114年 - 114 地方政府公務特種考試_四等_水利工程:流體力學概要#134736
114年 · #134736
114年 - 114 專技高考_水利工程技師:流體力學#133675
114年 · #133675
114年 - 114 公務升官等考試_薦任_水利工程:流體力學#133259
114年 · #133259
114年 - 114 普通考試_水利工程:流體力學概要#128762
114年 · #128762
114年 - 114 高等考試_三級_水利工程:流體力學#128749
114年 · #128749
114年 - 114 身心障礙特種考試_三等_水利工程:流體力學#126638
114年 · #126638
113年 - 113 地方政府公務特種考試_三等_水利工程:流體力學#124528
113年 · #124528
113年 - 113 地方政府公務特種考試_四等_水利工程:流體力學概要#124496
113年 · #124496