阿摩線上測驗
登入
首頁
>
高等鋼筋混凝土學與設計
> 96年 - 96 高等考試_二級_土木工程:高等鋼筋混凝土學與設計#38409
96年 - 96 高等考試_二級_土木工程:高等鋼筋混凝土學與設計#38409
科目:
高等鋼筋混凝土學與設計 |
年份:
96年 |
選擇題數:
0 |
申論題數:
4
試卷資訊
所屬科目:
高等鋼筋混凝土學與設計
選擇題 (0)
申論題 (4)
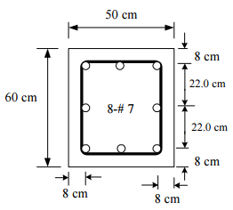
【已刪除】一、一鋼筋混凝土柱斷面如圖, f ′c =280 kgf/cm
2
, f
y
=4200 kgf/cm
2
, 若彎矩作用於 60 cm 方向,依 ACI 318-05 規範,於軸力-彎矩互制圖(P-M interaction diagram)中,求 對應於φ = 0.9(強度折減因子)中最大標稱(nominal)軸力 P
n
及彎矩 M
n
。 註:一支# 7 之截面積為 3.87 cm
2
。(25 分)
二、請問混凝土乾縮(shrinkage)與潛變(creep)之影響因素為何?其對構件之影響如 何?(25 分)
三、請說明影響一鋼筋混凝土斷面延展性之因素。(20 分)
【已刪除】四、一鋼筋混凝土連續梁如圖所示,假設梁斷面於極限狀態時最外一排拉力筋之應變為 0.008,考慮 ACI 318-05 彎矩再分配之規定,求 BC 跨度中央之最大設計彎矩M
u
。 註:ACI 318-05 規範允許負彎矩增減(1000εt)%≤20%。(30 分)
相關試卷
114年 - 114 高等考試_二級_土木工程:高等鋼筋混凝土學與設計#131588
114年 · #131588
113年 - 113 高等考試_二級_土木工程:高等鋼筋混凝土學與設計#123081
113年 · #123081
112年 - 112 高等考試_二級_土木工程:高等鋼筋混凝土學與設計#116765
112年 · #116765
111年 - 111 高等考試_二級_土木工程:高等鋼筋混凝土學與設計#111041
111年 · #111041
110年 - 110 高等考試_二級_土木工程:高等鋼筋混凝土學與設計#101945
110年 · #101945
109年 - 109 高等考試_二級_土木工程:高等鋼筋混凝土學與設計#91545
109年 · #91545
108年 - 108 高等考試_二級_土木工程:高等鋼筋混凝土學與設計#79557
108年 · #79557
107年 - 107 高等考試_二級_土木工程:高等鋼筋混凝土學與設計#72401
107年 · #72401
106年 - 106 高等考試_二級_土木工程:高等鋼筋混凝土學與設計#65185
106年 · #65185
104年 - 104 高等考試_二級_土木工程:高等鋼筋混凝土學與設計#31752
104年 · #31752