阿摩線上測驗
登入
首頁
>
工程力學(含靜力學、動力學與材料力學)
> 96年 - 96-2 警察特種考試_二等_刑事鑑識人員刑事物理組:工程力學#34454
96年 - 96-2 警察特種考試_二等_刑事鑑識人員刑事物理組:工程力學#34454
科目:
工程力學(含靜力學、動力學與材料力學) |
年份:
96年 |
選擇題數:
0 |
申論題數:
6
試卷資訊
所屬科目:
工程力學(含靜力學、動力學與材料力學)
選擇題 (0)
申論題 (6)
【已刪除】ㄧ、有一桿件長 L=10 m,均勻截面積 A=20 cm
2
,彈性模數 E=30×10
5
N/m
2
,桿件下端置放一個彈簧,彈簧常數 k=6×10
3
N/m,現施加 P=1100 N 之力於桿件中央處,假 設未施加 P 力前,彈簧本身並無伸長或縮短,試問施加 P 力後,彈簧受力為何? (20 分)
【已刪除】二、兩個木塊,各自質量為 100 kg 及 300 kg,假設物體間之靜摩擦力係數皆是μS = 0.2, 若欲使質量 300 kg 的木塊向右移動,則需施力 F 的大小若干?(20 分)
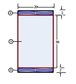
【已刪除】三、如圖所示梁構截面為 T 型,若此截面承受剪力 V=2000 N。試求此截面上最大剪應 力值?(20 分)
【已刪除】四、簡支梁受載重後,發生最大彎矩為 30000
N-
m
,假設此斷面由兩種材料複合,無脫 離問題,其彈性模數分別為 E
1
=10
6
N/m
2
,E
2
=20×10
6
N/m
2
,試求此兩種材料所受 的最大和最小拉應力值。(20 分)
⑴ CD 切斷前。 (10 分)
⑵ CD 切斷後之瞬間。 (10 分)
相關試卷
114年 - 114 專技高考_機械工程技師:工程力學(包括靜力學、動力學與材料力學)#133710
114年 · #133710
114年 - 114 公務升官等考試_薦任_機械工程:工程力學(包括靜力學、動力學與材料力學)#133242
114年 · #133242
114年 - 114 專技高考_專利師(選試專業英文及工程力學)、專利師(選試專業日文及工程力學):工程力學#130105
114年 · #130105
114年 - 114 關務特種考試_三等_機械工程(選試英文):工程力學(包括靜力學、動力學與材料力學)#126623
114年 · #126623
113年 - 113 臺灣菸酒股份有限公司_從業評價職位人員試題_鍋爐:工程力學#132351
113年 · #132351
113年 - 113 專技高考_機械工程技師:工程力學(包括靜力學、動力學與材料力學)#123897
113年 · #123897
113年 - 113 專技高考_造船工程技師:工程力學(包括靜力學、動力學與材料力學)#123895
113年 · #123895
113年 - 113 專技高考_專利師(選試專業英文及工程力學)、專利師(選試專業日文及工程力學):工程力學#122211
113年 · #122211
113年 - 113 關務特種考試_三等_機械工程(選試英文):工程力學(包括靜力學、動力學與材料力學)#119496
113年 · #119496
113年 - 113 臺灣港務股份有限公司_新進從業人員甄試_師級_機械:工程力學(包括靜力電、動力學與材料力學)#118827
113年 · #118827