阿摩線上測驗
登入
首頁
>
工程力學(含靜力學、動力學與材料力學)
> 97年 - 97 原住民族特種考試_三等_機械工程:工程力學(包括靜力學、動力學與材料力學)#38122
97年 - 97 原住民族特種考試_三等_機械工程:工程力學(包括靜力學、動力學與材料力學)#38122
科目:
工程力學(含靜力學、動力學與材料力學) |
年份:
97年 |
選擇題數:
0 |
申論題數:
6
試卷資訊
所屬科目:
工程力學(含靜力學、動力學與材料力學)
選擇題 (0)
申論題 (6)
⑴該梁的剪力 及彎矩圖及
⑵ B 點的轉角。(20 分)
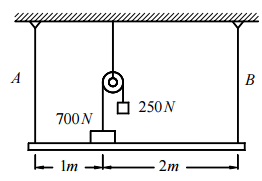
【已刪除】二、一重量為 200 N 的均勻直桿由二條垂直的繩索 A、B 懸吊在如圖所示之水平位置上, 直桿上有一 700 N 的重物,該重物與另一 250 N 的重物經由一繩索懸吊在一滑輪上, 若重力的方向為垂直向下,試求繩索 A、B 所受的張力。(20 分)
【已刪除】三、如圖所示,二個半徑皆為 r = 8 cm、重量皆為 100 N 的均勻圓盤置於二個距離為 a = 24 cm 的垂直壁間。若重力的方向為垂直向下、且所有的接觸面間都沒有摩擦力, 試求圓盤在接觸點 A、B、C 的反力。(20 分)
【已刪除】四、一質量為 50 kg之滑塊受到一如圖所示之繩索拉力P作用,以 2 m/sec
2
的加速度在一斜 面往上滑動。滑塊與斜面間的動摩擦係數μ
k
=0.25,斜面與水平的夾角θ=30°,重 力的方向為垂直向下。若不計細繩、滑輪的質量及滑輪的摩擦力,試求該繩索拉力 P的大小。(20 分)
【已刪除】五、如圖所示,一寬度為 3a厚度為t的等向均質彈性薄板(Isotropic homogeneous elastic thin plate)受均勻拉應力σ
x
作用。該板的楊氏模數(Young’s modulus)為E,包松比 (Poisson’s ratio)為ν。試求在斷面prsq上pr、rs及sq段之斷面的正應力及剪應力。 (20 分)
相關試卷
114年 - 114 專技高考_機械工程技師:工程力學(包括靜力學、動力學與材料力學)#133710
114年 · #133710
114年 - 114 公務升官等考試_薦任_機械工程:工程力學(包括靜力學、動力學與材料力學)#133242
114年 · #133242
114年 - 114 專技高考_專利師(選試專業英文及工程力學)、專利師(選試專業日文及工程力學):工程力學#130105
114年 · #130105
114年 - 114 關務特種考試_三等_機械工程(選試英文):工程力學(包括靜力學、動力學與材料力學)#126623
114年 · #126623
113年 - 113 臺灣菸酒股份有限公司_從業評價職位人員試題_鍋爐:工程力學#132351
113年 · #132351
113年 - 113 專技高考_機械工程技師:工程力學(包括靜力學、動力學與材料力學)#123897
113年 · #123897
113年 - 113 專技高考_造船工程技師:工程力學(包括靜力學、動力學與材料力學)#123895
113年 · #123895
113年 - 113 專技高考_專利師(選試專業英文及工程力學)、專利師(選試專業日文及工程力學):工程力學#122211
113年 · #122211
113年 - 113 關務特種考試_三等_機械工程(選試英文):工程力學(包括靜力學、動力學與材料力學)#119496
113年 · #119496
113年 - 113 臺灣港務股份有限公司_新進從業人員甄試_師級_機械:工程力學(包括靜力電、動力學與材料力學)#118827
113年 · #118827