阿摩線上測驗
登入
首頁
>
結構學
> 98年 - 98 公務升官等考試_薦任_土木工程:結構學#33331
98年 - 98 公務升官等考試_薦任_土木工程:結構學#33331
科目:
結構學 |
年份:
98年 |
選擇題數:
0 |
申論題數:
4
試卷資訊
所屬科目:
結構學
選擇題 (0)
申論題 (4)
【已刪除】一、圖一(a)及圖一(b)顯示兩個由直線桿件構成之結構,桿件交會處均為鉸接。請問它們 是否為穩定結構?如為不穩定結構,請說明不穩定之原因,即可停止作答;如為穩定 結構,請說明它們超靜定的次數 R。R=0 即表示為靜定結構。(25 分)
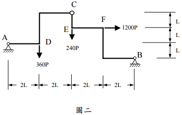
【已刪除】二、設有如圖二所示之結構,A、B 兩點為鉸支承,C 點為鉸接點,其他各點均為剛接。 D、E 兩點分別受到 360P 及 240P 垂直向下之載重作用,F 點受到 1200P 之水平向 右載重作用。試求 A、B 兩點之反力,並請繪製 EF 段之軸向力圖(N-dia)、剪力 圖(V-dia)及彎矩圖(M-dia)。(25 分)
【已刪除】三、設有如圖三所示之結構,AB 與 CD 為兩根平行且位於上下之簡支梁,二梁之斷面 剛度分別為 EI 及 2EI,二梁中點 E、F 有一彈性係數為 k 之彈簧相連接。F 點受到 一垂直向下之 P 力作用。試求彈簧 EF 之內力 Q。(25 分)
【已刪除】四、設有如圖四所示之剛架,B 點為剛接,D、F、H 為鉸接,A、C、E、G 為固定端, 各桿斷面剛度均為 EI。B 點受到水平力 P 作用。試用傾角變位法(slope deflection method)解此剛架,繪製軸向力圖(N-dia)、剪力圖(V-dia)、彎矩圖(M-dia) 與彈性變形曲線。(25 分)
相關試卷
114年 - 114 地方政府公務特種考試_三等_土木工程:結構學#134751
114年 · #134751
114年 - 114 專技高考_結構工程技師:結構學#133714
114年 · #133714
114年 - 114 公務升官等考試_薦任_土木工程:結構學#133255
114年 · #133255
114年 - 114 高等考試_三級_土木工程:結構學#128592
114年 · #128592
113年 - 113 國營臺灣鐵路股份有限公司_從業人員甄試_第8階-助理工程師-土木工程:結構學#137100
113年 · #137100
113年 - 113-2 國營臺灣鐵路股份有限公司_從業人員甄試_第8階-助理工程師-土木工程:結構學#137088
113年 · #137088
113年 - 113-2 國營臺灣鐵路股份有限公司_從業人員甄試_第 9 階-技術員-土木工程:結構學概要#135451
113年 · #135451
113年 - 113 地方政府公務特種考試_三等_土木工程:結構學#124531
113年 · #124531
113年 - 113 專技高考_結構工程技師:結構學#123910
113年 · #123910
113年 - 113 高等考試_三級_土木工程:結構學#121402
113年 · #121402