阿摩線上測驗
登入
首頁
>
工程力學(含靜力學、動力學與材料力學)
> 98年 - 98 原住民族特種考試_三等_機械工程:工程力學(包括靜力學、動力學與材料力學)#38328
98年 - 98 原住民族特種考試_三等_機械工程:工程力學(包括靜力學、動力學與材料力學)#38328
科目:
工程力學(含靜力學、動力學與材料力學) |
年份:
98年 |
選擇題數:
0 |
申論題數:
4
試卷資訊
所屬科目:
工程力學(含靜力學、動力學與材料力學)
選擇題 (0)
申論題 (4)
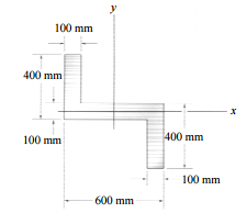
【已刪除】一、如圖所示之梁斷面,試求其通過重心軸之二次矩(moments of inertia)I
x
,I
y
。(25 分)
【已刪除】二、如圖所示之梁,EI=常數。試求 B 點之垂直變位。(25 分)
【已刪除】三、如圖所示之鋼鈑,A點所量測之應變為ε
a
=60×10
-6
,ε
b
=135×10
-6
,ε
c
=264×10
-6
。 如鋼之楊氏模數(Young’s modulus)E
st
=200 GPa,柏松比(Poisson’s ratio) υ
st
=0.3,試求A點之主應力(principal stresses)。(25 分)
【已刪除】四、如圖所示半徑r=300 mm之圓盤向右滾動而無滑動,已知中心O之速度為vo=3 m/s。試 求盤中A點之速度。(25 分)
相關試卷
114年 - 114 專技高考_機械工程技師:工程力學(包括靜力學、動力學與材料力學)#133710
114年 · #133710
114年 - 114 公務升官等考試_薦任_機械工程:工程力學(包括靜力學、動力學與材料力學)#133242
114年 · #133242
114年 - 114 專技高考_專利師(選試專業英文及工程力學)、專利師(選試專業日文及工程力學):工程力學#130105
114年 · #130105
114年 - 114 關務特種考試_三等_機械工程(選試英文):工程力學(包括靜力學、動力學與材料力學)#126623
114年 · #126623
113年 - 113 臺灣菸酒股份有限公司_從業評價職位人員試題_鍋爐:工程力學#132351
113年 · #132351
113年 - 113 專技高考_機械工程技師:工程力學(包括靜力學、動力學與材料力學)#123897
113年 · #123897
113年 - 113 專技高考_造船工程技師:工程力學(包括靜力學、動力學與材料力學)#123895
113年 · #123895
113年 - 113 專技高考_專利師(選試專業英文及工程力學)、專利師(選試專業日文及工程力學):工程力學#122211
113年 · #122211
113年 - 113 關務特種考試_三等_機械工程(選試英文):工程力學(包括靜力學、動力學與材料力學)#119496
113年 · #119496
113年 - 113 臺灣港務股份有限公司_新進從業人員甄試_師級_機械:工程力學(包括靜力電、動力學與材料力學)#118827
113年 · #118827