阿摩線上測驗
登入
首頁
>
結構學
> 98年 - 98 鐵路特種考試_高員三級_土木工程:結構學#34334
98年 - 98 鐵路特種考試_高員三級_土木工程:結構學#34334
科目:
結構學 |
年份:
98年 |
選擇題數:
0 |
申論題數:
4
試卷資訊
所屬科目:
結構學
選擇題 (0)
申論題 (4)
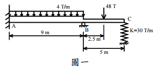
【已刪除】一、圖一之平面梁構架系統,AB桿件長 9 m,承受 4 T/m均佈垂直載重,EI值為 720 T-m
2
, BC桿件長 5 m,中點承受 48 T垂直載重,EI值為 200 T-m
2
,C點下方有一彈性支撐 彈簧,勁度為 30 T/m,試求C點垂直位移量與B點彎矩。(25 分)
【已刪除】二、圖二之平面梁構架系統,EI值均為 200 T-m
2
,AB桿件長 9 m,近右端 3 m承受 1 T/m均 佈垂直載重,BC桿件長 4.5 m,試求C點垂直位移量。(25 分)
【已刪除】三、圖三之平面桁架系統,所有桁架桿件 EA 均相同,A、D 為鉸支承,B 點承受 6 T 垂 直載重,試求所有桁架桿件內力。(25 分)
【已刪除】四、圖四之平面梁構架系統,若載重由上方縱梁(1~5)通過,試求經由橫梁傳至下方 主梁(O~E)A點垂直反力R
A
、B點彎矩M
B
、E點垂直反力R
E
、BC間剪力V
BC
與BC中 點彎矩M
BC
。(25 分)
相關試卷
114年 - 114 地方政府公務特種考試_三等_土木工程:結構學#134751
114年 · #134751
114年 - 114 專技高考_結構工程技師:結構學#133714
114年 · #133714
114年 - 114 公務升官等考試_薦任_土木工程:結構學#133255
114年 · #133255
114年 - 114 高等考試_三級_土木工程:結構學#128592
114年 · #128592
113年 - 113 國營臺灣鐵路股份有限公司_從業人員甄試_第8階-助理工程師-土木工程:結構學#137100
113年 · #137100
113年 - 113-2 國營臺灣鐵路股份有限公司_從業人員甄試_第8階-助理工程師-土木工程:結構學#137088
113年 · #137088
113年 - 113-2 國營臺灣鐵路股份有限公司_從業人員甄試_第 9 階-技術員-土木工程:結構學概要#135451
113年 · #135451
113年 - 113 地方政府公務特種考試_三等_土木工程:結構學#124531
113年 · #124531
113年 - 113 專技高考_結構工程技師:結構學#123910
113年 · #123910
113年 - 113 高等考試_三級_土木工程:結構學#121402
113年 · #121402