阿摩線上測驗
登入
首頁
>
工程力學(含靜力學、動力學與材料力學)
> 98年 - 98 鐵路特種考試_高員三級_機械工程:工程力學(包括靜力學、動力學與材料力學)#34370
98年 - 98 鐵路特種考試_高員三級_機械工程:工程力學(包括靜力學、動力學與材料力學)#34370
科目:
工程力學(含靜力學、動力學與材料力學) |
年份:
98年 |
選擇題數:
0 |
申論題數:
9
試卷資訊
所屬科目:
工程力學(含靜力學、動力學與材料力學)
選擇題 (0)
申論題 (9)
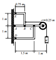
【已刪除】一、如圖所示之構架用繩索在半徑 r = 0.25
m
的滑輪懸吊一重物 W = 500 N。已知 D、E 點為鉸接(hinge)、A 點為滾子(roller),試求 A、D、E 點的反作用力。(20 分)
【已刪除】二、一半徑為 R 質量為 1 kg 的均勻實心圓柱置於一如圖所示之平台上,該平台有一水平 加速度
a
= 6
m/
sec
2
。若圓柱與平台間沒有互相滑動,重力加速度 g = 9.81 m /sec
2
為垂直向下,試求該圓柱的質心加速度及該圓柱與平台間之靜摩擦係數的最小值。 (20 分)
⑴當θ =90
。
時,試求維持靜平衡狀態所需的 P 為何
⑵當 θ = 90
o
,在靜止靜平衡狀態時,將 P 減少為 維持靜平衡狀態所需之 P 的一半,試求當θ 到達60
o
時,該重物的速度及加速度。 (20 分)
⑴彎矩 M 的大小
⑵半徑 R 的大小
及⑶梁的最大應變。(20 分)
⑴試求三條繩索的張 力。若繩索 BC 突然斷掉
⑵試求在繩索 BC 斷掉瞬間繩索 BD 的張力及 A 點的加 速度。(20 分)
相關試卷
114年 - 114 專技高考_機械工程技師:工程力學(包括靜力學、動力學與材料力學)#133710
114年 · #133710
114年 - 114 公務升官等考試_薦任_機械工程:工程力學(包括靜力學、動力學與材料力學)#133242
114年 · #133242
114年 - 114 專技高考_專利師(選試專業英文及工程力學)、專利師(選試專業日文及工程力學):工程力學#130105
114年 · #130105
114年 - 114 關務特種考試_三等_機械工程(選試英文):工程力學(包括靜力學、動力學與材料力學)#126623
114年 · #126623
113年 - 113 臺灣菸酒股份有限公司_從業評價職位人員試題_鍋爐:工程力學#132351
113年 · #132351
113年 - 113 專技高考_機械工程技師:工程力學(包括靜力學、動力學與材料力學)#123897
113年 · #123897
113年 - 113 專技高考_造船工程技師:工程力學(包括靜力學、動力學與材料力學)#123895
113年 · #123895
113年 - 113 專技高考_專利師(選試專業英文及工程力學)、專利師(選試專業日文及工程力學):工程力學#122211
113年 · #122211
113年 - 113 關務特種考試_三等_機械工程(選試英文):工程力學(包括靜力學、動力學與材料力學)#119496
113年 · #119496
113年 - 113 臺灣港務股份有限公司_新進從業人員甄試_師級_機械:工程力學(包括靜力電、動力學與材料力學)#118827
113年 · #118827