所屬科目:一二三等大管輪◆電機電子與自動控制
14. 如果圖 1 的電壓源為 12V ,則電流大小為?其中 RA 為 2 歐 姆、 RB 為 4 歐姆、 RC 為 4 歐姆。 (A) I=10A (B) I=11A (C) I=12A (D) I=13A
27. 三相 Y 接法的電路,若相電壓為 440V ,相電流為 100A ,則 線電流為: (A) 100A (B) (C) (D)
35. 如圖之單相電動機電路,其屬於: (A) 串激式 (B) 電容式 (C) 蔽極式 (D) 推斥式
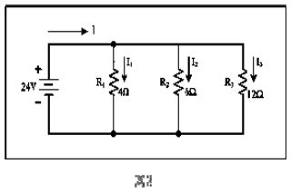
38. 如右圖之電路,若 V=60 伏特, R 1 =R 2 =R 3 =20 Ω ,其總電阻為: (A) 20 Ω (B) 30 Ω (C) 40 Ω (D) 60 Ω
41. 三相 Δ 接法的電路,若線電壓為 440V ,線電流為 100A ,則相電壓為: (A) 440V (B) (C) (D)