所屬科目:一二三等大管輪◆電機電子與自動控制
1. 如下圖之電路,若 V=60 伏特, R 1 =R 2 =R 3 =20 Ω ,通過 R 1 之 電流為: (A) 3A (B) 2A (C) 2/3A (D) 1A
2. 若一交流電壓之方程式為: V(t) = V m sin(2 π ft ) ,其中 V m 為 電壓之峯值 (peak value) , f 為頻率,則該電壓之有效值為: (A) (B) (C) (D)
7. 若電感器之電感值為 L ,通過電壓 V 頻率 f 之交流電,其電感 抗 XL 之大小及電壓電流之相位關係為: (A) =2 π fL ,電流 落後電壓 90 度 (B) =2 π fL ,電壓 落後電流 90 度 (C) =1/(2 π fL ) , 電流落後電壓 90 度 (D) =1/(2 π fL ) , 電壓落後電流 90 度
17. 三相 Y 接法的電路,若線電壓為 440V ,線電流為 100A ,則相電壓為: (A) 440V (B)(C) (D)
20. 如圖所示為之發電機的何種儀表電路? (A) 接地指示燈 (B) 同步指示燈 (C) 電源指示燈 (D) 電壓表
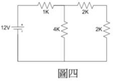
27. 在圖四中的總電源所輸出的電流值為多少? (A) 2mA (B) 3mA (C) 4mA (D) 5mA
38. 試求圖 5 之等效電阻 R 。 (A) R=10 Ω (B) R=11 Ω (C) R=12 Ω (D) R=13 Ω