阿摩線上測驗
登入
首頁
>
工程力學(含靜力學、動力學與材料力學)
> 99年 - 99 專技高考_專利師:工程力學#36106
99年 - 99 專技高考_專利師:工程力學#36106
科目:
工程力學(含靜力學、動力學與材料力學) |
年份:
99年 |
選擇題數:
0 |
申論題數:
7
試卷資訊
所屬科目:
工程力學(含靜力學、動力學與材料力學)
選擇題 (0)
申論題 (7)
⑴構件 AB、 AC、 AD EB EC ED BC CD DB 、 、 以及 具有相等的內力,以及
⑵構件 、 以及 亦具有相等的內力。若 重力作用可忽略不計,試求每一構件的內力應各為若干?(20 分)
【已刪除】二、如下圖所示,圓柱C 係由驅動輪 A帶動旋轉。滾輪 和圓柱C 的內表面保持接觸,並 以自由狀態旋轉。同樣地,和圓柱C 的外表面保持接觸的滾輪 亦以自由狀態旋轉。 設若當圓柱C 保持在靜止狀態時,驅動輪 B D A的角加速度為 α A = (0.3t
2
) rad/ s
2
,試求當 時間t = 5 s時滾輪B的角速度為若干?(20 分)
⑴作用在機車的後輪 B 點處的最小驅動力FB為若干?(10 分)
⑵機車的後輪作用在地面的正向力為若干?(10 分)
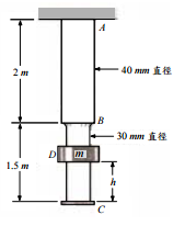
【已刪除】四、一質量為 35 kg 的軸環 以靜止狀態由如下圖所示的位置自由釋放後,被一設置在 垂桿 D ABC 末端C 的平板所止住。已知垂桿 ABC 為均質,其彈性模數E = 200 GPa, AB部分的直徑為40 mm,BC部分的直徑為30 mm。若垂桿產生的最大軸向應力為 250 MPa,試求距離h應為多少?(20 分)
【已刪除】五、如下圖所示,假設質點Q係受到平面應力( σz= τ
zx
= τ
zy
= 0) 的作用,且其應力狀態 可為作用在一立體元素的應力分量σ
x
,σ
y
及 τ
xy
所定義。試繪出對應於如圖所示之 平面應力狀態的莫耳圓,並以應力分量σ x、σ y 及 τ
xy
定義莫耳圓的圓心位置座標、 最大主應力值及最大主應力方向和 x 軸所成的夾角。(20 分)
相關試卷
115年 - 115 關務特種考試_三等_機械工程(選試英文):工程力學(包括靜力學、動力學與材料力學)#138918
115年 · #138918
114年 - 114 專技高考_機械工程技師:工程力學(包括靜力學、動力學與材料力學)#133710
114年 · #133710
114年 - 114 公務升官等考試_薦任_機械工程:工程力學(包括靜力學、動力學與材料力學)#133242
114年 · #133242
114年 - 114 專技高考_專利師(選試專業英文及工程力學)、專利師(選試專業日文及工程力學):工程力學#130105
114年 · #130105
114年 - 114 關務特種考試_三等_機械工程(選試英文):工程力學(包括靜力學、動力學與材料力學)#126623
114年 · #126623
113年 - 113 臺灣菸酒股份有限公司_從業評價職位人員試題_鍋爐:工程力學#132351
113年 · #132351
113年 - 113 專技高考_機械工程技師:工程力學(包括靜力學、動力學與材料力學)#123897
113年 · #123897
113年 - 113 專技高考_造船工程技師:工程力學(包括靜力學、動力學與材料力學)#123895
113年 · #123895
113年 - 113 專技高考_專利師(選試專業英文及工程力學)、專利師(選試專業日文及工程力學):工程力學#122211
113年 · #122211
113年 - 113 關務特種考試_三等_機械工程(選試英文):工程力學(包括靜力學、動力學與材料力學)#119496
113年 · #119496