所屬科目:一二三等大管輪◆電機電子與自動控制
2. 如果圖 2 的電壓源為 12V ,則流過 RA 的電流為?其中 RA 為 2 歐姆、 RB 為 4 歐姆、 RC 為 4 歐姆。 (A) I=2.2A (B) I=1.1A (C) I=1.2A (D) I=1.3A
6. 下列對於電容性電路的敘述何者正確? (A) 相位關係為電壓 落後電流 90 度 (B) 電容的平均功率不為零 (C) 電感的實功率為 (D) 電感的虛功率為 IXC
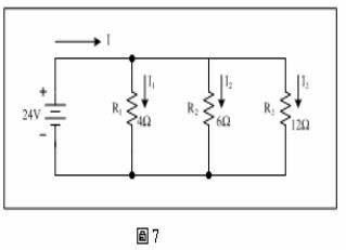
15. 圖 7 為一並聯電路,試求總電流。 (A) I=10A (B) I=11A (C) I=12A (D) I=13A
31. 下圖之電路, V=30 伏特, R 1 =15 Ω , R 2 =30 Ω , R 3 =10 Ω , 其戴維寧等效電壓為: (A) 10 伏特 (B) 15 伏特 (C) 20 伏特 (D) 40 伏特
32. 三相 Y 接法的電路,若線電壓為 440V ,線電流為 100A ,則 相電流為: (A) 100A (B) (C) (D)
37. 如圖所示為之發電機的何種儀表電路? (A) 頻率計 (B) 功率計 (C) 逆電力繼電器 (D) 同步指示儀
38. 三相感應電動機若使用自耦變壓器進行降壓起動,若降壓 比為 1/2 ,則其起動轉矩為全電壓起動轉矩的 (A) 1/4 (B) 1/2 (C) (D) 1/8
44. 三相 Δ 接法的電路,若線電壓為 440V ,線電流為 100A ,則 相電壓為: (A) 440V (B) (C) (D)
49. 三相感應電動機若使用 Y- Δ 起動電路,其起動電流為全電壓 起動電流的 (A) (B) 1/3 (C) (D) 1/2