阿摩線上測驗
登入
首頁
>
一二三等大管輪◆電機電子與自動控制
> 99年 - 99-1 交通部航港局_船員岸上晉升訓練及適任性評估_一等大管輪:電機電子與自動控制(新增)#99531
99年 - 99-1 交通部航港局_船員岸上晉升訓練及適任性評估_一等大管輪:電機電子與自動控制(新增)#99531
科目:
一二三等大管輪◆電機電子與自動控制 |
年份:
99年 |
選擇題數:
50 |
申論題數:
0
試卷資訊
所屬科目:
一二三等大管輪◆電機電子與自動控制
選擇題 (50)
1. 以下何者為電能消耗之計量單位? (A) 仟瓦 (B) 伏 - 安 (C) 仟瓦 - 小時 (D) 焦耳 - 小時
2. 若一線圈內出現磁通變化,線圈終將產生電動勢以反抗磁 通之變化,此原理稱為: (A) 電磁效應 (B) 法拉第定律 (C) 楞次定律 (D) 克希荷夫電流定理
3. 下列那一項目不是變壓器應有的損失? (A) 銅損 (B) 磁滯損 (C) 渦流損 (D) 機械損
4. 兩發電機並聯運轉時,若發現兩發電機之功率因數表之讀 數有差異,其顯示: (A) 電壓有差異 (B) 相位有差異 (C) 頻率有差異 (D) 相序有差異
5. 當發電機已達同步時,同步指示燈的狀態為: (A) 頂端的燈滅,底 部兩燈亮 (B) 頂端的燈亮,底 部兩燈滅 (C) 三燈均亮 (D) 三燈均滅
6. 蓄電池充電時,會釋放出的氣體為: (A) 氫及硫酸蒸汽 (B) 氫及水蒸汽 (C) 氫及氧 (D) 氧及水蒸汽
7. 以下何種控制例是屬於開路控制﹝ Open loop control ﹞? (A) 柴油引擎的轉速 控制 (B) 鍋爐之水位控制 (C) 缸套冷卻水之溫 度控制 (D) 飲水機之定時殺 菌控制
8. 在發電機的電壓控制系統中,激磁機( exciter )是屬於: (A) 檢測部 (B) 比較部 (C) 控制部 (D) 操作部
9. 在鍋爐水位控制系統中,給水控制閥是屬於: (A) 檢測部 (B) 比較部 (C) 控制部 (D) 操作部
10. 將機械能轉為電能的設備是? (A) 發電機 (B) 電池 (C) 太陽能板 (D) 以上皆非
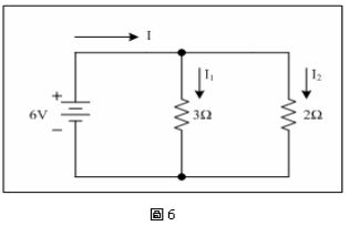
11. 試求圖 6 之總電流 I 。
(A) I=4A (B) I=5A (C) I=6A (D) I=7A
12. 在串聯的理想 RLC 電路中,會消耗電能的元件是? (A) 電阻 (B) 電容 (C) 電感 (D) 以上均是
13. 船上的用的設備絕大部分是屬於哪一種 RLC 等效電路,而 造成功率因數降低: (A) 電阻性電路 (B) 電感性電路 (C) 電容性電路 (D) 不一定
14. 交流電路中功率因數不為 1 的原因是? (A) 電路中存在著耗 能元件 R (B) 電路中存在著相 位問題 (C) 電流是正弦交變 的 (D) 電路中存在著 LC 儲能元件
15. 在變動磁場中運動的現圈導體會感應出電壓,其電壓大小 與線圈圈數成正比,與單位時間內的磁通量變化率成正 比。上述的定理是? (A) 安培定理 (B) 法拉第定理 (C) 楞次定理 (D) 佛來明定理
16. 電機設備絕緣電阻之測量,應使用下列何種儀器? (A) 接觸電阻測定器 (B) 磁通計 (C) 轉速計 (D) 高阻計
17. 如果負載變化劇烈,何種設備可以有效維持發電機輸出電 壓? (A) 自動電壓調整器 (B) 自動頻率調整器 (C) 自動相位調整器 (D) 自動負載跳脫保 護裝置
18. 感應電動機之速率是由什麼決定的 (A) 頻率與極數 (B) 負載 (C) 電源電壓 (D) 直流激磁
19. 用來計算設定值與實際輸出的差值的機構是? (A) 檢測器 (B) 比較器 (C) 操作器 (D) 控制器
20. 三相變壓器如果有某一相故障時,其接線方式可以使用 (A) △-△ (B) △- Y (C) V - V (D) V - Y
21. 若三相交流發電機之實功率為 350KW ,電壓為 440 伏特, 使用之線電流為 750 安培時,其負載之功率因數 PF 為: (A) (350×1000)/(3×440×750) (B) (350×1000)/( √ 3 ×440×750) (C) (350×1000)/( √ 2 ×440×750) (D) (350×1000)/(440 ×750)
22. 通電的導線,四周會有磁場存在,此現象稱為: (A) 電磁效應 (B) 法拉第定律 (C) 楞次定律 (D) 克希荷夫電流定 理
23. 三相 Δ 接法的電路,若相電壓為 440V ,相電流為 100A ,則 線電壓為: (A) 440V (B) 440/ √ 2V (C) 440/ √ 3V (D) 440 √ 3V
24. 若三相同步發電機之極數為 6 極,旋轉轉速為 1100RPM , 其產生之電源頻率為: (A) 55Hz (B) 58Hz (C) 60Hz (D) 62Hz
25. 如果交流同步發電機的磁場之剩磁為零,則發電機起動後 其反應為: (A) 發電機電壓建立 的速度很緩慢 (B) 發電機電壓不足 頻率亦不足 (C) 發電機的電壓正 常但頻率不足 (D) 發電機的電壓為 零
26. 交流同步發電機的電樞電流變化時,將造成激磁的磁通增 加或減少之效應稱為: (A) 霍爾效應 (B) 電樞反應 (C) 負載效應 (D) 磁通反應
27. 蓄電池充完電時,其正極板為: (A) 鉛絨 (B) 硫酸鉛 (C) 過氧化鉛 (D) 氧化鉛
28. 以下何種控制例是屬於開路控制﹝ Open loop control ﹞? (A) 燃油淨油機之定 時沖洗控制 (B) 燃油淨油機之油 溫控制 (C) 缸套冷卻水之溫 度控制 (D) 柴油引擎的轉速 控制
29. 在柴油引擎的轉速控制系統中,感測器( sensor )是指: (A) 柴油機 (B) 轉速量測單元 (C) 調速器 (D) 燃油噴射泵浦的 油量調節機構
30. 在壓縮空氣之起動 - 停止控制系統中,其控制器( controller )為: (A) 空氣壓縮機 (B) 氣壓調壓閥 (C) 壓力開關 (D) 空氣瓶
31. 下列何者可以主動提供電能? (A) 電阻 (B) 電感 (C) 電容 (D) 發電機
32. 電阻的阻值與導電材料的直徑有關,一般而言在相同的材 質與長度條件下,線材質截面直徑越大則電阻阻值: (A) 越小 (B) 越大 (C) 不變 (D) 不一定
33. 在交流轉換為直流的電源電路中並聯電容可以產生_____ 作用? (A) 分流 (B) 分頻 (C) 分壓 (D) 穩壓
34. 在純電感電路中,電壓與電流的關係為? (A) 電壓超前電流 90 度 (B) 電流超前電壓 90 度 (C) 電壓超前電流 45 度 (D) 電流超前電壓 45 度
35. 感抗的大小與頻率成 ________ ? (A) 正比 (B) 反比 (C) 不成比例 (D) 以上皆非
36. 在船上所使用的負載設備如果功率因數偏低,則應如何處 理? (A) 增加電源供應 (B) 減少電源供應 (C) 並聯電容性元件 (D) 並聯電感性元件
37. 要改善變壓器中的渦流損失最好的方法是? (A) 增加單位體積中 的矽鋼片數目 (B) 增加繞線數目 (C) 增加變壓器體積 (D) 使用軟鐵作為鐵 蕊材質
38. 變壓器的損失可以分 ① 磁滯損失 ② 渦流損失 ③ 銅損 ④ 雜散 損,其中哪些屬於無載損失? (A) ①② (B) ③④ (C) ①③ (D) ②④
39. 若將變壓器一次線圈之匝數減少,則二次側兩端之電壓? (A) 降低 (B) 升高 (C) 不變 (D) 不一定
40. 下列答案中就一個對稱三相電壓源必須滿足的條件。何者 錯誤? (A) 頻率相同 (B) 電壓相同 (C) 電流相同 (D) 相差 120 度
41. 額定下運轉之同步電動機,其轉速和 (A) 負載成反比 (B) 與負載無關 (C) 電壓成正比 (D) 電壓平方成正比
42. 船上所裝置之自動電壓調整器促使發電機的額定功率得以 維持,依據 CR 的規定,匯流排電壓從無載至滿載其變化率 不得超過額定電壓之多少 % ? (A) 1 (B) 1.5 (C) 2 (D) 2.5
43. 假設頻率為 f ,極數為 p ,則三相感應電動機的轉速為? (A) 120*f*p (B) 180*f*p (C) 120*f/p (D) 180*f/p
44. 同步電動機裝置阻尼繞組,其功能為何? (A) 幫助啟動 (B) 防止追逐效應 (C) 以上皆非 (D) 以上皆是
45. 鉛蓄電池充電時,一般有恆壓充電法與恆流充電法二種, 哪一種方法較為安全? (A) 恆壓充電法 (B) 恆流充電法 (C) 一樣 (D) 不一定
46. 在比例 - 積分 - 微分 (PID) 控制器中,微分控制器的工作目的 為: (A) 加速系統的反應 速度 (B) 增加系統準確性 (C) 增加系統穩定性 (D) 增加干擾容忍度
47. 量測受控系統物理量的的機構是? (A) 檢測器 (B) 比較器 (C) 操作器 (D) 控制器
48. 船用變壓器中,乾式變壓器使用的場合為? (A) 容量小且低壓處 (B) 容量小且高壓處 (C) 容量大且低壓處 (D) 容量大且高壓處
49. 將三個單向變壓器連結成三相使用時,必須考慮何種條 件? (A) 容量相同 (B) 輸入頻率相同 (C) 輸入電壓相同 (D) 以上均是
50. 會造成電能轉換為熱能的功是屬於? (A) 顯功率 (B) 感應功率 (C) 無效功率 (D) 乏
申論題 (0)
相關試卷
114年 - 114-3 交通部航港局_船員岸上晉升訓練及適任性評估_一等大管輪:電機電子與自動控制#137862
114年 · #137862
114年 - 114-2 交通部航港局_船員岸上晉升訓練及適任性評估_一等大管輪:電機電子與自動控制#131994
114年 · #131994
114年 - 114-1 交通部航港局_船員岸上晉升訓練及適任性評估_一等大管輪:電機電子與自動控制#128226
114年 · #128226
113年 - 113-2 交通部航港局_船員岸上晉升適任性評估筆試測驗_一等大管輪:電機電子與自動控制#125566
113年 · #125566
113年 - 113-3 交通部航港局_船員岸上晉升適任性評估筆試測驗_一等大管輪:電機電子與自動控制#125562
113年 · #125562
113年 - 113-3 交通部航港局_船員岸上晉升適任性評估筆試測驗_三等管輪:電機電子及控制#125557
113年 · #125557
113年 - 113-2 交通部航港局_船員岸上晉升適任性評估筆試測驗_三等管輪:電機電子及控制#125544
113年 · #125544
113年 - 113-1 交通部航港局_船員岸上晉升適任性評估筆試測驗_一等大管輪:電機電子與自動控制#122508
113年 · #122508
112年 - 112-3 交通部航港局船員岸上晉升適任性評估筆試測驗_一等大管輪:電機電子與自動控制#117453
112年 · #117453
112年 - 112-2 交通部航港局船員岸上晉升適任性評估筆試測驗_一等大管輪:利用模擬機作自動控制實務實作評估(實作)#116856
112年 · #116856