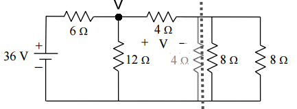
12 如圖所示電路,4 Ω 電阻上之兩端電壓 V 為多少伏特? 
(A)4
(B)6
(C)8
(D)10

(A)4
(B)6
(C)8
(D)10
答案:登入後查看
統計: A(53), B(81), C(1017), D(40), E(0) #843143
統計: A(53), B(81), C(1017), D(40), E(0) #843143
詳解 (共 6 筆)
#1126006
8//8=4Ω
V.=(36/6)*(6//12//8)=6*8/3=16
V=16*4/(4+4)=8
21
1
#5636739
111年上榜解題還願,有錯請指導。


1
0
#3879861

對數字敏感的話可以看出來,左邊紅色框框內的倍數相似,右邊紅色框框的也相似
則左邊用電壓源電流源互換兩次可以得到
(第一次電壓換電流源) 6A 並 6歐姆 並 12歐母 = 6A 並 4歐姆
(第二次電流源換電壓源)=24V 串 4歐姆
右邊紅色框則是 8 並 8= 4歐姆
組合起來就是 24V 串 4歐姆 串 4歐姆 串 4歐姆
因串聯的各個電阻相同則每個電阻分到的壓降相同24V/3 答案的電壓=8V
1
0