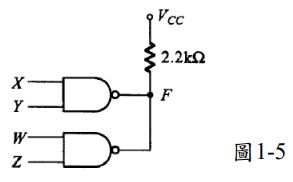
9. 如圖1-5所示,若兩個反及閘皆為開集極輸出閘,其輸出F為

(A)(XYWZ)'
(B)(XY)'+(WZ)'
(C)(XY)'+(W'Z')
(D)(XY)'·(WZ)'
答案:登入後查看
統計: 尚無統計資料
統計: 尚無統計資料
9. 如圖1-5所示,若兩個反及閘皆為開集極輸出閘,其輸出F為

(A)(XYWZ)'
(B)(XY)'+(WZ)'
(C)(XY)'+(W'Z')
(D)(XY)'·(WZ)'