阿摩線上測驗
登入
首頁
>
技師◆基礎工程與設計
>
97年 - 97年專門職業及技術人員高等建築師、技師暨普通記帳士、97年第二次高等暨普通消防設備人員、普通不動產經紀人大地工程技師#36296
> 申論題
題組內容
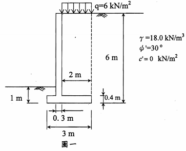
一、如圖一所示一高6 m’之懸臂式擋土牆,牆頂之載重q = 6 kN/m
2
。土壤之剪力強度參 數:凝聚力c’=0 kN/m
2
,少,φ=30°;單位重γ =18.0 kN/m
3
。地下水位在地表下25 m 處,牆底與土壤間之摩擦角占δ= 20°,混凝土之單位重γ
c
% = 24.0kN/m
3
。
㈠試以我國建築物基礎構造設計規範所建議方法計算抗滑及抗傾之安全係數,並說 明是否符合規範規定之最小值。(15分)
相關申論題
㈡簡要說明混凝土擋土牆設計採用伸縮縫之理由、間距及方式為何?(10分)
#100305
㈠某一上部結構載重4000 kN,座落於黏土層上,以群樁支撐之,已知黏土之無圍 壓縮強度qu-20 kN/m2,樁直徑為50 cm,樁長為28 m,試求單樁之容許承載力 及樁距。計算樁距之原則,應使群樁承載力(Block capacity)等於單樁承載力乘 以樁數。其中安全係數採用2。(15分)
#100306
㈡試說明利用打樁公式與波動方程式估計樁承載力之原理?並比較其優缺點。 (10 分)
#100307
㈠試計算地錨拉力T與版樁需要埋入地下之長度D。(假設安全係數採用1.5)。 (15 分)
#100308
㈡為避免地錨影響日後鄰房施工,一般常採用可回收式地錨。試列舉並繪圖說明兩 種可回收地錨之型式?(10分)
#100309
五、已知一邊坡之土壤性質 = 18.0 kN/m3、φ = 34°、c' = 0 kPa,潛在滑動面如圖 2,共有 7 個切片,每一切片體的幾何與方位如表 2 所示。在無水壓力條件下,應用 Bishop(1955)簡化切片法,並假設切片兩側之剪力無變化 (△T = 0) ,計算該潛在滑動面的安全係數? 註:安全係數是介於 1.40~2.00,因限於考試時間,僅需迭代計算 2 次即可,並以 第 2 次計算值為評分標準。
#557826
四、我國建築物基礎構造設計規範對於筏式基礎之結構設計,建議以參數 β 來區分,若柱與柱中心距小於1.75/β 時,可採用剛性基礎分析方法設計, 反之,則應採用柔性基礎分析方法設計之。說明 β之定義,以及來自何控制方程式?
#557825
三、有一長方形開挖工址(面積為 20 m × 60 m ) ,最終開挖深度是12 m,它的 擋土結構是連續壁,壁體深度 24 m 與厚度等於0.6 m ,施工階段採 4 層 開挖以及架設 3 層內支撐,其最下階支撐是位於地表下7.0 m。現地土層為單一厚度36.0 m 之黏土,黏土總單位重 = 17.66 kN/m3 ,以及正規化不 S排水剪力強度等於 0.30,地下水位處於地表面。計算側向壓力平衡安全係數(壁體貫入安全係數)? 。註:忽略擋土壁體之容許彎矩貢獻、以及主動區張力裂縫影響。附著力折減係數設為 0.75,另提示安全係數是 1.16~1.07 之間。
#557824
二、已知淺基礎(長3m×寬2m)設於下列單一土層(如圖1),該工址的常時水位面是位於 GL-2.0m,土壤物理參數是= 2.65 、e= 0.65 、 ω=10% ,土壤剪力強度參數為Φ'= 30,c'= 0kPa。當安全係數 =3.0 ,求基礎容許承載力? 廣義淺基礎極限承載力,表示如下: 當Φ'= 30 °c,=15.3 ,=9.8,=6.6。相關影響因子之公式,則如表1。
#557823
一、說明單樁總沉陷量之估算方法,依半經驗公式論述之。
#557822
相關試卷
114年 - 114 專技高考_大地工程技師:基礎工程與設計(包括開挖工程及基礎相關結構設計)#133716
114年 · #133716
114年 - 114 專技高考_大地工程技師(二):基礎工程與設計#133660
114年 · #133660
113年 - 113 專技高考_大地工程技師(二):基礎工程與設計#123932
113年 · #123932
113年 - 113 專技高考_大地工程技師:基礎工程與設計(包括開挖工程及基礎相關結構設計)#123905
113年 · #123905
112年 - 112 專技高考_大地工程技師(二):基礎工程與設計#117682
112年 · #117682
112年 - 112 專技高考_大地工程技師:基礎工程與設計(包括開挖工程及基礎相關結構設計)#117668
112年 · #117668
111年 - 111 專技高考_大地工程技師(二):基礎工程與設計#111855
111年 · #111855
110年 - 110 專技高考_大地工程技師(二):基礎工程與設計#104206
110年 · #104206
109年 - 109 專技高考_大地工程技師(二):基礎工程與設計#93314
109年 · #93314
109年 - 109 專技高考_大地工程技師:基礎工程與設計(包括開挖工程及基礎相關結構設計)#93271
109年 · #93271