題組內容
三、

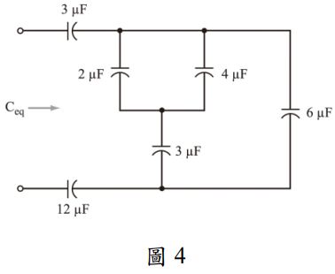
(二)如果將此電路接至一個24V的電源時,則跨於12μF電容器的電壓為多少?儲存於12μF電容器的電荷量又為多少?(15分)
詳解 (共 1 筆)
詳解

三、

(二)如果將此電路接至一個24V的電源時,則跨於12μF電容器的電壓為多少?儲存於12μF電容器的電荷量又為多少?(15分)
