題組內容
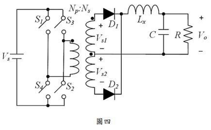
四、如圖四所示之全橋轉換器,其開關之切換頻率(switching frequency)fs,責任週期(duty cycle)D,假設所有元件皆為理想,且可正常操作於邊界導通模式(boundary conduction mode, BCM),請根據圖四中之符號,回答以下參數或關係式之數學表示式:
(二)
四、如圖四所示之全橋轉換器,其開關之切換頻率(switching frequency)fs,責任週期(duty cycle)D,假設所有元件皆為理想,且可正常操作於邊界導通模式(boundary conduction mode, BCM),請根據圖四中之符號,回答以下參數或關係式之數學表示式:
(二)