阿摩線上測驗
登入
首頁
>
台電◆機械原理
>
102年 - 102 台灣電力公司_新進僱用人員及用人當地化甄試:機械原理#16176
> 申論題
題組內容
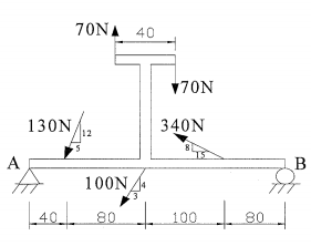
[問答與計算] 1.如下【圖8】所示之結構受到五個外力作用,各外力單位為牛頓(N),各長度單位為公分 (cm)
試求:
(3)B點反作用力R
B
為多少N? (2分)
相關申論題
1.常用的長度單位1mil等於______mm。
#11318
2.水、火力與核能發電機組的對心工作將影響運轉可靠度,各組裝機件的同心度會影響定位公 差,同心度的符號為______。
#11319
3. M20x2為國際公制標準螺紋標示法,表示公稱直徑為20 mm,螺距為2 mm,螺紋角度則為 ______度°
#11320
5.研磨滑塊工件,研磨砂輪的記號為「WA-36-J-5-V-lA-200x25x32」,其中代表砂輪的「組織 」為______°
#11322
6.兩個彈簧的彈簧常數各為K1及K2,串聯時彈簧的總彈簧常數K =______。
#11323
7.腳踏車鏈輪,前鏈輪為50齒,後鏈輪為13齒,當前鏈輪轉速為130rpm時,後鏈輪轉速為 ________rpm。
#11324
8.鋼板長240 mm x寬100 mm x厚50 mm,假設其破壞剪應力為250 kg/cm2 ,若欲將其對半 剪斷,則需最小剪力為______kg。
#11325
11.用於表示公制齒輪之大小,為每齒'所含節圓直徑之尺寸,稱為_____。
#11328
12.以周緣距凸輪中心之最短距離為半徑,所晝得的圓為_______。
#11329
13.將金屬材料在常溫或金屬的________溫度以下進行加工,此種加工過程稱為冷作,又稱常溫 加工°
#11330
相關試卷
114年 - 114 台灣電力公司_新進僱用人員甄試試題:機械原理#127371
114年 · #127371
113年 - 113 台灣電力公司_新進僱用人員甄試試題_專業科目 B:機械原理#121809
113年 · #121809
112年 - 112 台灣電力公司_新進僱用人員甄試:專業科目 B(機械原理)#114263
112年 · #114263
111年 - 111 台灣電力公司_新進僱用人員甄試:專業科目 B(機械原理)#107779
111年 · #107779
110年 - 110 台灣電力公司新進僱用人員甄試:專業科目 B(機械原理)#98821
110年 · #98821
109年 - 109 台灣電力公司_新進僱用人員甄試:機械原理#86552
109年 · #86552
108年 - 108 台灣電力公司_新進僱用人員甄試:機械原理#78746
108年 · #78746
107年 - 107-12 台灣電力公司_新進僱用人員甄試:機械原理#73742
107年 · #73742
107年 - 107-05 台灣電力公司_新進僱用人員甄試:機械原理#69146
107年 · #69146
106年 - 106 台灣電力公司_新進僱用人員甄試:機械原理#63879
106年 · #63879