阿摩線上測驗
登入
首頁
>
技師◆材料力學
>
103年 - 103年警察人員、103年一般警察人員、103年交通事業鐵路人員考高員三級_土木工程#25173
> 申論題
題組內容
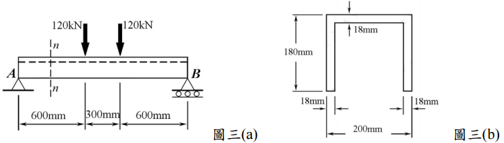
三、圖三(a)中為某簡支樑及受力圖,圖三(b)表示該樑的ㄇ形截面尺寸。試問:
⑵於 n-n 截面的最大剪應力為多少 MPa?(10 分)
相關申論題
⑴試繪出圖一(a)及圖一(b)支持處的三維(x, y, z)受力自由體圖。(10 分)
#34787
⑵圖一(c)表示一個半徑為 R,質量為 50 kg 的均質球體,置於 V 形槽內,忽略球體 與槽內接觸面的摩擦,試問 V 形槽的反力(reaction forces)?(10 分)
#34788
⑴物體 A 撞擊盤 B 前的速度。(10 分)
#34789
⑵物體 A 撞擊盤 B 後一同下降的速度。(10 分)
#34790
⑴該ㄇ形截面的形心(centroid)至最下方底部的距離?(10 分)
#34791
⑴ A 點及 B 點的應力值及應力狀態?(15 分)
#34793
⑵位於 A、B 處的截面上,何處的應力值為零?(5 分) 註:應力狀態意指為「應力的種類及其方向」。
#34794
⑴出口端的水流速度?(5 分)
#34795
⑵使用動量方程(momentum equation)求解水流作用於水壩上的水平力?(15 分) 提示:水的 γ 為 9806 N/m3 ,ρ為 1000 kg/m3 。
#34796
四、一水平鋼梁由一中間梁與兩側之短懸臂所組成,三者以鉸連接,且具有相同之矩形斷面,梁寬 b = 100 mm,梁深 h = 400 mm,其長度由左 至右,分別為 L1 = 800 mm,Lc = 2000 mm,L2 = 1000 mm。材料彈性 係數為 E = 200000 MPa。如果於中間梁之跨中央處施予一集中彎矩 。試繪出全梁(包括中間梁與兩側之短懸臂) M = 2 × 107 N·mm(圖 4) 之剪力圖與彎矩圖,並計算施加集中彎矩處之梁位移量與傾斜角。軸向 變形與梁自重皆可忽略。(25 分)
#557342
相關試卷
114年 - 114 專技高考_結構工程技師:材料力學#133661
114年 · #133661
114年 - 114 專技高考_大地工程技師(ㄧ):材料力學#127506
114年 · #127506
113年 - 113 專技高考_結構工程技師:材料力學#123908
113年 · #123908
113年 - 113 專技高考_大地工程技師(ㄧ):材料力學#120298
113年 · #120298
112年 - 112 專技高考_結構工程技師:材料力學#117648
112年 · #117648
112年 - 112 專技高考_大地工程技師(ㄧ):材料力學#114622
112年 · #114622
111年 - 111 專技高考_結構工程技師:材料力學#111960
111年 · #111960
111年 - 111 專技高考_大地工程技師(一):材料力學#108382
111年 · #108382
110年 - 110 專技高考_結構工程技師:材料力學#104219
110年 · #104219
110年 - 110 專技高考_大地工程技師(一):材料力學#101386
110年 · #101386