阿摩線上測驗
登入
首頁
>
工程力學(含靜力學、動力學與材料力學)
>
100年 - 100 關務特種考試_三等_機械工程:工程力學(包括靜力學、動力學與材料力學)#27224
> 申論題
題組內容
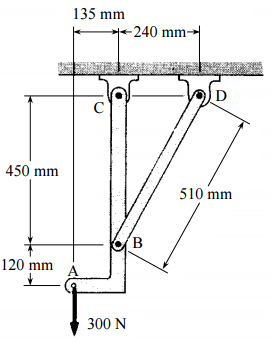
一、如下圖所示,一向下之力 300 N 作用在桿件 ABC 之 A 點,桿件 ABC 於 B 點連接桿件 BD。B, C, D 三點皆以圓銷連接(pinned),桿件 ABC 及桿件 BD 之重量忽略不計。試求:
⑵桿件 ABC 上 C 點所受之力。
相關申論題
⑴鋼線中之應力
#47616
⑵銅線 中之應力。(20 分)
#47617
⑴此鍊條元件直邊之最大拉應力
#47618
⑵此鍊條元件直邊 之最大壓應力;
#47619
⑶此鍊條元件直邊之橫切面上形心(centroid)與中性軸(neutral axis)之距離。(20 分)
#47620
⑴桿件 BD 所受之力(20 分)
#47608
⑴此人施於A點之力;(20 分)
#47610
⑵此人施於坐墊之力。
#47611
⑴滑塊A之加速度;
#47612
⑵滑塊B之加速度
#47613
相關試卷
115年 - 115 關務特種考試_三等_機械工程(選試英文):工程力學(包括靜力學、動力學與材料力學)#138918
115年 · #138918
114年 - 114 專技高考_機械工程技師:工程力學(包括靜力學、動力學與材料力學)#133710
114年 · #133710
114年 - 114 公務升官等考試_薦任_機械工程:工程力學(包括靜力學、動力學與材料力學)#133242
114年 · #133242
114年 - 114 專技高考_專利師(選試專業英文及工程力學)、專利師(選試專業日文及工程力學):工程力學#130105
114年 · #130105
114年 - 114 關務特種考試_三等_機械工程(選試英文):工程力學(包括靜力學、動力學與材料力學)#126623
114年 · #126623
113年 - 113 臺灣菸酒股份有限公司_從業評價職位人員試題_鍋爐:工程力學#132351
113年 · #132351
113年 - 113 專技高考_機械工程技師:工程力學(包括靜力學、動力學與材料力學)#123897
113年 · #123897
113年 - 113 專技高考_造船工程技師:工程力學(包括靜力學、動力學與材料力學)#123895
113年 · #123895
113年 - 113 專技高考_專利師(選試專業英文及工程力學)、專利師(選試專業日文及工程力學):工程力學#122211
113年 · #122211
113年 - 113 關務特種考試_三等_機械工程(選試英文):工程力學(包括靜力學、動力學與材料力學)#119496
113年 · #119496