阿摩線上測驗
登入
首頁
>
工程力學(含靜力學、動力學與材料力學)
>
103年 - 103 專技高考_專利師(選試專業英文及工程力學)、專利師(選試專業日文及工程力學):工程力學#25123
> 申論題
題組內容
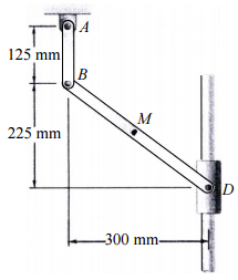
四、一連桿系統如圖所示,在圖示之位置時 AB 桿之角速度為以順時針方向 2.7 rad/s 旋 轉,試求在此瞬間
⑵滑塊 D 之速度。(7 分)
相關申論題
⑴角度 θ 之大小。(10 分)
#34479
⑵ A、B 處之反作用力。(10 分)
#34480
⑴碰撞後瞬間球 A 與楔形塊 B 之速度各為多少?(10 分)
#34482
⑵若 A 與 B 不考慮二次碰撞,彈簧之最大壓縮量為多少?(10 分)
#34483
⑴ BD 桿之角速度。(6 分)
#34484
⑶ BD 桿中點 M 之速度。(7 分)
#34486
⑴ AB 桿之角加速度。(10 分)
#34487
⑵ A 點及 B 點之加速度各為多少?(10 分)
#34488
(三)若 M 正比於懸臂長 L 的 3 次方,慣性矩(moment of inertia) 的截面寬度 b 與高度 h 也都正比於懸臂長 L,請問懸臂樑自然頻率ω正比於懸臂長 L 的幾次 方?
#562749
(二)若令 P 改為質量 M 之重力慣性力,如【圖二】,且本問題由靜力平衡,調整為動態平衡,動力方程式是Mv̈+ kv = 0或 v̈+ ω2v = 0,請求出本懸臂樑自由振動之自然頻率ω。
#562748
相關試卷
114年 - 114 專技高考_機械工程技師:工程力學(包括靜力學、動力學與材料力學)#133710
114年 · #133710
114年 - 114 公務升官等考試_薦任_機械工程:工程力學(包括靜力學、動力學與材料力學)#133242
114年 · #133242
114年 - 114 專技高考_專利師(選試專業英文及工程力學)、專利師(選試專業日文及工程力學):工程力學#130105
114年 · #130105
114年 - 114 關務特種考試_三等_機械工程(選試英文):工程力學(包括靜力學、動力學與材料力學)#126623
114年 · #126623
113年 - 113 臺灣菸酒股份有限公司_從業評價職位人員試題_鍋爐:工程力學#132351
113年 · #132351
113年 - 113 專技高考_機械工程技師:工程力學(包括靜力學、動力學與材料力學)#123897
113年 · #123897
113年 - 113 專技高考_造船工程技師:工程力學(包括靜力學、動力學與材料力學)#123895
113年 · #123895
113年 - 113 專技高考_專利師(選試專業英文及工程力學)、專利師(選試專業日文及工程力學):工程力學#122211
113年 · #122211
113年 - 113 關務特種考試_三等_機械工程(選試英文):工程力學(包括靜力學、動力學與材料力學)#119496
113年 · #119496
113年 - 113 臺灣港務股份有限公司_新進從業人員甄試_師級_機械:工程力學(包括靜力電、動力學與材料力學)#118827
113年 · #118827