阿摩線上測驗
登入
首頁
>
流體力學
>
100年 - 100 地方政府特種考試_三等_水利工程、環境工程、機械工程:流體力學#31565
> 申論題
題組內容
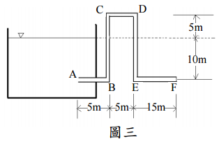
三、如圖三,若自由液面高程當零,管CD高程為 5m,管AB和管EF高程都是負 10m,所 有管子都是邊長為 0.4m的方管。管子長度為AB=5m,BC=DE=15m,CD=5m, EF=15m。水的密度為 1g/cm
3
,水的蒸氣壓力為 2300 N/m
2
,大氣壓力等於 10m水深 。回答以下兩種情況的問題:
圖四為無座標的 Moody Diagram 主要損失圖,請自行利用。
⑵若管子中的流況為有黏性且有能量損失的流體,且在B、C、D、E四個轉彎口有 次要損失,次要損失係數為 0.5,在A和F點有出入口損失,次要損失係數為 1.0。管 子的粗糙度為 0.002m,水的動黏滯係數為 10
-3
Ns/m
2
。
1.出口 F 的流速為多少?(20 分)
相關申論題
⑴ F 至少需要多大,板 CD 才會不動?(15 分)
#70584
⑵整個彎管管壁ABCD的總受力為多少,請給合力的大小與方向。(水的密度為 1g/cm3 )(10 分)
#70585
⑴在交界處,流速與剪力都是連續的,請證明α1=α2及 μ1b1 = μ2b2。(5 分)
#70586
⑵請再用上下板的流速算出 α1,b1 。(5 分)
#70587
⑶請計算上下板的剪力大小。(表示式中不可以有 α1,α2,b1,b2 等符號)(5 分)
#70588
⑷請計算兩層的垂直流速和兩層的 vorticity。(5 分)
#70589
⑴若把管子中的流況視為無黏性的流體, 1.出口 F 的流速為多少?(10 分)
#70590
2.解釋何謂穴蝕,D 點會有穴蝕嗎?(5 分)
#70591
2.D 點會有穴蝕嗎?(5 分)
#70593
⑴再給定流量 Q,曼寧 n,渠底坡度 S 的條件下,請證明均勻流之最佳水力斷面 (best hydraulic cross section)為 b/y=2。(10 分)
#70594
相關試卷
115年 - 115 身心障礙特種考試_三等_水利工程:流體力學#138962
115年 · #138962
114年 - 114 地方政府公務特種考試_三等_水利工程:流體力學#134777
114年 · #134777
114年 - 114 地方政府公務特種考試_四等_水利工程:流體力學概要#134736
114年 · #134736
114年 - 114 專技高考_水利工程技師:流體力學#133675
114年 · #133675
114年 - 114 公務升官等考試_薦任_水利工程:流體力學#133259
114年 · #133259
114年 - 114 普通考試_水利工程:流體力學概要#128762
114年 · #128762
114年 - 114 高等考試_三級_水利工程:流體力學#128749
114年 · #128749
114年 - 114 身心障礙特種考試_三等_水利工程:流體力學#126638
114年 · #126638
113年 - 113 地方政府公務特種考試_三等_水利工程:流體力學#124528
113年 · #124528
113年 - 113 地方政府公務特種考試_四等_水利工程:流體力學概要#124496
113年 · #124496