阿摩線上測驗
登入
首頁
>
技師◆基礎工程與設計
>
99年 - 099年專門職業及技術人員高等建築師、技師暨普通不動產經紀人、記帳士大地工程技師#34917
> 申論題
題組內容
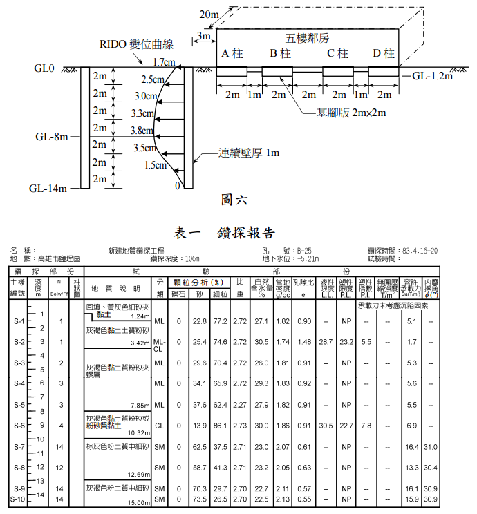
五、某連續壁工地旁有五樓鄰房,如圖六所示之示意圖,其地質鑽探結果如表一所示,請分析:
⑶請繪出地下室開挖出土時,擋土壁側向變位引致鄰房的沉陷量曲線為何?(註: RIDO 程式分析擋土壁側向變位曲線如圖六所示。)(6 分)
相關申論題
⑴箱涵無水,地下水位在GL-1 m時,抗浮樁之安全係數FS?(10 分)
#91421
⑵箱涵滿水,地下水位在GL-10 m時,承載樁之安全係數FS?(10 分) 註:1.水單位重取γw = 10 kN/m3 。混凝土單位重γc = 24 kN/m3 。 2.砂土土壤剪力參數 C = 0,φ = 0.3N+27°。 3.黏土C = 100 N/16(kN/m2 )。 4.淺基承載力公式qult = αC Nc+γDf Nq+βγBNγ φ = 0°時,Nc = 5.7,Nq = 1,Nγ = 0 5.黏土中樁承載力Qp = C Nc * Ap;Nc * = 9 Qs=α1C As;鑽掘樁α1= 0.45;錘擊樁α1 = 0.75;C ≤ 50 kN/m2 取α1=1
#91422
⑴建築物之差異沉陷,並研判建築物是否會開裂?(10 分)
#91424
⑵為防止差異沉陷開裂,在地下室深度不變下,黏土層上方最多能蓋幾層樓?使砂 土與黏土地盤之差異沉陷扭角小於 1/300。(10 分)註:1.一層樓活重呆重之總重為 10 kN/m2 。 2.筏基視為一層樓。 3.建築物差異沉陷扭角 θ ≥ 1/300 時,隔間牆開裂。 4.建築物差異沉陷扭角 θ ≥ 1/150 時,結構體開裂。 5.建築物沉陷量公式△H = △q B(1-μ 2 )Is/Es 式中:剛性基腳:方形Is = 0.82,長方形L/B = 1.5 時,Is = 1.06; L/B = 2 時,Is = 1.2 6.水單位重γw = 10 kN/m3 。
#91425
請分析圖五中A、B擋土壁及中間柱C之流砂(piping)安全係數Fs?(10 分)
#91426
若開 挖過程中發生流砂現象,請問應如何處理?(10 分) 註:水單位重取γw = 10 kN/m3 。
#91427
⑴連續壁施作時是否會影響五樓鄰房?請詳述原因。(5 分)
#91428
⑵地下室開挖前抽降地下水至 GL-9m,是否會影響五樓鄰房?請詳述原因。(5 分)
#91429
⑷若鄰房決定以高壓成型樁作托基保護,請設計之。並繪出保護之平面圖與剖面圖。 (9 分)註:1.獨立基腳系統在黏土地盤容許沉陷量為 5 cm、砂土地盤為 2.5 cm。 2.兩柱差異沉陷扭角 θ ≥ 1/300 時,隔間牆開裂;θ ≥ 1/150 時,結構體開裂。 3.高壓成型樁之承載力Qu = Qp+Qs,其中Qp = 200 N Ap(取m 2 );Qs = 0,承載 力Fs取 2 作設計。
#91431
五、已知一邊坡之土壤性質 = 18.0 kN/m3、φ = 34°、c' = 0 kPa,潛在滑動面如圖 2,共有 7 個切片,每一切片體的幾何與方位如表 2 所示。在無水壓力條件下,應用 Bishop(1955)簡化切片法,並假設切片兩側之剪力無變化 (△T = 0) ,計算該潛在滑動面的安全係數? 註:安全係數是介於 1.40~2.00,因限於考試時間,僅需迭代計算 2 次即可,並以 第 2 次計算值為評分標準。
#557826
相關試卷
114年 - 114 專技高考_大地工程技師:基礎工程與設計(包括開挖工程及基礎相關結構設計)#133716
114年 · #133716
114年 - 114 專技高考_大地工程技師(二):基礎工程與設計#133660
114年 · #133660
113年 - 113 專技高考_大地工程技師(二):基礎工程與設計#123932
113年 · #123932
113年 - 113 專技高考_大地工程技師:基礎工程與設計(包括開挖工程及基礎相關結構設計)#123905
113年 · #123905
112年 - 112 專技高考_大地工程技師(二):基礎工程與設計#117682
112年 · #117682
112年 - 112 專技高考_大地工程技師:基礎工程與設計(包括開挖工程及基礎相關結構設計)#117668
112年 · #117668
111年 - 111 專技高考_大地工程技師(二):基礎工程與設計#111855
111年 · #111855
110年 - 110 專技高考_大地工程技師(二):基礎工程與設計#104206
110年 · #104206
109年 - 109 專技高考_大地工程技師(二):基礎工程與設計#93314
109年 · #93314
109年 - 109 專技高考_大地工程技師:基礎工程與設計(包括開挖工程及基礎相關結構設計)#93271
109年 · #93271