阿摩線上測驗
登入
首頁
>
工程數學(應用數學, 線性代數、微分方程、複變函數與機率)
>
96年 - 96 調查特種考試_三等_電子科學組:工程數學(重複)#38593
> 申論題
題組內容
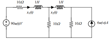
二、參考下面電路圖,其中 u (t ) 為單位步階(Unit Step)函數、 x(t ) 為電流。 10
⑶請求系統矩陣(System Matrix)A 之特徵值(Eigen Value)與特徵向量(Eigen Vector)。 (4 分)
相關申論題
⑴ xy ′ + y = x 2 y 2 。(10 分)
#114133
⑵ (e 2 y − y Cos xy)dx + (2 xe 2 y − x Cos xy + 2 y )dy = 0 。(10 分)
#114134
⑴請求狀態方程式(State Equation) x ′(t ) = Ax(t ) + B(t ) ,其中 x(t ) = [x1 (t ) x 2 (t )] T 。(4 分)
#114135
⑵當 t = 0 時,請求初值(Initial Value) x(0) 。(4 分)
#114136
⑷請求轉移矩陣(Transition Matrix) e At 。(4 分)
#114138
⑸請求其解 x(t ) , t > 0 。(4 分) ⎧2 , 0 ≤ t ≤ 1
#114139
⑴請求其傅立葉級數(Fourier Series)之半波正弦展開式(Half-Wave Sine Expansion)。 (10 分)
#114140
⑵請求其傅立葉級數之半波餘弦展開式(Half-Wave Cosine Expansion)。(10 分)
#114141
⑴單位切線向量(Unit Tangent Vector)T(5 分)、⑵主法線向量(Principal Normal Vector)N(5 分)、⑶双法線向量(Binormal Vector)B(5 分)、與⑷曲率 (Curvature)κ(5 分)。 1
#114142
⑴ C 是以原點(Origin)為中心逆時鐘方向的單位圓(Unit Circle)。(10 分)
#114143
相關試卷
114年 - 114 專技高考_電機工程技師:工程數學(包括線性代數、微分方程、複變函數與機率)#133679
114年 · #133679
114年 - 114 專技高考_電子工程技師:工程數學(包括線性代數、微分方程、向量分析、複變函數與機率)#133677
114年 · #133677
114年 - 114 調查特種考試_三等_電子科學組:工程數學#129578
114年 · #129578
114年 - 114 國家安全情報特種考試_三等_電子組(選試英文):工程數學#127780
114年 · #127780
113年 - 113 專技高考_電子工程技師:工程數學(包括線性代數、微分方程、向量分析、複變函數與機率)#123976
113年 · #123976
113年 - 113 專技高考_電機工程技師:工程數學(包括線性代數、微分方程、複變函數與機率)#123971
113年 · #123971
113年 - 113 調查特種考試_三等_電子科學組:工程數學#122110
113年 · #122110
113年 - 113 身心障礙特種考試_三等_電力工程:工程數學#119517
113年 · #119517
112年 - 112 地方政府特種考試_三等_電力工程、電子工程:工程數學#118376
112年 · #118376
112年 - 112 專技高考_電機工程技師:工程數學(包括線性代數、微分方程、複變函數與機率)#117639
112年 · #117639