題組內容

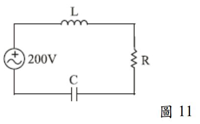
1. 如圖 11 所示,在頻率為 500 Hz 時,R=10Ω,\(X_L\)= 20Ω,\(X_C\)=720Ω;若調整頻率使電路發生諧振,則於諧振時,試求

(1) 電路的品質因數?(5 分)