阿摩線上測驗
登入
首頁
>
技檢◆工業電子-丙級
>
108年 - [無官方正解]108 全國高級中等學校學生技藝競賽考試_工業類:工業電子#139128
> 申論題
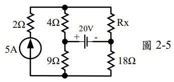
5. 如圖2-5所示之電路,Rx可由電源獲得的最大功率Pmax為何?_____________
相關申論題
二、填充題1. 如圖2-1所示電路,電晶體β = 100,VBE = 0.7V,VCE(Sat) = 0.2V。則集極電流 = ___________。
#571043
2. 如圖2-2所示電路,若VBE = 0.7V,β= 99,VT = 25mV,則電壓增益VO/Vi = ____________。
#571044
3. 如圖2-3所示電路,若R、XL、Xc1、Xc2之阻抗值皆為2Ω,則電路中電感抗XL兩端之電壓大小為何?___________
#571045
4. 如圖2-4所示之穩壓電路,Vi = 12 V,VZ = 3 V,在正常工作下輸出電壓Vo = _______。
#571046
6. 如圖2-6所示之MOSFET電路,已知IDSS = 12 mA,夾止電壓(pinch-off voltage)VP = -2V,其工作點之ID = 3mA,則此放大器之小信號電壓增益Av = Vo/Vi的值為何?_____________
#571048
7. 請問圖2-7,假設T型正反器QA, QB, QC之初始值為000,進入6個CLK後的QA, QB, QC之值為?______________
#571049
8. 布林代數Y = f(A,B,C)其真值表如圖2-8,下列何者是圖2-8和之積(Product of Sum)的最簡式__________________
#571050
9. 如圖2-9電路圖中,若D2D1D0的初始狀態為001,且CLK適當觸發,電路經過4個時脈週期後,D2D1D0會呈現甚麼狀態?_________
#571051
10. 圖2-10所示為利用4對1多工器所設計的邏輯電路,其中,輸入信號為CBA,試求輸出F最簡化之布林函數F = ________________
#571052
三、計算與設計題 1. 請用1個OPA、一個可變電阻和若干個電阻,設計一直流準位調整電路,使滿足Vo = -(Vi + Voffset)。
#571053
相關試卷
114年 - 02800 工業電子 丙級 工作項目 10:數位系統 1-65(2025/10/16 更新)#132274
114年 · #132274
114年 - 02800 工業電子 丙級 工作項目 09:電子學 101-147(2025/10/16 更新)#132273
114年 · #132273
114年 - 02800 工業電子 丙級 工作項目 09:電子學 51-100(2025/10/16 更新)#132272
114年 · #132272
114年 - 02800 工業電子 丙級 工作項目 09:電子學 1-50(2025/10/16 更新)#132271
114年 · #132271
114年 - 02800 工業電子 丙級 工作項目 08:電工學 101-128(2025/10/16 更新)#132270
114年 · #132270
114年 - 02800 工業電子 丙級 工作項目 08:電工學 51-100(2025/10/16 更新)#132269
114年 · #132269
114年 - 02800 工業電子 丙級 工作項目 08:電工學 1-50(2025/10/16 更新)#132268
114年 · #132268
114年 - 02800 工業電子 丙級 工作項目 07:測試知識 1-48(2025/10/16 更新)#132267
114年 · #132267
114年 - 02800 工業電子 丙級 工作項目 06:電子儀表使用知識 1-44(2025/10/16 更新)#132266
114年 · #132266
114年 - 02800 工業電子 丙級 工作項目 05:裝配知識 1-55(2025/10/16 更新)#132265
114年 · #132265