阿摩線上測驗
登入
首頁
>
技師◆程序控制
> 100年 - 100 專技高考_化學工程技師:程序控制#27106
100年 - 100 專技高考_化學工程技師:程序控制#27106
科目:
技師◆程序控制 |
年份:
100年 |
選擇題數:
0 |
申論題數:
12
試卷資訊
所屬科目:
技師◆程序控制
選擇題 (0)
申論題 (12)
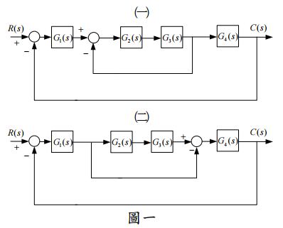
【已刪除】一、由圖一中 2 種控制架構中各元件的轉移函數(transfer function),決定
的轉移 函數。(每小題 6 分,共 12 分)
⑴ P 控制 k
c
= 2.5
⑵ P 控制 k
c
=1.5
⑶ PD 控制 kc = 2.5 , τ
d
=2
⑷ PI 控制 kc =1.5, τ
I
=2.5 分別配對圖二的 4 個應答(response),以符合上述何者控制器,並說明原因。 未說明任何原因,將不計分。(每小題 5 分,共 20 分)
⑴設計一個前饋控制(Feedforward Control)系統,可以抑制程序液體流速(Q) 對離 開爐的程序液體溫度 (T)的干擾影響,程序操作變數是燃料流速 (F),請推導前饋 控制器的轉換函數。(10 分)
⑵畫出此控制策略的方塊圖(Block Diagram),並於方塊圖中顯示在這個程序中使 用的所有轉換函數。(6 分)
四、加熱系統的溫度是由熱電偶檢測,約 15 秒後溫度基本上是呈現正弦變化,在每分鐘 1.8 個週期下,記錄得到的最高溫度是 127℉,最低為 119℉。據估計,在這些條件下 的熱電偶有 4.5 秒的時間常數。假設加熱系統的溫度變化為一階程序,請估算實際的 最高和最低空氣溫度。(15 分)
【已刪除】⑴若
, 當 t ≥ 0 ,計算 y( t) 的新穩定值。(8 分)
⑵若需要 y (t ) 10 ≤ ,計算最大的 x(t) 的步階改變(step change)。(12 分)
⑴計算 τ
m
的範圍可使上述系統穩定。(12 分)
⑵由實際的考量, τ
m
應限制在何範圍?(5 分)
相關試卷
114年 - 114 專技高考_化學工程技師:程序控制#133695
114年 · #133695
113年 - 113 專技高考_化學工程技師:程序控制#123939
113年 · #123939
112年 - 112 專技高考_化學工程技師:程序控制#117666
112年 · #117666
111年 - 111 專技高考_化學工程技師:程序控制#111966
111年 · #111966
110年 - 110 專技高考_化學工程技師:程序控制#104176
110年 · #104176
109年 - 109 專技高考_化學工程技師:程序控制#93303
109年 · #93303
108年 - 108 專技高考_化學工程技師:程序控制#80793
108年 · #80793
107年 - 107 專技高考_化學工程技師:程序控制#73011
107年 · #73011
106年 - 106 專技高考_化學工程技師:程序控制#66471
106年 · #66471
104年 - 104 專技高考_化學工程技師:程序控制#41517
104年 · #41517