阿摩線上測驗
登入
首頁
>
工程力學概要
> 100年 - 100 鐵路特種考試_員級_土木工程:工程力學概要#26997
100年 - 100 鐵路特種考試_員級_土木工程:工程力學概要#26997
科目:
工程力學概要 |
年份:
100年 |
選擇題數:
0 |
申論題數:
4
試卷資訊
所屬科目:
工程力學概要
選擇題 (0)
申論題 (4)
【已刪除】一、如圖所示桁架,質量 M 為 1600 kg,指出不受力的桿件。(25 分)
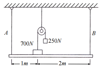
【已刪除】二、一重量為 100 N 的均勻直桿由二條垂直的繩索 A、B 懸吊在如圖所示之水平位置上, 直桿上有一 700 N 的重物,該重物與另一 250 N 的重物經由一繩索懸吊在一滑輪上, 若重力的方向為垂直向下,試求繩索 A、B 所受的張力。(25 分)
【已刪除】三、求圖示斜線面積之形心坐標。(25 分)
【已刪除】四、有一隔震單元係由板A及兩片硬橡膠組合而成,其外側則為剛性支承,如圖所示。 該橡膠之剪力模數為 2.5 kN/cm
2
,當板A承受荷載P時,其所對應之變形量為
δ
,計 算此時之有效彈簧常數P/
δ
之值。(25 分)