所屬科目:教甄◆物理科專業
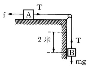
46.以輕繩連接質量同為 5 kg 的 A、B 兩物體後,B 等速下降 2 m,如右圖,若 g=10 m / s2, 此過程中何者是正確的?__________ (A)重力對 B 作功-100 J (B)重力對 A 作功 0 (C)張力對 A 作功 0 (D)張力對 B 作功-100 J (E)摩擦力對 A 作功 -100 J 。
7.將一重 W 的重物懸吊於一質量可忽略的彈簧下,在鉛垂方向成平衡,此時彈簧的伸長量為 20cm。今將 此彈簧由中間剪斷,利用被剪斷後的二彈簧將重 3W 的重物吊起,在鉛垂方向成平衡(如右圖所示)。 此彈簧組合被重物拉長了__________cm。
8.一重 45 公斤的人站在重 15 公斤之平臺上,垂直拉下一繞過滑輪之繩索,如右圖所示,設滑輪及繩索 之摩擦與質量可略去不計,人拉繩後,可使人與平台有 2 公尺/秒 2向上的加速度,則人要向下施力大 小為__________牛頓。
9.如右圖所示,一質量 2 公斤的 A 物塊置於光滑桌面上,以輕繩連接跨過一個無摩擦的定滑輪,另一端 連接一質量不計之彈簧秤,今在彈簧秤下端掛一質量 3 公斤的砝碼,釋放後,彈簧秤上的讀數為 __________牛頓。
12.四條完全相同的彈簧連接如右圖,今右端施以 15 牛頓之拉力,得總伸長量為 4 公分, 則每條彈簧的彈力常數為__________牛頓 / 公分。
13.水平桌面上有 A、B、C 三個木塊,其質量分別為 5 公斤、10 公斤與 5 公斤。已知木 塊與桌面間的靜摩擦係數皆為 0.5,動摩擦係數皆為 0.3,今施一水平推力 F=150 牛頓 於木塊 A(如右圖所示),則木塊 B、C 間的作用力為__________牛頓。
15.如右圖所示,裝置一錐動擺,長度為l =32 cm 的細繩,上端固定,下端懸一質量為 m=2 kg 的小球,懸線保持與鉛直方向成θ =37°角,使小球在水平面上做等速率圓周運動,細繩在空 中掃轉一圓錐面,試問小球的軌道速率為__________公尺/秒。
17.如右圖,質量 M=2000 公克的木塊繫於一條力常數 k=50 牛頓/公尺的 輕彈簧上,木塊可在一光滑水平面移動。若將木塊自其平衡位置向右拉 移 10 公分後由靜止釋放,試問此木塊運動的週期為__________秒。
24.將質量 m 的擺錘由右圖中所示的位置靜止釋放,已知擺錘在最低點處與質量 3m 的鋼珠發生正面彈 性碰撞,則碰撞後鋼珠彈開速率為 性碰撞 __________。
25.一 3 kg 物體以 12 m / s 初速與靜止的 2 kg 物體碰撞,若碰撞後此 3 kg 物體以 10 m / s 的速度與原先運動方向成 53 度 角分離,則此碰撞後 2 kg 物體的速率為__________m / s。
29.施 5 牛頓的推力於光滑水平面上的木塊(質量為 1 公斤),如右圖所示θ=53 度;當木塊移動的 距離為 40 公尺時,則推力作功__________焦耳。