阿摩線上測驗
登入
首頁
>
台電◆基本電學
> 101年 - 101 台灣電力公司_養成班及用人當地化甄試:基本電學#26716
101年 - 101 台灣電力公司_養成班及用人當地化甄試:基本電學#26716
科目:
台電◆基本電學 |
年份:
101年 |
選擇題數:
0 |
申論題數:
29
試卷資訊
所屬科目:
台電◆基本電學
選擇題 (0)
申論題 (29)
1.某台功率為100瓦特(W)的電風扇連續使用_小時所累積的能量相當於1度電。 一
2.電阻值為1R Ω、3R Ω、5R Ω的3個電阻器並聯後,在兩端加入電壓,則此3個電阻器上的端電壓比分別為 。
3.耦合係數K表示兩線圈耦合時磁力線相互影響的程度,欲得到兩線圈耦合時最大互感量,則 K值應為
。
4.某一系統的能量轉換效率是90 %,若損失功率是1000瓦特(W),則該系統的輸出功率為 瓦特(W)。
【已刪除】5.—段電阻值為10 Ω的導線,若將其均勻壓縮,使長度變為原來的
|,則縮短後的導線電阻值為_______歐姆(0)。
【已刪除】6如下【圖1】所示,將R—L—C串聯電路化簡為等效並聯電路,則G=______姆歐
【已刪除】7.如下【圖2】所示,則I
1
______安培(A)
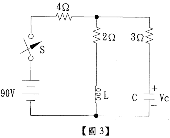
【已刪除】8.如下【圖3】所示,當S閉合穩態後,則Vc=_____伏特(V)
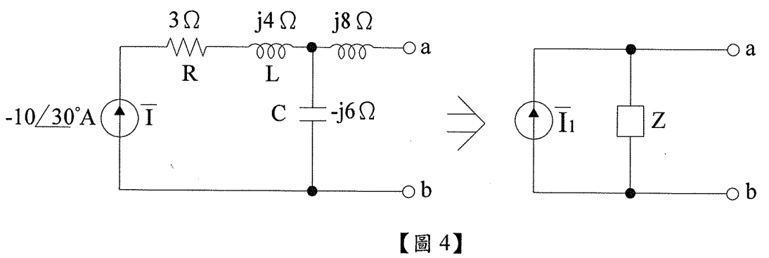
【已刪除】9.如下【圖4】所示,a、b兩端化簡為諾頓等效電路,則
=_______安培(A)。
【已刪除】10.如下【圖5】所示,在三相四線平衡供電系統中,負載為三相平衡阻抗,每相
,則
=______安培(A)。
11.有2個電阻,其電阻值之比R
1
: R
2
= 4 : 1,將該2個電阻串聯後接到12.5 V電壓源 ,若R
2
消耗5 W電功率,則R
1
= ________歐姆(Ω)。
12•將規格同為100 V/50 W的2個燈泡(電阻性負載)串接於120 V電源,此時這2個燈泡總消耗 功率=______瓦特(W)。
13.有效值110 V,頻率可調的交流電壓源,接到R-L-C串聯負載,若R=100 Ω,L=3 mH, C=1.2μF,調整頻率使電路達到諧振,此時電路消耗之功率=_瓦特(W)。
14.透過儀器觀察某一個穩定的交流電壓電源,在0.1秒期間共有5個週期的正弦波形,則該電 源的頻率=______赫(Hz)。
【已刪除】15.有一交流電壓
,則該電壓頻率=_______赫(Hz)。
16.有一線圈在60 Hz頻率下,電阻為8 Ω,電感抗為3 Ω,若將此線圈接於120 Hz,100 V的 交流電源,此時該線圈之電感抗=______歐姆(Ω)。
17.將5個100 Ω的電阻並聯後,接於60V直流電源,則流入這5個電阻的總電流=_______安培(A)。
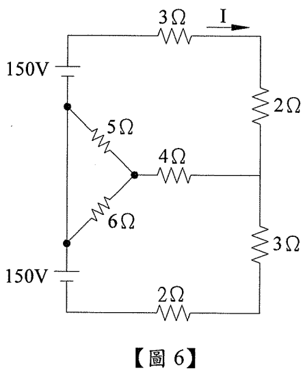
【已刪除】18.如右【圖6】所示,則電流I =______安培(A)
【已刪除】19•如右【圖7】所示,則9 Ω電阻兩端的電壓 VL=_______伏特(V)。
【已刪除】20•如右【圖8】所示,則電流I=______安培(A)。
【已刪除】1•如下【圖9】所示,△
→
Y轉換等效電路,求電容Ca為何?
【已刪除】2•如下【圖10】所示,已知v(t) = 100cos(1000t + 30
。
)伏特(V),求電流i(t)為何?
(1)電容C值為何?(4分)
(2)此時諧振電路之品質因素Q為何?(3分)
(3)此時電容C兩端的峰值電壓為何?(3分)
(1)三相總視在功率S
3
ψ
叫為何?(3分)
(2)功率因素P.F.為何?(3分)
(3)三相總實功率P
3
ψ
為何?( 2分)
(4)三相總虛功率Q
3
ψ
為何?(2分)
相關試卷
114年 - 114 台灣電力公司_新進僱用人員甄試試題_專業科目 B:基本電學#127007
114年 · #127007
113年 - 113 台灣電力公司_高職技術類科獎學金甄選:基本電學#129412
113年 · #129412
113年 - 113 台灣電力公司_新進僱用人員甄試試題_專業科目 B:基本電學#119794
113年 · #119794
112年 - 112 台灣電力公司_新進僱用人員甄試:專業科目 B(基本電學)#114251
112年 · #114251
111年 - 111 台灣電力公司_新進僱用人員甄試:專業科目 B(基本電學)#107783
111年 · #107783
110年 - 110 台灣電力公司_新進僱用人員甄試:專業科目 B(基本電學)#98717
110年 · #98717
109年 - 109 台灣電力公司_新進僱用人員甄試:基本電學#86389
109年 · #86389
108年 - 108 台灣電力公司_新進僱用人員甄試:基本電學#78725
108年 · #78725
107年 - 107-12 台灣電力公司_新進僱用人員甄試:基本電學#73747
107年 · #73747
107年 - 107-05 台灣電力公司_新進僱用人員甄試:基本電學#68961
107年 · #68961