所屬科目:台電◆基本電學
1.如【圖 1】所示電路,每只 R = 30 Ω,則電流 I 為____(A)。
2.如【圖 2】所示電路,R 為可變電阻,目前電阻值為 2 Ω,當 S1 及 S2 皆打開(斷路)時,a 點 電壓較 b 點電壓高 24 V,當 S1 及 S2 皆閉合(短路)時,電流 I 為 6 A,則當 S1 打開(斷路)、 S2 閉合(短路)時,將 R 調整為____(Ω),此直流線性有源電路有最大功率輸出。
3.如【圖 3】所示,試求戴維寧等效電路 Vth 為____(V)。
4.如【圖 4】所示電路,請問= ____(V)。
5.如【圖 5】所示,當電壓頻率為 100 Hz 時,阻抗Ω,請問頻率改為 200 Hz 時, 阻抗)。(註:請以直角坐標 a+jb 表示)
6.如【圖 6】所示,請問伏特表指示值為____(V)。
7.如【圖 7】所示,在 0.1 秒由 4 A 增到 8 A,請問自感應電勢 = ____(V)。
11.有一電動機,接於
12.有一 RC 串聯電路功率因數為,若將 RC 改為並聯電路時,則功率因數為____。
15.如【圖 8】所示電路,負載電阻 RL為____(kΩ)時可得到最大功率
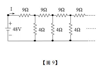
16.如【圖 9】所示電路,電流 I 為____(A)。
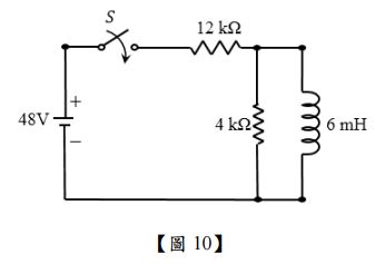
17.如【圖 10】所示電路,當開關 S 閉合時,其充電時間常數為____(s)。
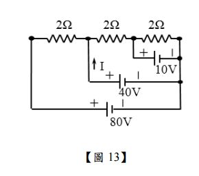
18.如【圖 11】所示電路,電流
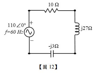
19.如【圖 12】所示電路,諧振時諧振頻率 fr為____(Hz)。
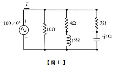
20.如【圖 13】所示電路,電流 I 為____(A)。
(1)最大功率輸出之負載阻抗
(2) S 切斷瞬間