所屬科目:台電◆基本電學
1.某系統效率為 90 %,若損失功率為 500 瓦特(W),則其輸出功率為_____ 瓦特(W)。
2.有一用戶其家用之電器有日光燈 50 W 8 盞,平均每天使用 6 小時;彩色電視機 500 W 1 台, 平均每天使用 6 小時;抽水馬達 1 馬力 1 台效率 74.6 %,平均每天使用 2 小時,則此用戶30 天共耗電_____ 度。
3.如【圖 1】所示,2 個 DCV 表分別為 DCV1(滿刻度 180 V,內阻 20 kΩ)及 DCV2(滿刻度150 V,內阻 25 kΩ),則最大可測直流電壓 Vab 為 _____ 伏特(V)。
4.如【圖 2】所示,已知 L1 = 3 亨利(H),L2 = 18 亨利(H),且總電感 LT = 2 亨利(H), 則 L3 之值為_____ 亨利(H)。
5.於交流 RLC 串聯電路中,串聯電阻 R= 10 歐姆(Ω),串聯電感 L= 1 亨利(H),串聯電容 C= 0.25 法拉 (F),若此電路發生串聯諧振,則外加電源之角頻率(ω)為 _____ rad/sec。
6.正弦波電壓有效值為 10√2 伏特(V),其峰對峰值為 _____ 伏特(V)。
7.如【圖 3】所示之交流電橋,其中G 為交流電流表,Z1 = 2+j 歐姆(Ω),Z2 = 4+j2 歐姆(Ω), Z3= 1 歐姆(Ω),若交流電流表 G 顯示電流為 0,則 Z4為 _____ 歐姆(Ω)。
8.如【圖 4】所示,電流 I7= _____ 安培(A)。
9.如【圖 5】所示電路,交流電源電壓V¯S = 100∠0° 伏特(V),調整電感器使此電路產生諧振,則此 電感器之端電壓V¯L為_____ 伏特(V)。
10.如【圖 6】所示,電流 I 為_____ 安培(A)。
11.如【圖 7】所示,在 4 歐姆(Ω)電阻兩端之電壓降為_____ 伏特(V)。
12.若一蓄電池電壓為 6 伏特(V),其內阻為 0.1 歐姆(Ω),則此蓄電池可輸出之最大功率為_____瓦特(W)。
13.△-Y 接電路,若△端輸入線電壓為 200√3伏特(V),負載為 Y 接,且每相阻抗為 8+j6 歐姆(Ω), 則此電路之負載線電流大小為 _____ 安培(A)。
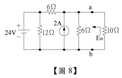
14.如【圖 8】所示,a、b 兩端由箭頭方向看入之戴維寧等效電壓 Eth 為_____ 伏特(V)。
15.如【圖 9】所示,5 μF 電容儲存之能量為 _____ 毫焦耳(mJ)。
16.如【圖 10】所示電路,假設開關 S 最初為斷路(OPEN)狀態,而且電容沒有初始電壓,電感沒 有初始電流,當 S 閉合「瞬間」之電流 I 為 _____ 安培(A)。
17.有一交流 RC 串聯電路,串聯接於電源v(t) = 120√2sin(377t)伏特(V),其中 R 為 18 歐姆(Ω), 電路電流為 6 安培(A),則電路的功率因數(PF)為_____。
18.如【圖 11】所示電流波形及電路,若 R2 的消耗功率為 400 W,則電源之電流 Im為_____ 安培(A)。
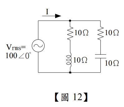
19.如【圖 12】所示,電路總電流 I 為 _____安培(A)。
20.如【圖 13】所示,電流 I3 為_____ 安培(A)。
(1)節點 X 接地時,節點 Y 之電壓為多少伏特(V)?(10 分)
(2)節點 Z 接地時,節點 Y 之電壓為多少伏特(V)?(5 分) V1=5V V2=12V I=4A 【圖 14】
(1)兩電感器之互感值為多少亨利(H)?(5 分)
(2)若其耦合係數 K 為 3/4,則兩電感器之電感量分別為多少亨利(H)?(5 分)
(3)若將 L1和 L2並聯,兩電感呈並聯互助之狀態,且互感值為 M= 1 亨利(H),則兩個電感器 L1和 L2並聯後之總電感為多少亨利(H)?(5 分)
(1)充電時間常數 τ 為多少秒?(5 分)
(2)VC (t)為多少伏特(V)?(5 分)
(3)經過 0.3 ms 後,電容器之瞬時電壓值 VC (t = 0.3 ms)為多少伏特(V)?(5 分)
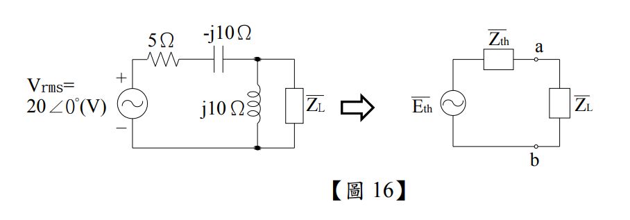
4.如【圖 16】所示電路,試求其戴維寧等效阻抗(4 分)及等效電壓 (4 分);另為使負 載得到最大功率,須將其阻抗 值調整為多少歐姆(Ω)(2 分)?此時負載所消耗之最大功率 為多少瓦特(W)(5 分)?