所屬科目:台電◆基本電學
3.如【圖 1】所示,此電路的等效電阻 R 為____歐姆(Ω)。
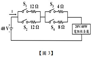
6.如【圖 3】所示,當開關____閉合後,可使電阻性負載達到額定功率 40 瓦特(W)。
7.如【圖 4】所示,戴維寧等效電壓(ETH)為____伏特(V)。
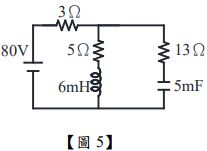
8.如【圖 5】所示,電路穩定後,電容器所儲存的能量為____焦耳(J)。
9.如【圖 6】所示,Q1 = 36 × 庫侖(C),Q2 = -27 × 庫侖(C),已知兩電荷相距 9 公尺(m), 1 則 A 點的電場強度為____牛頓/庫侖 。(電場係數 K = = 9 × 109 )
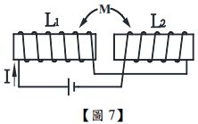
10.如【圖 7】所示,L1 = 10亨利(H),L2 = 15亨利(H),M = 3亨利(H),則總電感 為_____亨利(H)。
11.某一 R-L-C 並聯電路,當頻率為 6 kHz 時,可求得 = j144 歐姆(Ω), = -j225 歐姆(Ω),則此電路的諧振頻率 f0 為_____ kHz。
13.如【圖 8】所示,整體的磁通密度為 10 韋伯/平方公尺 (wb/m2) (× 表示磁通方向),導體長度 為 4 公尺(m),若導體以 5 公尺/秒 (m/s)速率朝左方向移動(如 v 方向),則其感應電動勢為____ 伏特(V)。
14.如【圖 9】所示,當電壓 V1 = 6 伏特(V)時,則電流 I 為____安培(A)。
15.如【圖 10】所示,節點電壓 V1 為____伏特(V)。
16.如【圖 11】所示,電流 為____安培(A)。(請以瞬間值數學表示式表示;cos 30° = 0.866, cos 36.9° = 0.6)
19.有一 RC 串聯充電電路,測出兩端電壓為 20 伏特(V),已知電阻為 50 仟歐姆(kΩ),電容為 20 微法拉(μF)。當 t = 3s 時,則電容器兩端電壓為____伏特(V)。(註: = 0.368、 = 0.135 、 = 0.05)
(1) 耦合係數
(1) t = 0 秒時之
(2) t = 1 秒時之 、i
(3) t ≧ 5 秒時之
(註: = 0.368、 = 0.135、 = 0.05)
(1) 並聯電阻值
(2) 並聯電容抗值
(3) 總電流 (註:請以 A∠B 表示)