所屬科目:台電◆基本電學
1.將三個額定功率分別為 10 W、60 W、100 W 的 2.5 Ω 負載電阻串在一起,則串聯後所能承受 的最大功率為______瓦特。
2.如下【圖 1】,當______開關閉合時,伏特計指示為 50 V。(請直接填寫該個或多個開關編號)
3.如下【圖 2】所示,兩線圈共儲存能量為______焦耳。
4.如下【圖 3】所示,若有一電壓為 6 伏特,內阻為 0.1 Ω 之電源直接跨接於 A、D 兩端間,當 此網路吸收最大功率時,R 的數值為______歐姆。
5.三用電表中,除有正、負極插孔外,尚有 OUTPUT 插孔,其內串有一電容如下【圖 4】,依 電容之作用能於交流電壓測試時隔絕______。
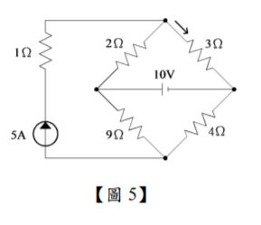
6.如下【圖 5】所示,3 Ω 電阻所消耗之功率為______瓦特。
7.有一線圈其匝數為 1000 匝,其電感量為 10 H,若欲將電感量減為 2.5 H,則應減少______匝 線圈。
8. 100 μF 的電容器,原已充電到 100 V,再繼續充電至 300 V,則儲存電能增加______焦耳。
9.如下【圖 6】所示之電路,當開關 S 打開(開路)時,a 點電壓較 b 點電壓高 20 V,當開關 S 閉 合(短路)時,b 點電壓較 c 點電壓高 10 V。若將 a、b 兩端點串接一可變電阻,使此直流線性 有源電路有最大功率輸出,則此可變電阻的電阻值應為_____歐姆。
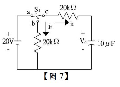
10.如下【圖 7】所示,開關 S1置於 a 點並已達穩態;若此時將開關 S1切換於 b 點,則此電容端 電壓 VC的響應為______。(自然對數的底數請勿轉換為數字)
11.如下【圖 8】所示,在交流電橋電路,若欲使流過電阻 ZX的電流為零,則阻抗 ZC的大小應為 ______歐姆。(答案請以直角座標法表示)
12.一只 200 μF 的電容器,若以 10 mA 定值電流充電至儲存 0.5 焦耳的能量為止,在充電後電容 之端電壓為______伏特。
13. R-L-C 串聯電路中,XL及 XC分別表示 L 及 C 的電抗大小,則輸入電壓與輸入電流間的相角 為______度。
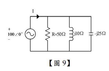
14.如下【圖 9】所示的 R-L-C 並聯電路,電源供給之總無效功率值為______乏(VAR)。
15.某 R-L-C 串聯諧振電路的品質因數(Q)為 25,諧振頻率為 500 Hz,則該 R-L-C 串聯諧振電路 的上截止頻率為______Hz。
16.如下【圖10】所示的Y形電路,若下【圖11】為其等效△形電路,則ZA為的大小應為______ 歐姆。(答案請以直角座標法表示)
17.有一交流電路,其電源電壓V(t) = 218 sin(377 t+15°)伏特,電源電流i(t) = 109 sin(377 t-45°), 則其功率因數為______。
18.有一 R-L-C 串聯諧振電路,R = 4 Ω,L = 0.2 H,C = 188 μF,接於交流 100 伏特的電源,當該 電路的頻率為截止頻率時,其平均功率為______kW。
19.有一負載阻抗 Z = 15 + j12,其流過電流 i(t) = 20 sin(ωt),則此負載所消耗的平均功率為 ______瓦特。
20.某工廠平均每小時消耗功率 36 kW,功率因數為 0.6 滯後,如欲將功率因數提高至 0.8 滯後, 則應加入並聯電容器的無效功率為______千乏(kVAR)。
1.如【圖 12】,把 AB 間保持 100 V,無論 S 開或關之情況下,AB 間之總電流均保持 30 A,試 求 r3及 r4之值。(10 分)
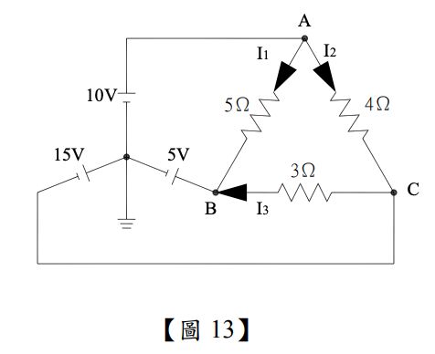
2.如【圖 13】所示,試求 I1、I2、I3之值。(15 分,各 5 分)
(1)總功率因數(5 分)
(2)總平均功率(5 分)
(3)總視在功率(5 分)
(1) A、B 端點斷路之戴氏等值電動勢 Eth(5 分)
(2) A、B 端點斷路之戴氏等值阻抗 Zth(5 分)
(3)最大功率輸出之負載阻抗 ZL(5 分)
(4)負載之最大功率 Pmax(5 分)