題組內容
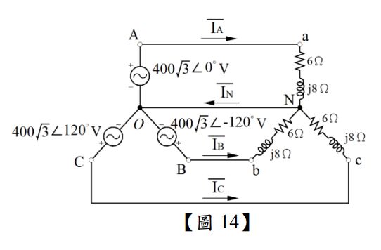
3.如【圖 14】所示,有一 3 相 4 線 Y 連接正相序電源, 供給平衡 3 相 Y 連接負載電路,試求:(15 分)
(1)總功率因數(5 分)
詳解 (共 10 筆)
詳解
首先我假設你已經了解所謂電阻性,電感性,電容性負載之間的關係...........簡單來說就是因為該題電路負載側是R-L串聯,視為電感性負載(6+j8換成極座標就是10歐姆角度正53度),所以電壓角度0度除以電抗正53度,出來就是電流-53度,電感性負載是電流相位角滯後電壓相位角,所以功因落後
詳解
Z=根號(6^2+8^2)=10 53度
PF=6/10=0.6落後
詳解
0.6超前
詳解
0.6落後
詳解
0.6
詳解
0.6
詳解
0.6
詳解
0.6落後
詳解
0.6 lag
詳解
0.6